GM Service Manual Online
For 1990-2009 cars only
Makes
🢒
Cadillac
🢒
2005
🢒
SRX
🢒 Starting System
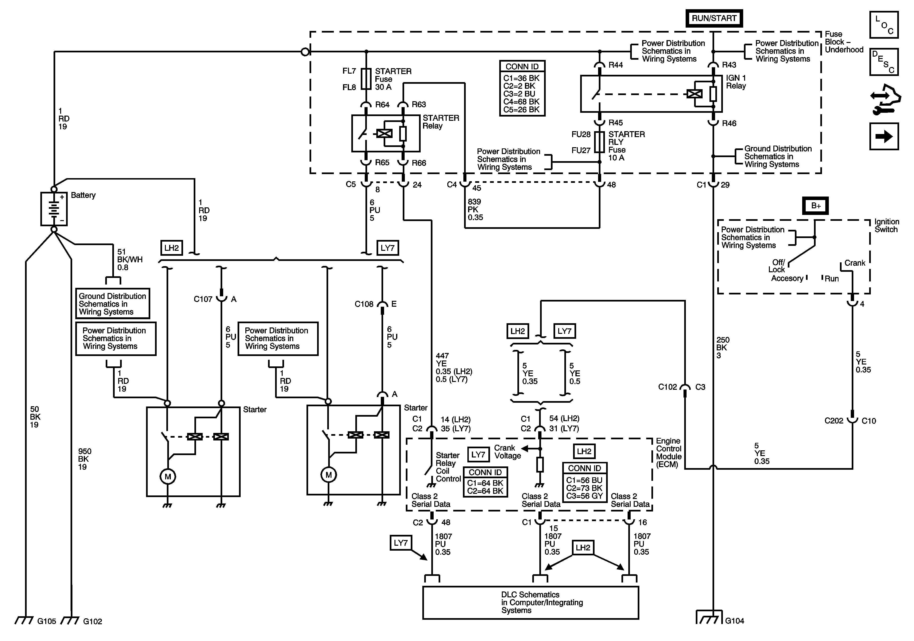
Starting System
Starting System
Master Electrical Component List
Starting System Description and Operation
Control Module References
Charging System
Fuse Block - Underhood B+ Bus Schematic
RIM and THEFT Fuses and Ignition Switch - 2 of 2
ABS, STARTER RLY, STRG CTLS, TCM/IPC, and WASH NOZ Fuses
G104
IGN SW Fuse and Ignition Switch - 1 of 2
G102, G105, G107, G108, G109, and G110
Fuse Block - Underhood B+ Bus Schematic
Fuse Block - Underhood B+ Bus Schematic
Class 2 Serial Data - 1 of 2
G104