GM Service Manual Online
For 1990-2009 cars only
Makes
🢒
Cadillac
🢒
2005
🢒
SRX
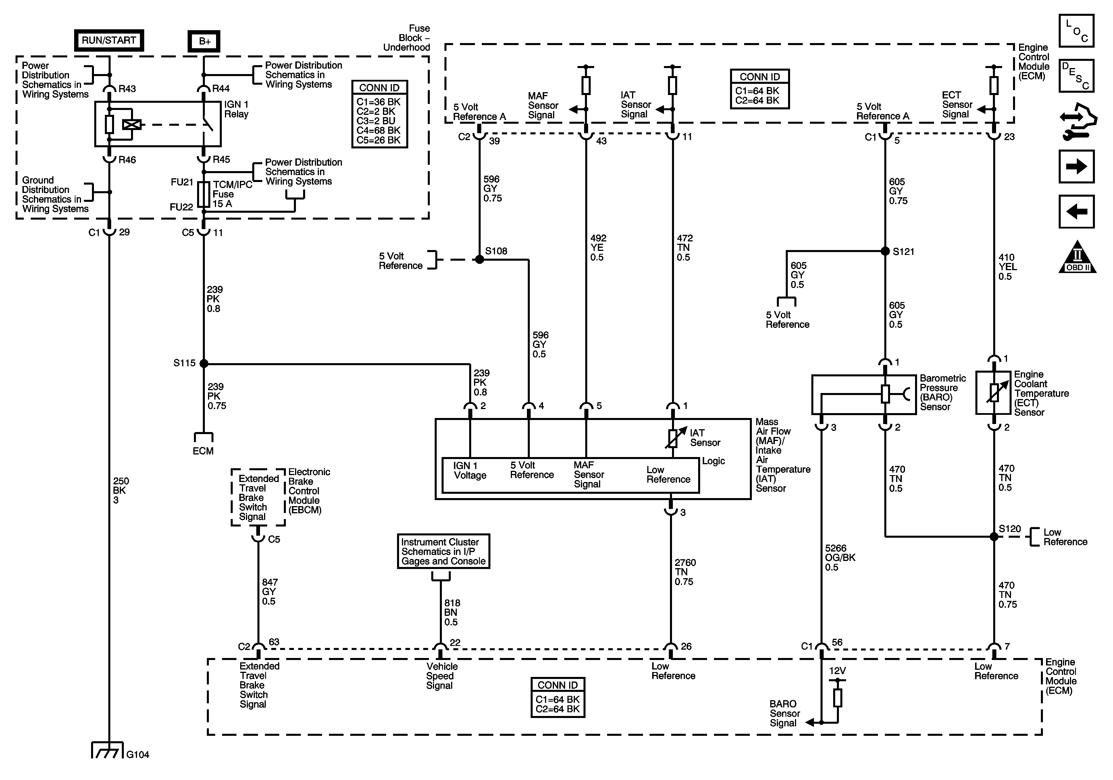
🢒 Engine Data Sensors - Pressure, Temperature, MAF, VSS and Extended Travel Brake Switch
Engine Data Sensors - Pressure, Temperature, MAF, VSS and Extended Travel Brake Switch
Engine Data Sensors - Pressure, Temperature, MAF, VSS, and Extended Travel Brake Switch
Master Electrical Component List
Air Intake System Description
Control Module References
Engine Data Sensors - Oxygen Sensors
Engine Data Sensors - Low Reference
Engine Controls Schematic Icons
RIM and THEFT Fuses and Ignition Switch - 2 of 2
G104
Fuse Block - Underhood B+ Bus Schematic
ABS, STARTER RLY, STRG CTLS, TCM/IPC, and WASH NOZ Fuses
Engine Data Sensors - 5-Volt Reference
Engine Data Sensors - 5-Volt Reference
Module Power, Ground, Serial Data and MIL
G104
Gages
Engine Data Sensors - Low Reference