GM Service Manual Online
For 1990-2009 cars only
Makes
🢒
Cadillac
🢒
2005
🢒
SRX
🢒 Fuel Controls - Fuel Pump and Injectors
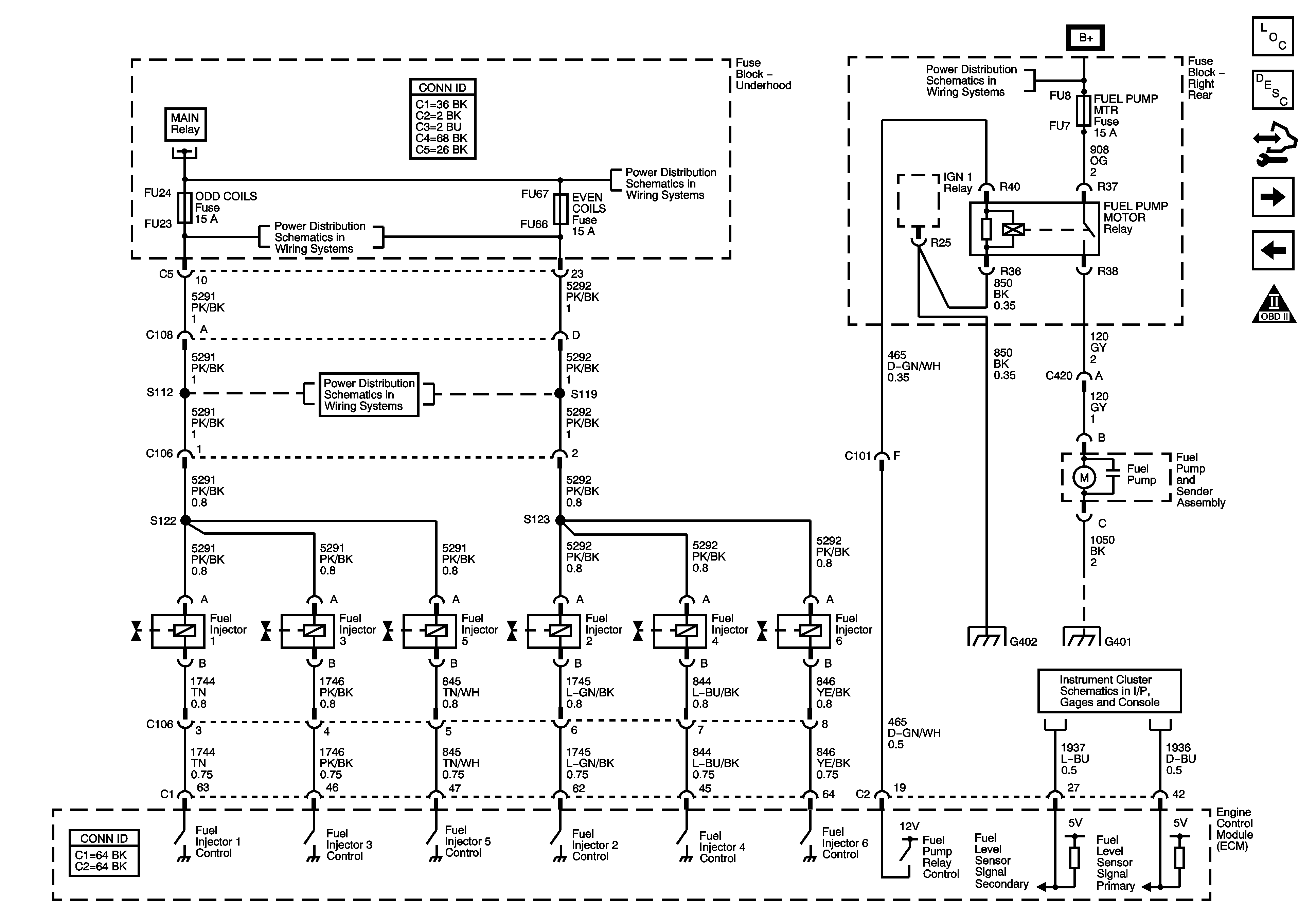
Fuel Controls - Fuel Pump and Injectors
Fuel Controls - Fuel Pump and Injectors
Master Electrical Component List
Fuel System Description
Control Module References
Fuel Controls - EVAP Controls
Ignition Controls - Engine Speed, CKP and Knock Sensors
Engine Controls Schematic Icons
Cooling Fans
Fuse Block - Right Rear B+ Bus
EVEN COILS, ODD COILS, and POST 02 FUSES
EVEN COILS, ODD COILS, and POST 02 FUSES
EVEN COILS, ODD COILS, and POST 02 FUSES
G402 - 1 of 2
G401 - 1 of 2
Gages