GM Service Manual Online
For 1990-2009 cars only
Makes
🢒
Cadillac
🢒
2005
🢒
SRX
🢒 Fuel Controls - EVAP Controls
Fuel Controls - EVAP Controls
Fuel Controls - EVAP Controls
Master Electrical Component List
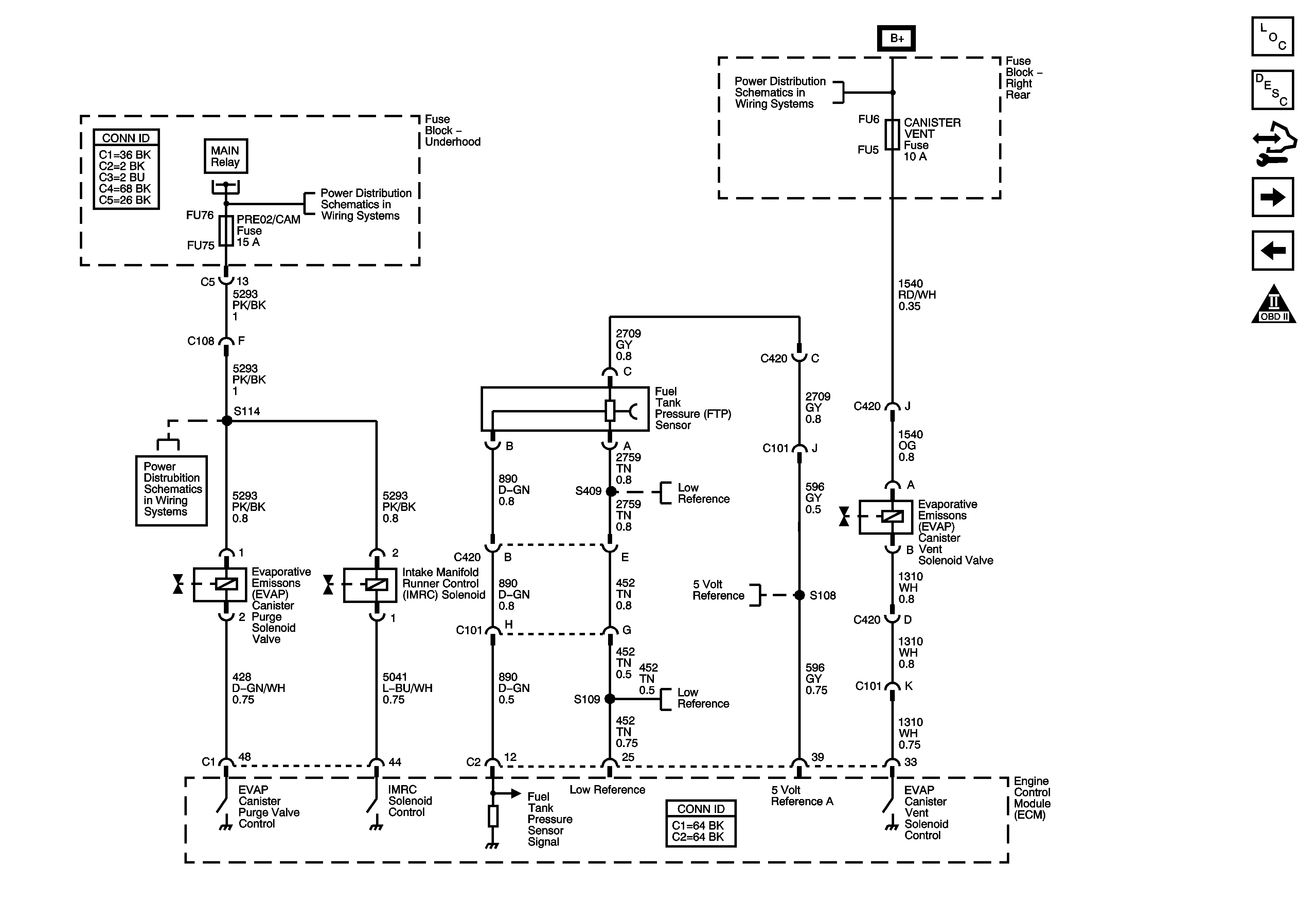
Evaporative Emission Control System Description
Control Module References
Controlled/Monitored Subsystem References
Fuel Controls - Fuel Pump and Injectors
Engine Controls Schematic Icons
Cooling Fans
HFVG, PRE 02/CAM, and V8 ECM Fuses
Fuse Block - Right Rear B+ Bus
HFVG, PRE 02/CAM, and V8 ECM Fuses
Engine Data Sensors - Low Reference
Engine Data Sensors - 5-Volt Reference
Engine Data Sensors - Low Reference