GM Service Manual Online
For 1990-2009 cars only
Makes
🢒
Cadillac
🢒
2005
🢒
SRX
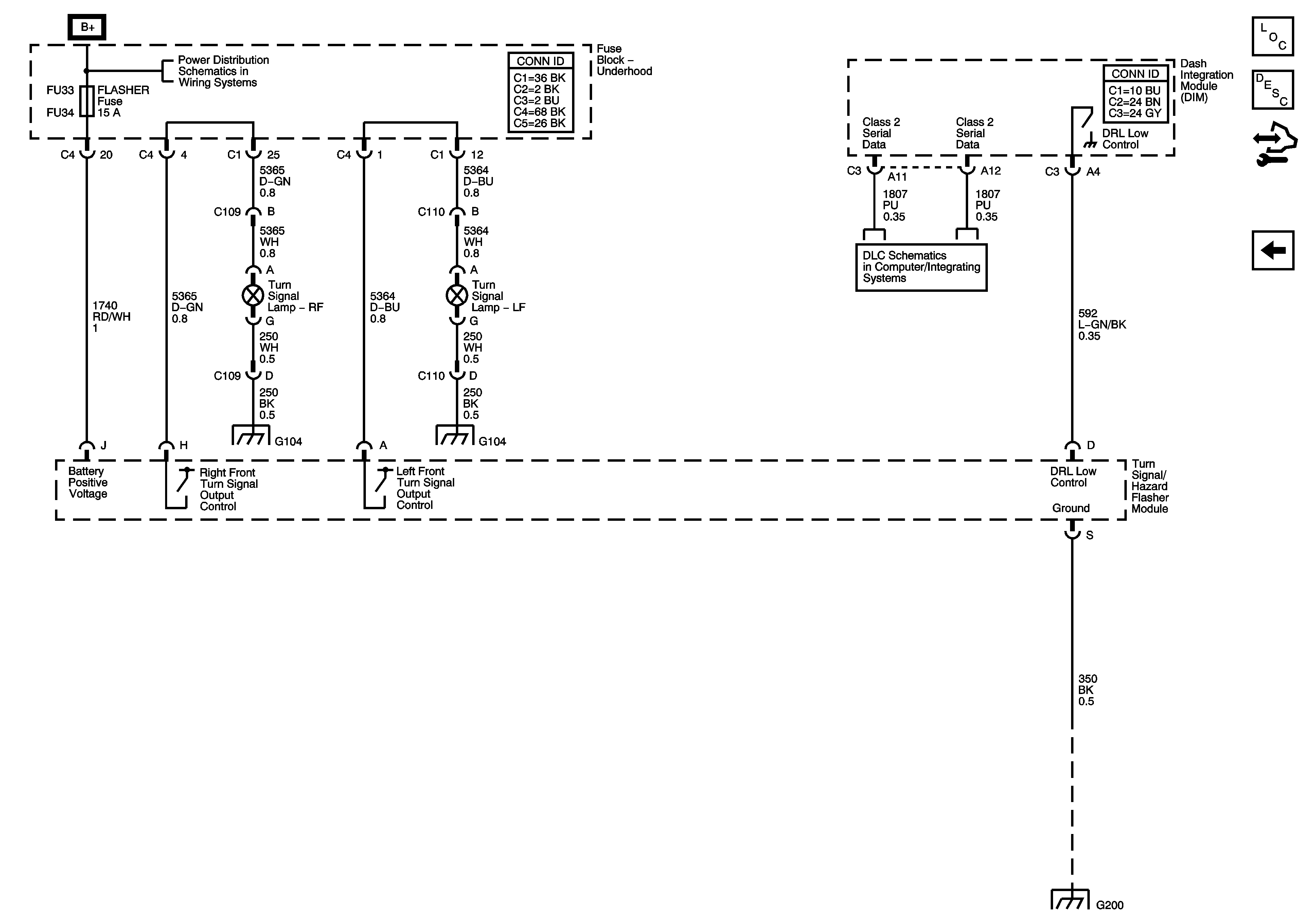
🢒 Daytime Running Lamps (DRL) - Domestic
Daytime Running Lamps (DRL) - Domestic
Daytime Running Lamps (DRL) - Domestic
Master Electrical Component List
Exterior Lighting Systems Description and Operation
Control Module References
Headlamps - Export
Fuse Block - Underhood B+ Bus Schematic
G104
G104
Class 2 Serial Data - 1 of 2
G200
G200