GM Service Manual Online
For 1990-2009 cars only
Makes
🢒
Cadillac
🢒
2005
🢒
SRX
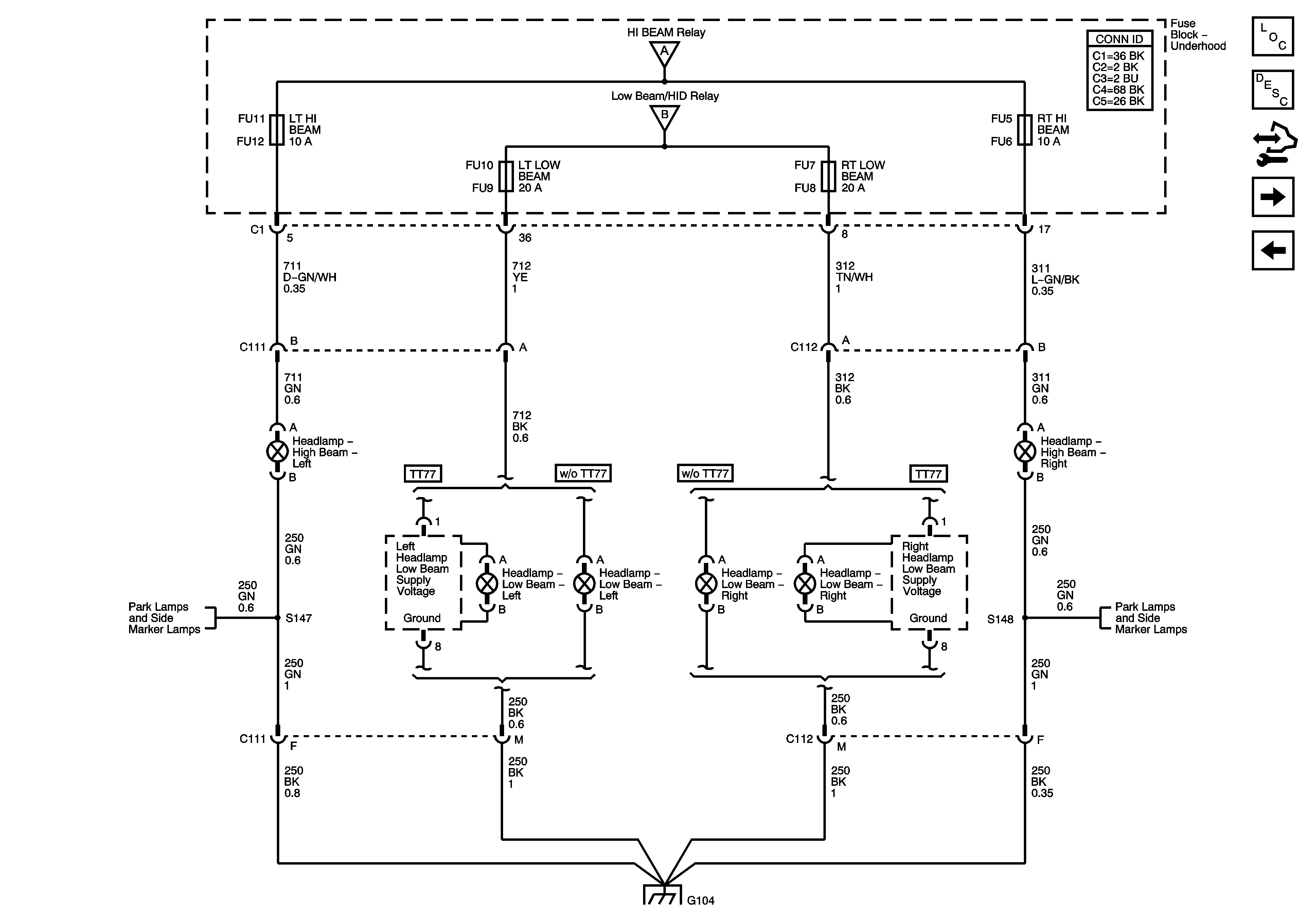
🢒 Headlamps - Export
Headlamps - Export
Headlamps - Export
Master Electrical Component List
Exterior Lighting Systems Description and Operation
Control Module References
Daytime Running Lamps (DRL) - Domestic
Headlamps - Domestic
Headlamp Controls
Headlamp Controls
Parking Lamps - Export
G104
Parking Lamps - Export