GM Service Manual Online
For 1990-2009 cars only
Makes
🢒
Cadillac
🢒
2005
🢒
SRX
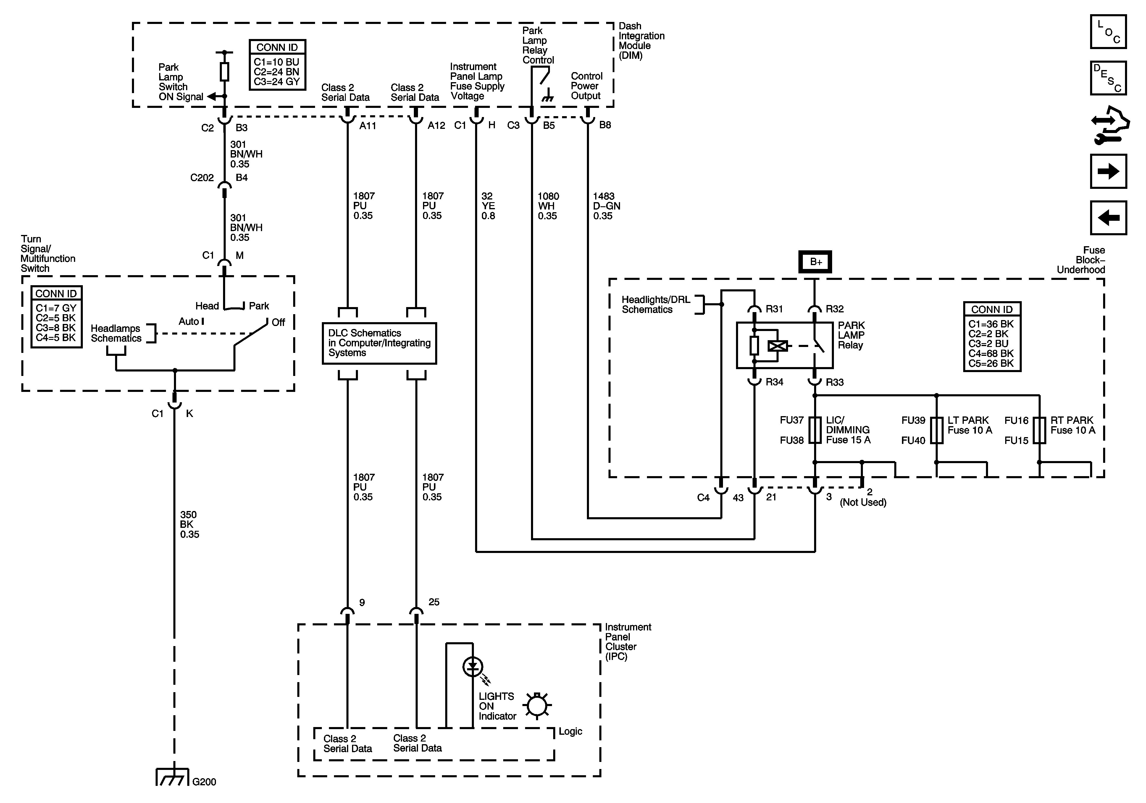
🢒 Park Lamp Controls and Indicators
Park Lamp Controls and Indicators
Park Lamp Controls and Indicator
Master Electrical Component List
Exterior Lighting Systems Description and Operation
Control Module References
Parking Lamps - Domestic
Turn Lamps - Export
Headlamp Controls
Class 2 Serial Data - 1 of 2
Headlamp Controls
G200