GM Service Manual Online
For 1990-2009 cars only
Makes
🢒
Cadillac
🢒
2005
🢒
SRX
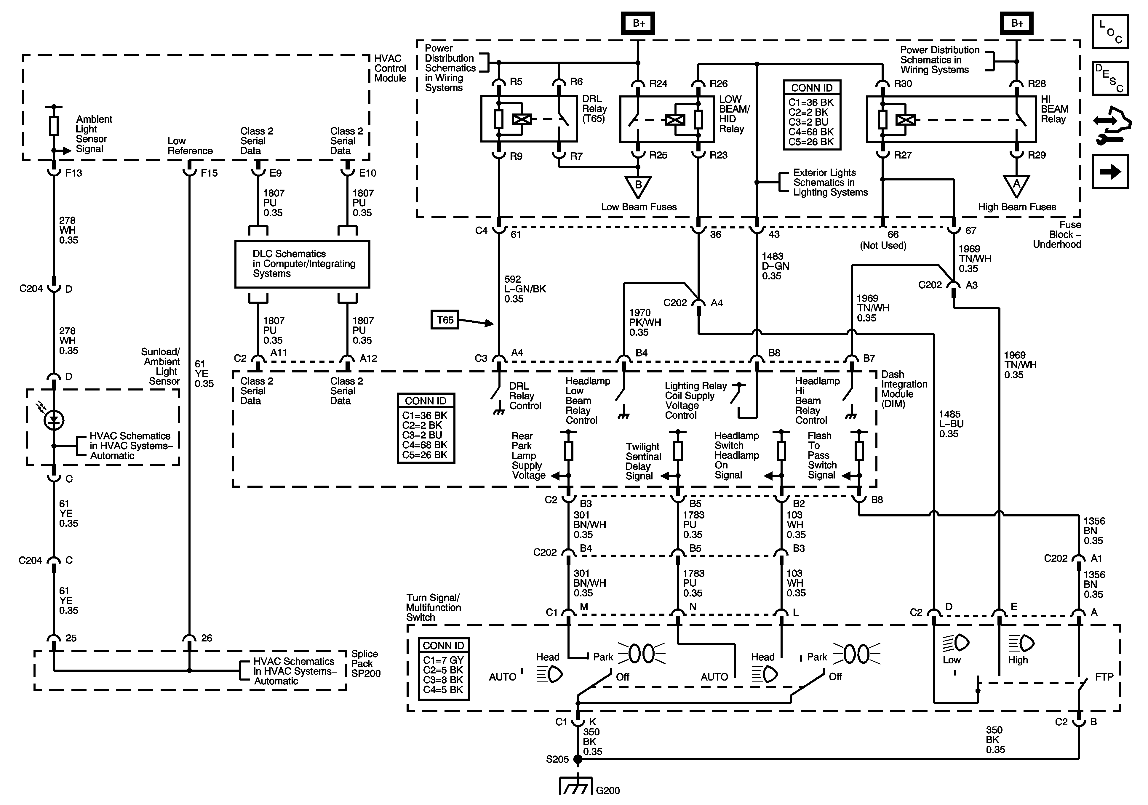
🢒 Headlamp Controls
Headlamp Controls
Headlamp Controls
Master Electrical Component List
Exterior Lighting Systems Description and Operation
Control Module References
Headlamps - Domestic
Fuse Block - Underhood B+ Bus Schematic
Class 2 Serial Data - 1 of 2
Headlamps - Domestic
Park Lamp Controls and Indicators
Headlamps - Domestic
Air Delivery and Temperature Controls
Air Delivery and Temperature Controls
G201