GM Service Manual Online
For 1990-2009 cars only
Makes
🢒
Cadillac
🢒
2005
🢒
SRX
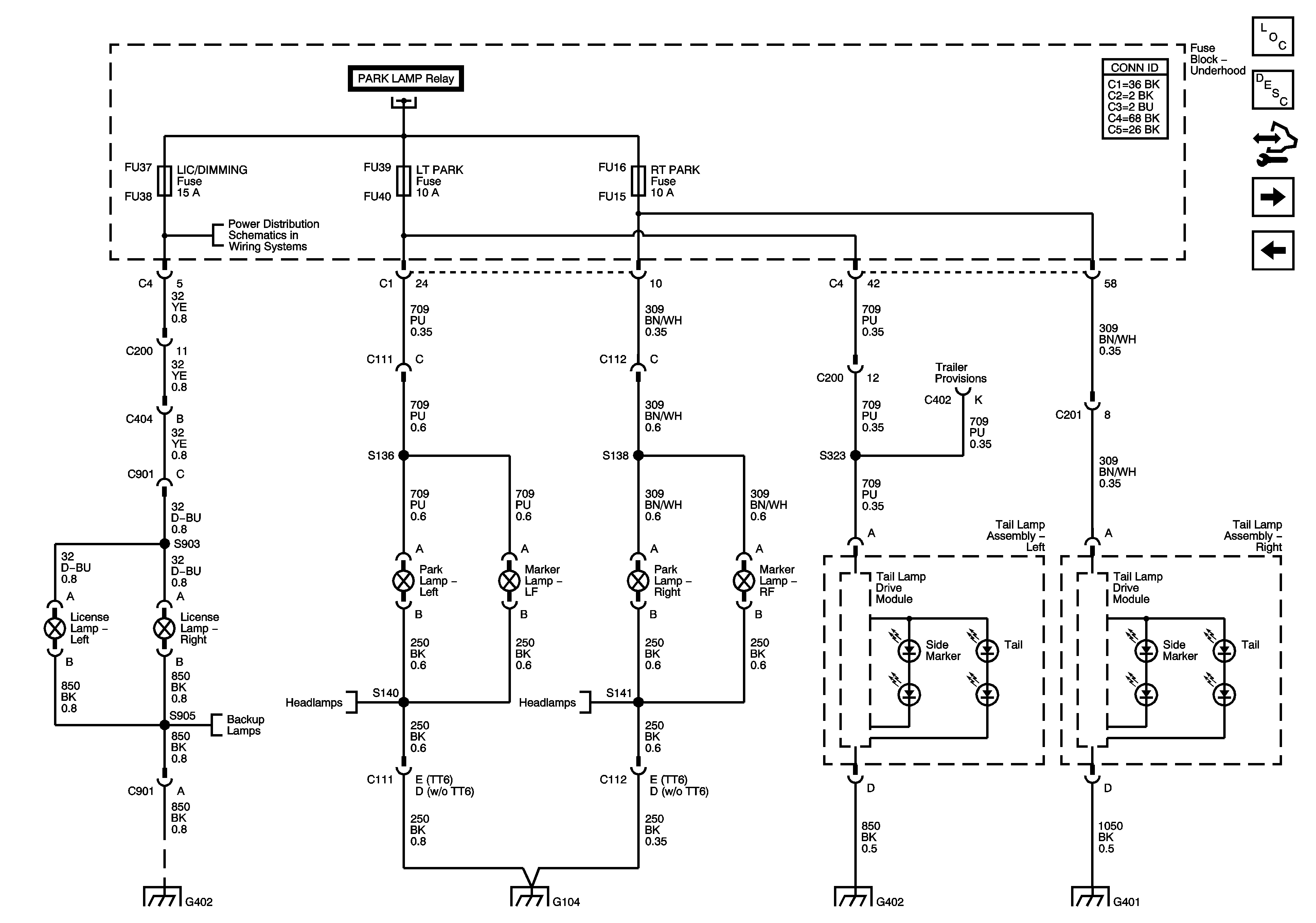
🢒 Parking Lamps - Domestic
Parking Lamps - Domestic
Parking Lamps - Domestic
Master Electrical Component List
Exterior Lighting Systems Description and Operation
Control Module References
Position Lamp Controls - Export
Park Lamp Controls and Indicators
Park Lamp Controls and Indicators
LIC/DIMMING, LT PARK, and RT PARK Fuses
Backup Lamps
Headlamps - Domestic
Headlamps - Domestic
G402 - 2 of 2
G104
G402 - 1 of 2
G401 - 1 of 2