GM Service Manual Online
For 1990-2009 cars only
Makes
🢒
Cadillac
🢒
2005
🢒
SRX
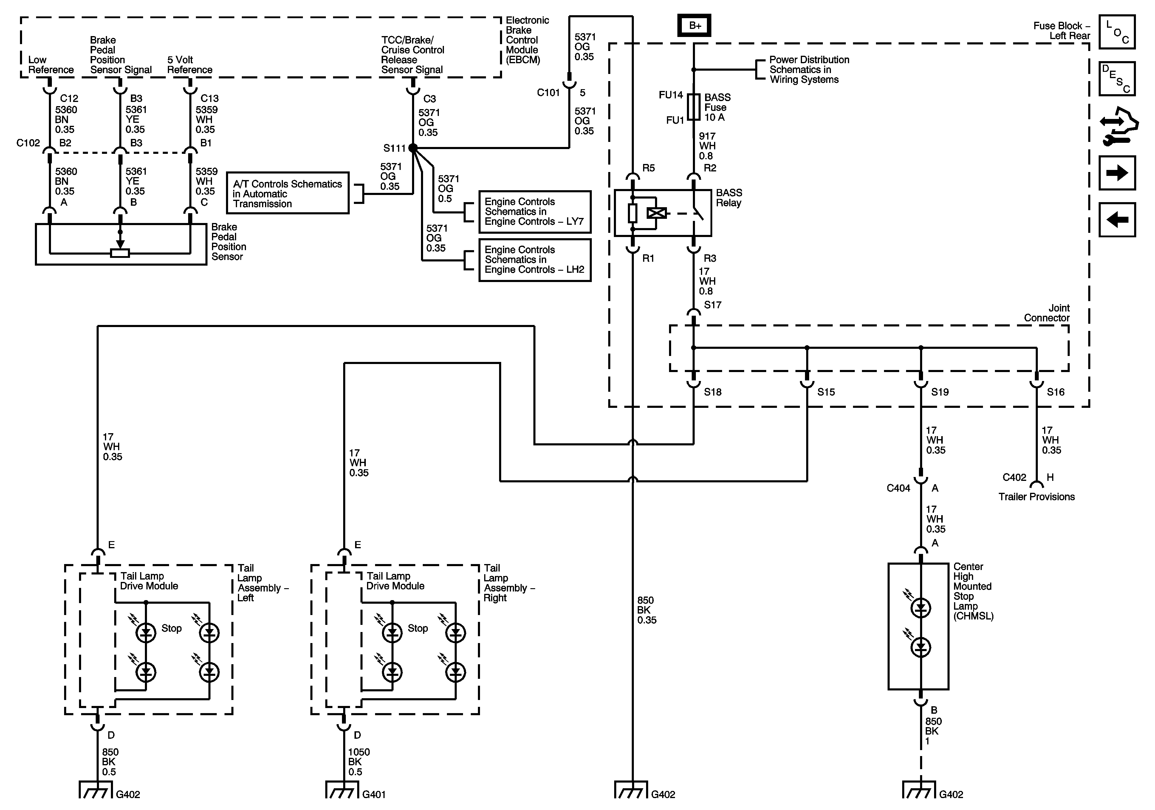
🢒 Tail Lamps and Stop Lamps - Export
Tail Lamps and Stop Lamps - Export
Stop Lamps - Export
Master Electrical Component List
Exterior Lighting Systems Description and Operation
Control Module References
Backup Lamps
Tail Lamps and Stop Lamps - Domestic
Power, Ground, Serial Data and Switches
Controlled/Monitored Subsystem References
Controlled/Monitored Subsystem References
Fuse Block - Left Rear B+ Bus
G402 - 1 of 2
G401 - 1 of 2
G402 - 1 of 2
G402 - 2 of 2