GM Service Manual Online
For 1990-2009 cars only
Makes
🢒
Cadillac
🢒
2005
🢒
SRX
🢒 Interior Lamps Dimming Controls
Interior Lamps Dimming Controls
Interior Lamps Dimming Controls
Master Electrical Component List
Interior Lighting Systems Description and Operation
Control Module References
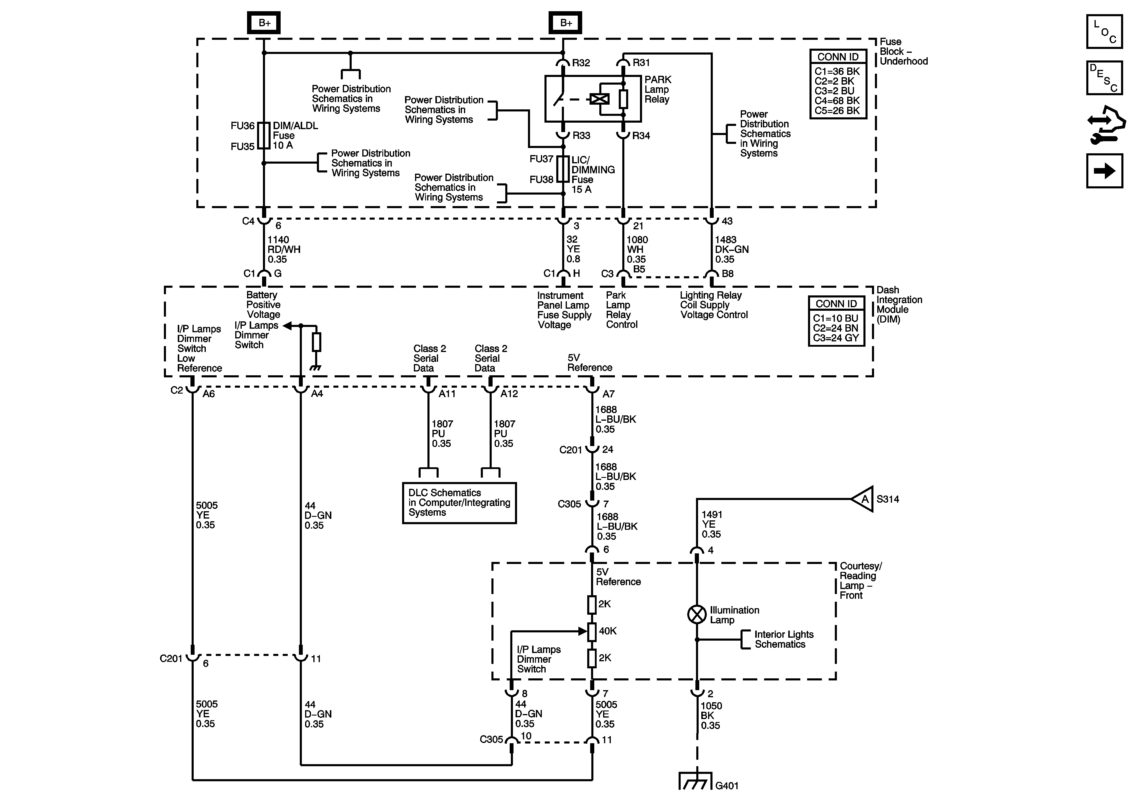
Dimming Lamps - 1 of 2
CCP (B+), DIM/ALDL, EBCM (B+), ECM/TCM, Flasher, and VOLT CHECK Fuses
Fuse Block - Underhood B+ Bus Schematic
LIC/DIMMING, LT PARK, and RT PARK Fuses
LIC/DIMMING, LT PARK, and RT PARK Fuses
LIC/DIMMING, LT PARK, and RT PARK Fuses
Class 2 Serial Data - 1 of 2
Dimming Lamps - 2 of 2
Courtesy/Reading Lamps
G401 - 2 of 2