GM Service Manual Online
For 1990-2009 cars only
Makes
🢒
Cadillac
🢒
2005
🢒
SRX
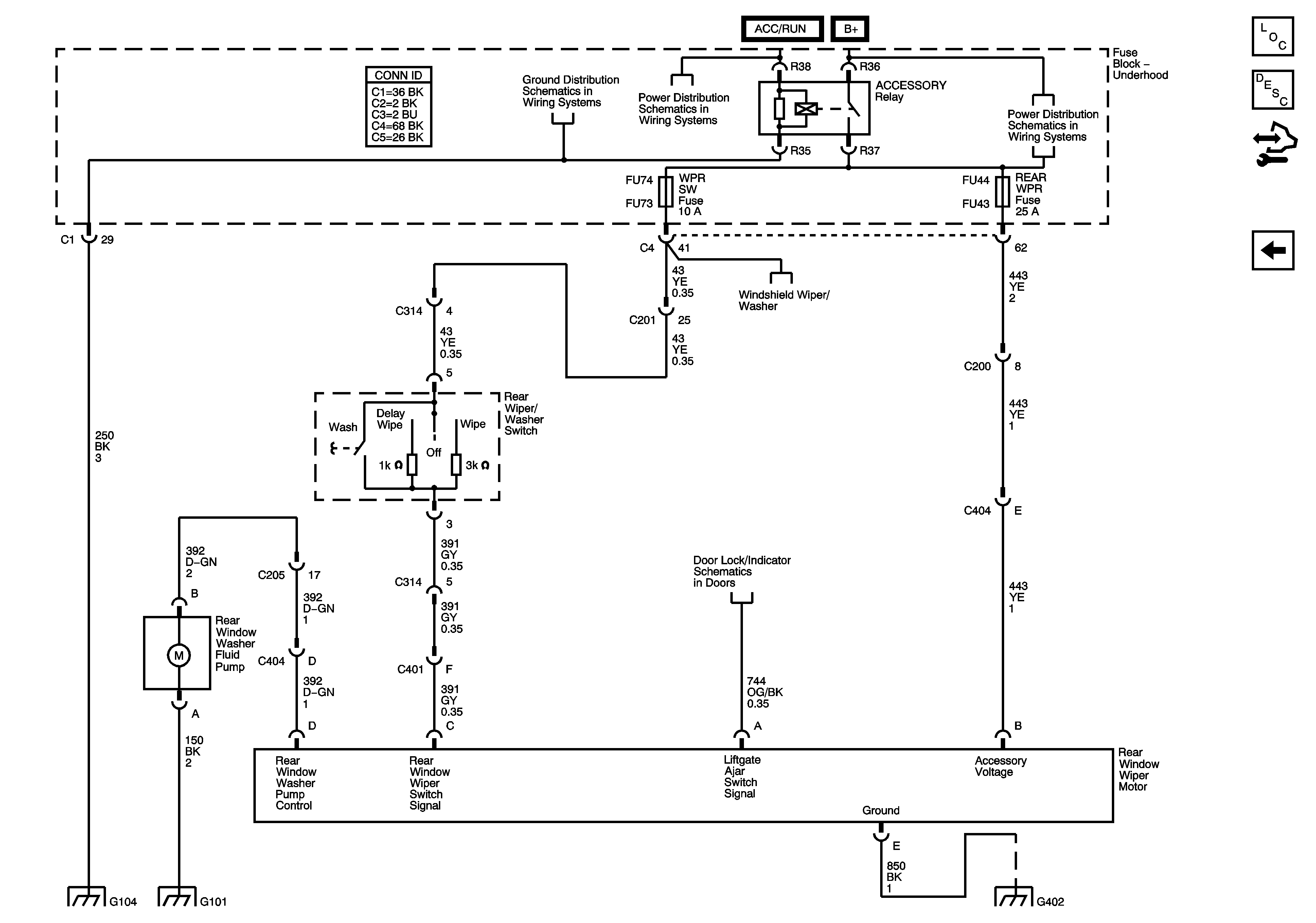
🢒 Rear Wiper/Washer
Rear Wiper/Washer
Rear Wiper/Washer
Master Electrical Component List
Rear Wiper/Washer System Description and Operation
Control Module References
Heated Washer Nozzles (XA7)
G104
RIM and THEFT Fuses and Ignition Switch - 2 of 2
POWER SOUNDER, RIM, RT FRT DR MOD, SUSPNTN, and VICS/RAP Fuses
Front Wiper/Washer Controls
Liftgate Door Lock
G104
G101
G402 - 2 of 2