GM Service Manual Online
For 1990-2009 cars only
Makes
🢒
Cadillac
🢒
2005
🢒
SRX
🢒 Content Theft Deterrent (CTD)
Content Theft Deterrent (CTD)
Content Theft Deterrent (CTD)
Master Electrical Component List
Content Theft Deterrent (CTD) Description and Operation
Control Module References
Content Theft Deterrent (CTD) Sensors and Sirens (UA2)
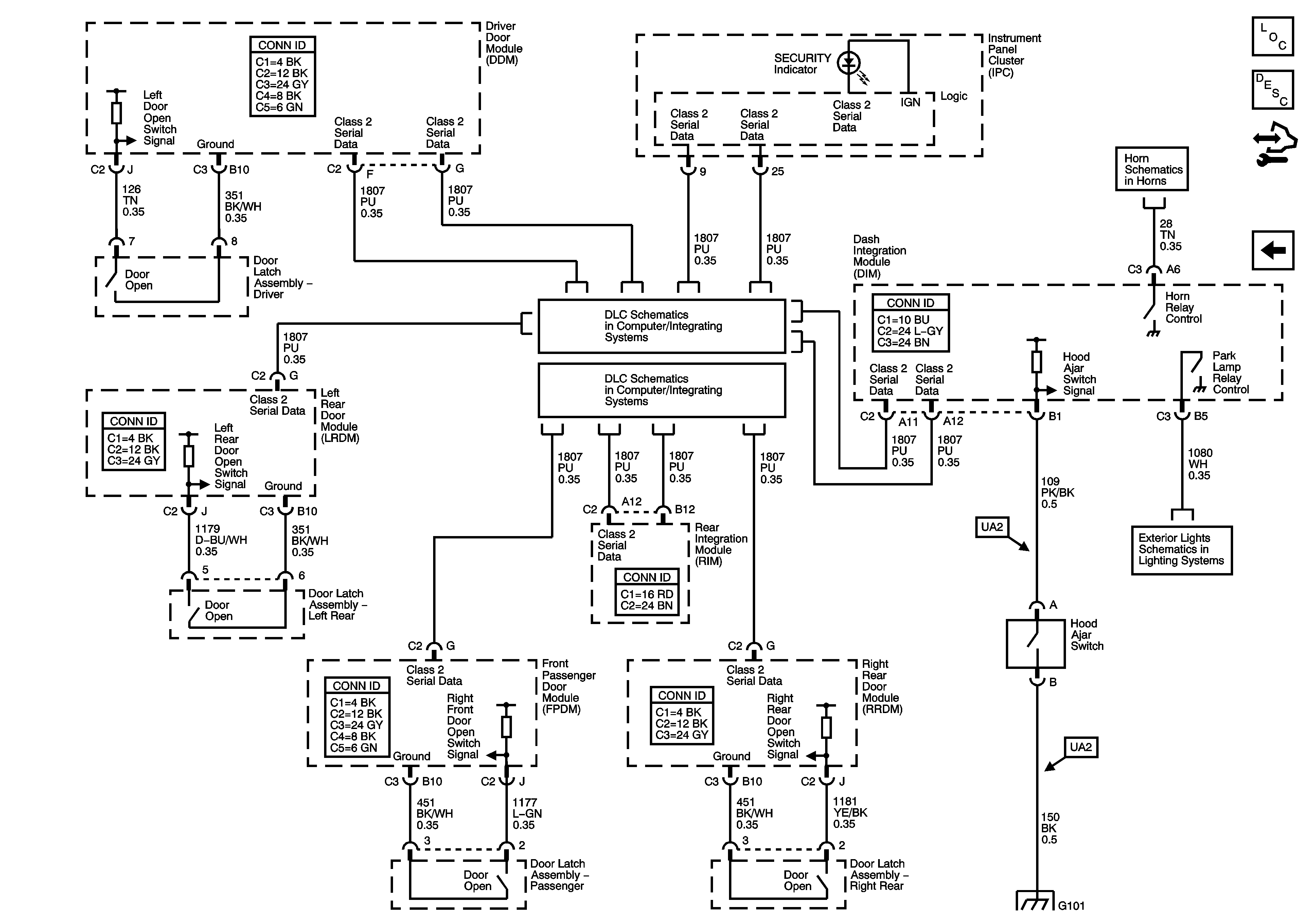
Class 2 Serial Data - 1 of 2
Class 2 Serial Data - 2 of 2
Horns Schematic
Park Lamp Controls and Indicators
G101