GM Service Manual Online
For 1990-2009 cars only
Makes
🢒
Cadillac
🢒
2007
🢒
SRX
🢒
Diagnostic Navigation
🢒
Vehicle Diagnostic Information
🢒 Instrument Cluster Schematics
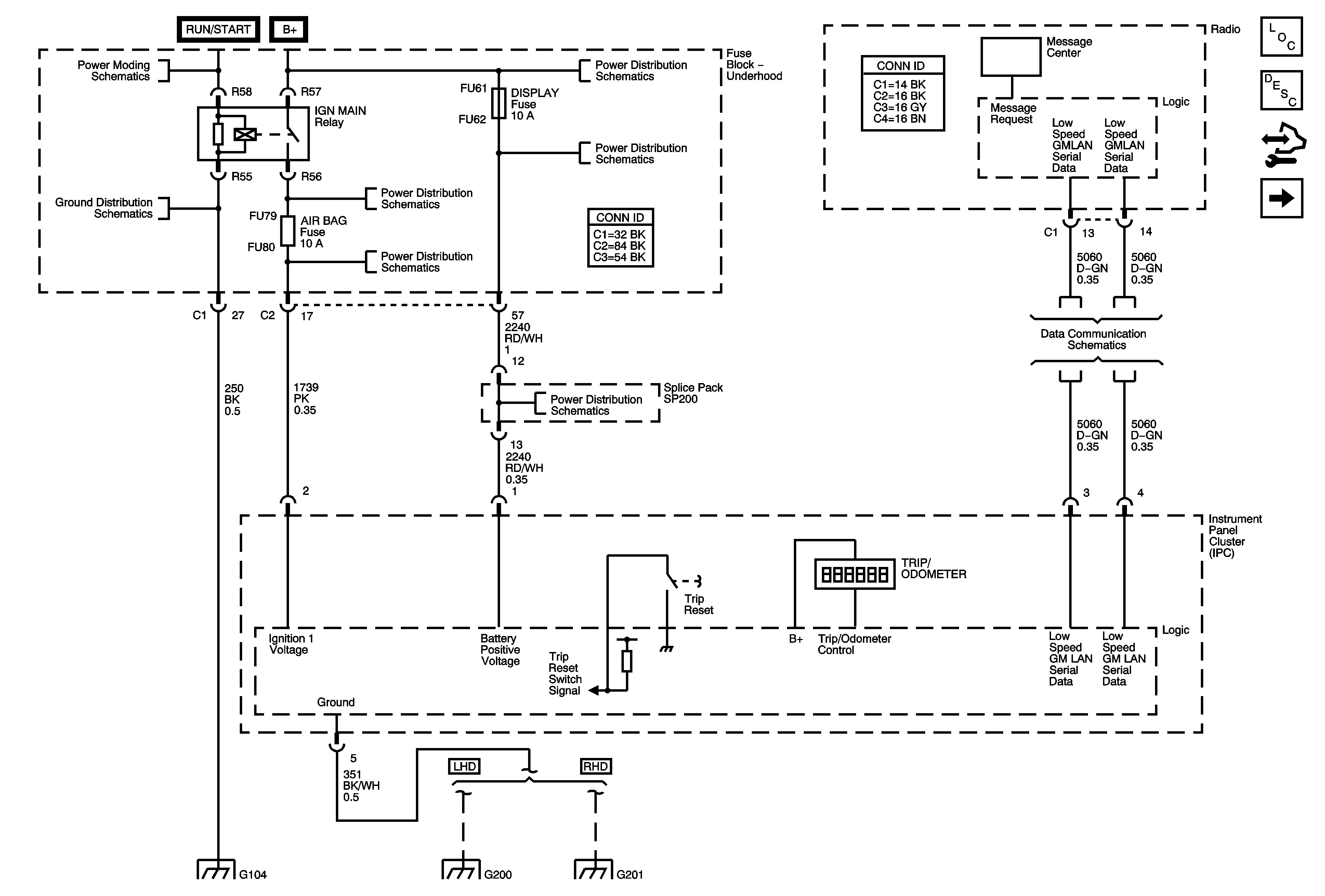
Figure
1:
Power, Ground, Serial Data, and Odometer
Master Electrical Component List
Instrument Cluster Description and Operation
Control Module References
Indicators
Ignition Power Modes - RUN
Underhood Fuse Block B+ Bus - 2 of 2
G104 (2 of 2)
Underhood Fuse Block B+ Bus - 2 of 2
IGN MAIN Relay, ABS IGN Fuse, AIRBAG Fuse, ECM TCM IGN Fuse, and MISC IGN Fuse
Underhood Fuse Block B+ Bus - 1 of 2
AUX OUTLET Fuse, BLWR Relay, CIG Fuse, DISPLAY Fuse, ECM BATT Fuse, and TCM BATT Fuse
Low Speed GMLAN Serial Data 1 of 2
G104 (2 of 2)
G200 (1 of 2) LHD
G201 (RHD)
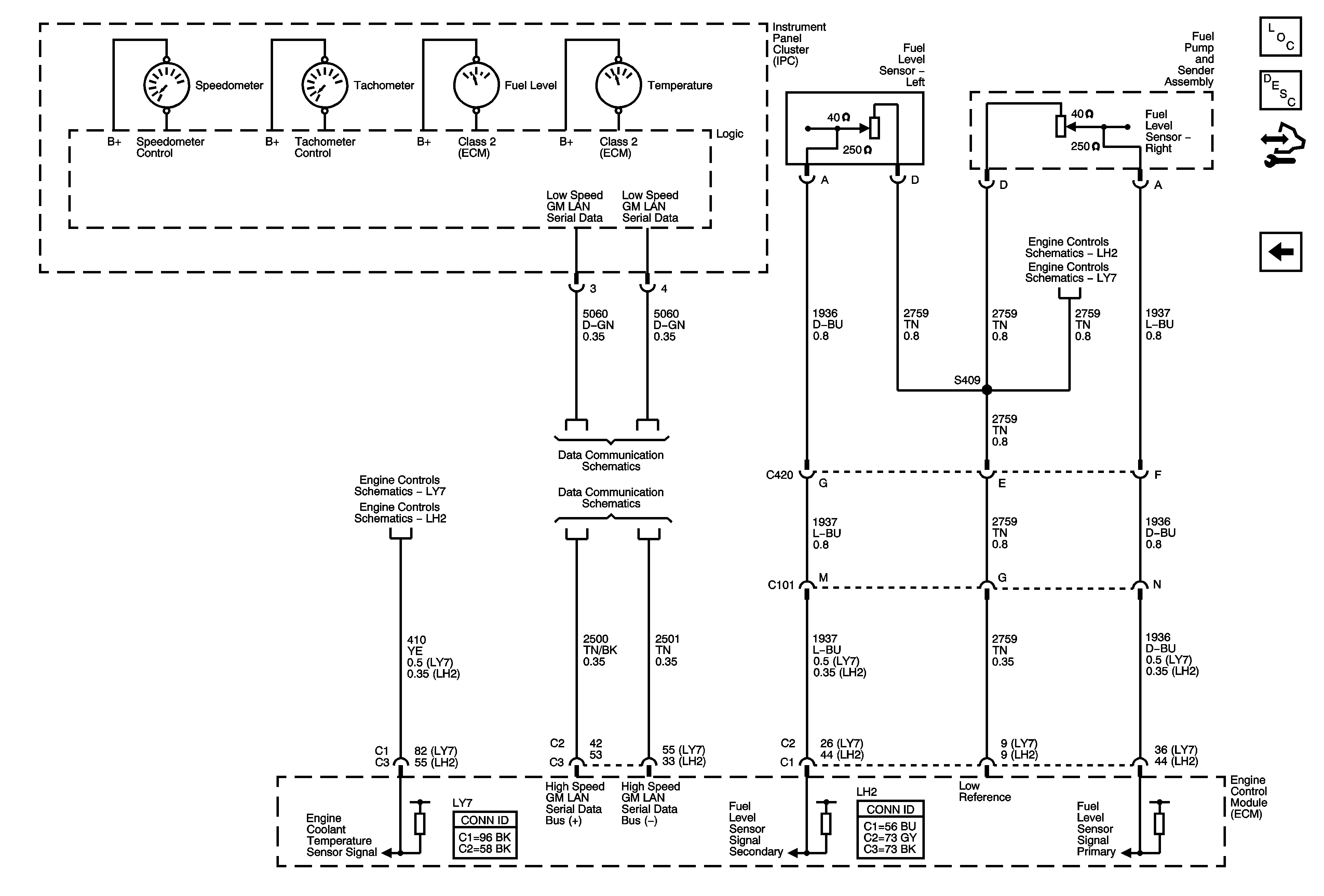
Figure
2:
Indicators
Master Electrical Component List
Indicator/Warning Message Description and Operation
Control Module References
Gages
Power, Ground, Serial Data, Odometer
High Speed GMLAN
Low Speed GMLAN Serial Data 1 of 2
Module Power, Ground, Serial Data and MIL
Power, Ground, Serial Data and MIL
Hydraulic Brakes Schematics
G200 (1 of 2) LHD
G201 (RHD)
G101
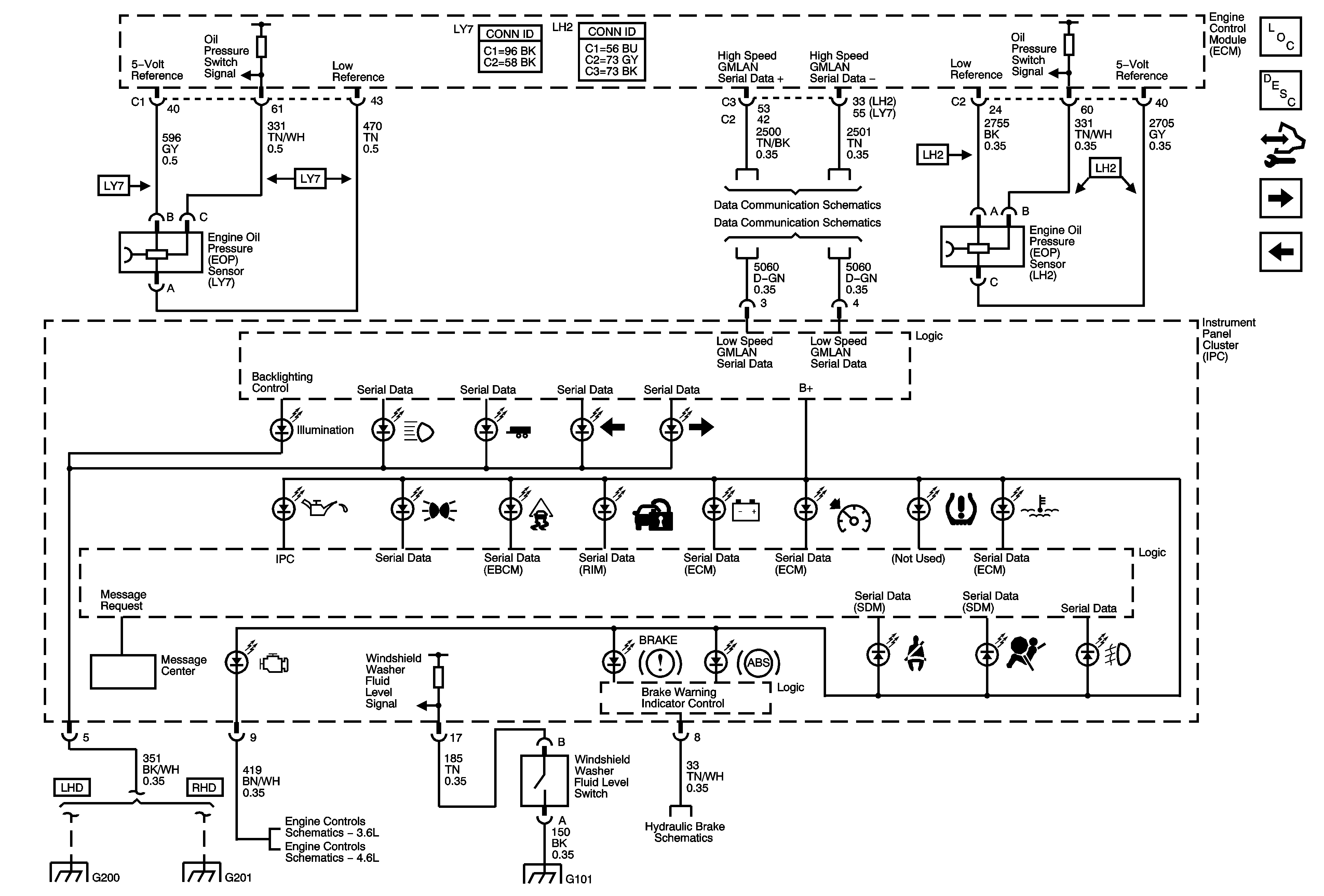
Figure
3:
Gages
Master Electrical Component List
Instrument Cluster Description and Operation
Control Module References
Indicators
Data Sensors - 5 Volt and Low Reference
Engine Data Sensors - 5 Volt Reference
Engine Data Sensors - MAF and Engine Coolant Temp Sensor
Engine Data Sensors - MAF, MAP, and Engine Coolant Temp (ECT) Sensors
Low Speed GMLAN Serial Data 1 of 2
High Speed GMLAN