GM Service Manual Online
For 1990-2009 cars only
Makes
🢒
Cadillac
🢒
2007
🢒
SRX
🢒 Ignition Controls - Bank 2 Ignition Coils
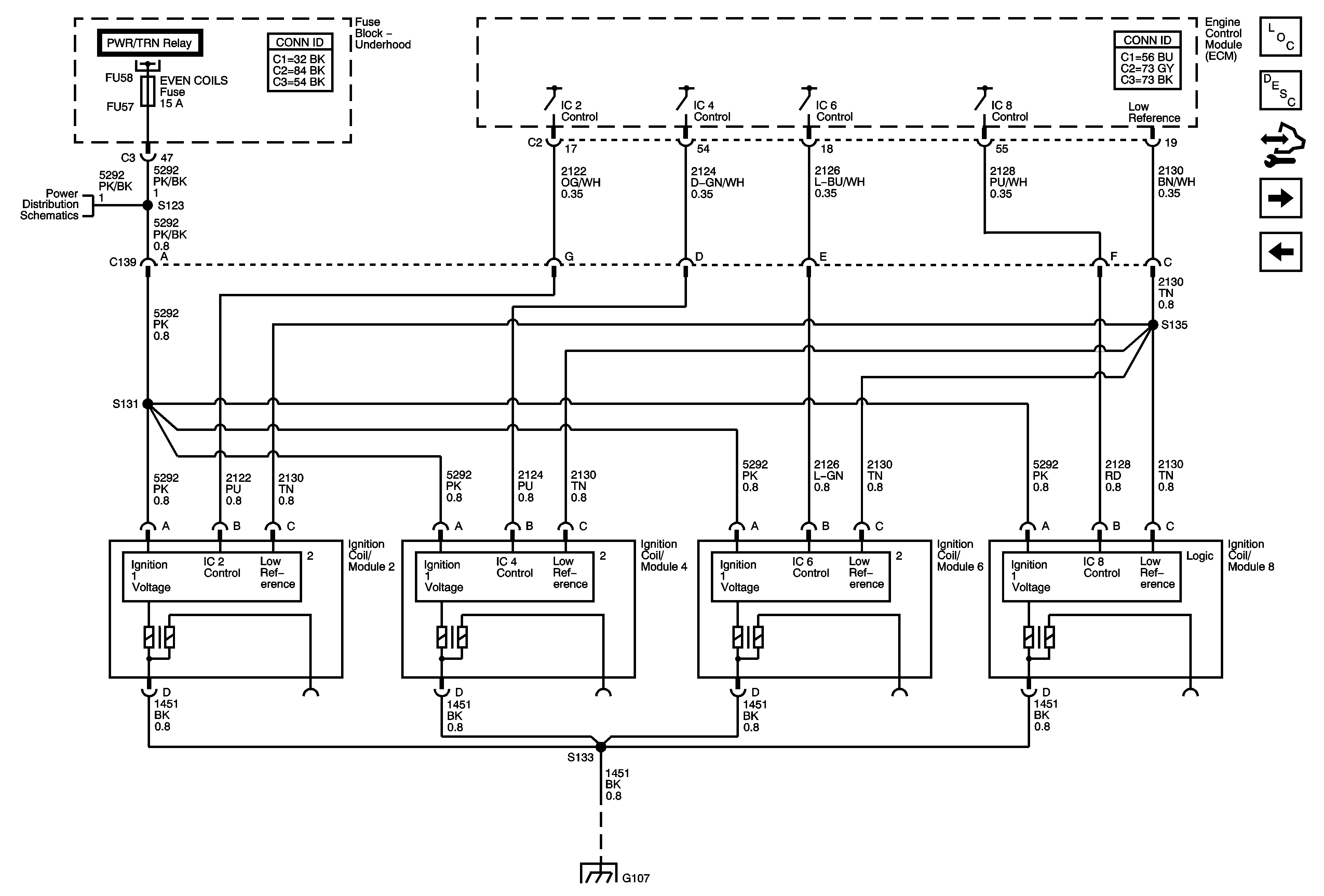
Ignition Controls - Bank 2 Ignition Coils
Ignition Controls - Bank 2 Ignition Coils
Master Electrical Component List
Electronic Ignition (EI) System Description
Control Module References
Ignition Controls - CMP Sensors and Solenoids
Ignition Controls - Bank 1 Ignition Coils
Power, Ground, Serial Data and MIL
EVEN COIL Fuse and ODD COIL Fuse
G102, G105, G107, G108, G109, G110