GM Service Manual Online
For 1990-2009 cars only

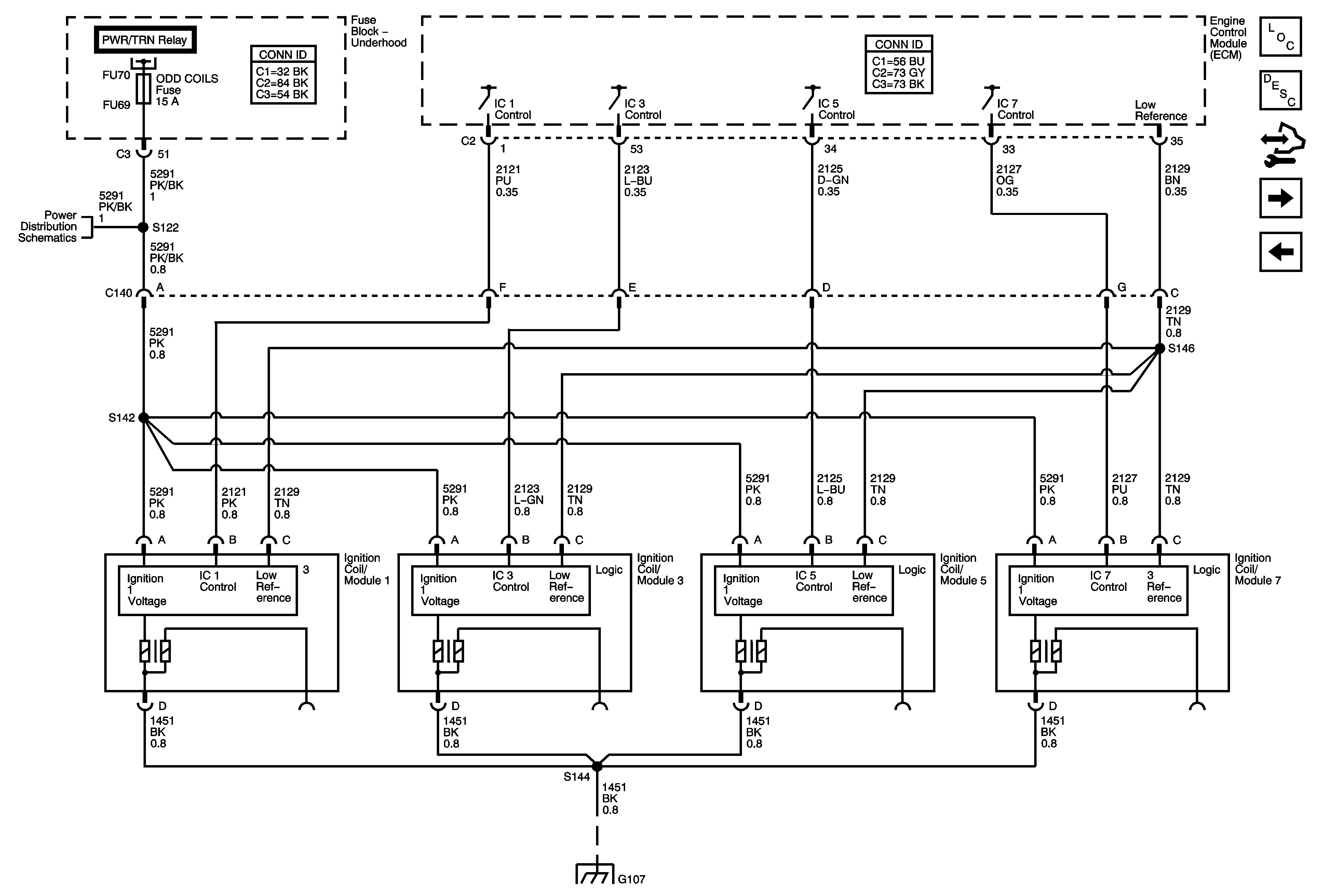
Ignition Controls - Bank 1 Ignition Coils

Ignition Controls - Bank 1 Ignition Coils


Object Number: 1749343  Size: FS
Master Electrical Component List
Electronic Ignition (EI) System Description
Control Module References
Ignition Controls - Bank 2 Ignition Coils
Engine Data Sensors - Electronic Throttle
Power, Ground, Serial Data and MIL
EVEN COIL Fuse and ODD COIL Fuse
G102, G105, G107, G108, G109, G110