GM Service Manual Online
For 1990-2009 cars only
Makes
🢒
Cadillac
🢒
2007
🢒
SRX
🢒 Adjustable Pedals Schematics
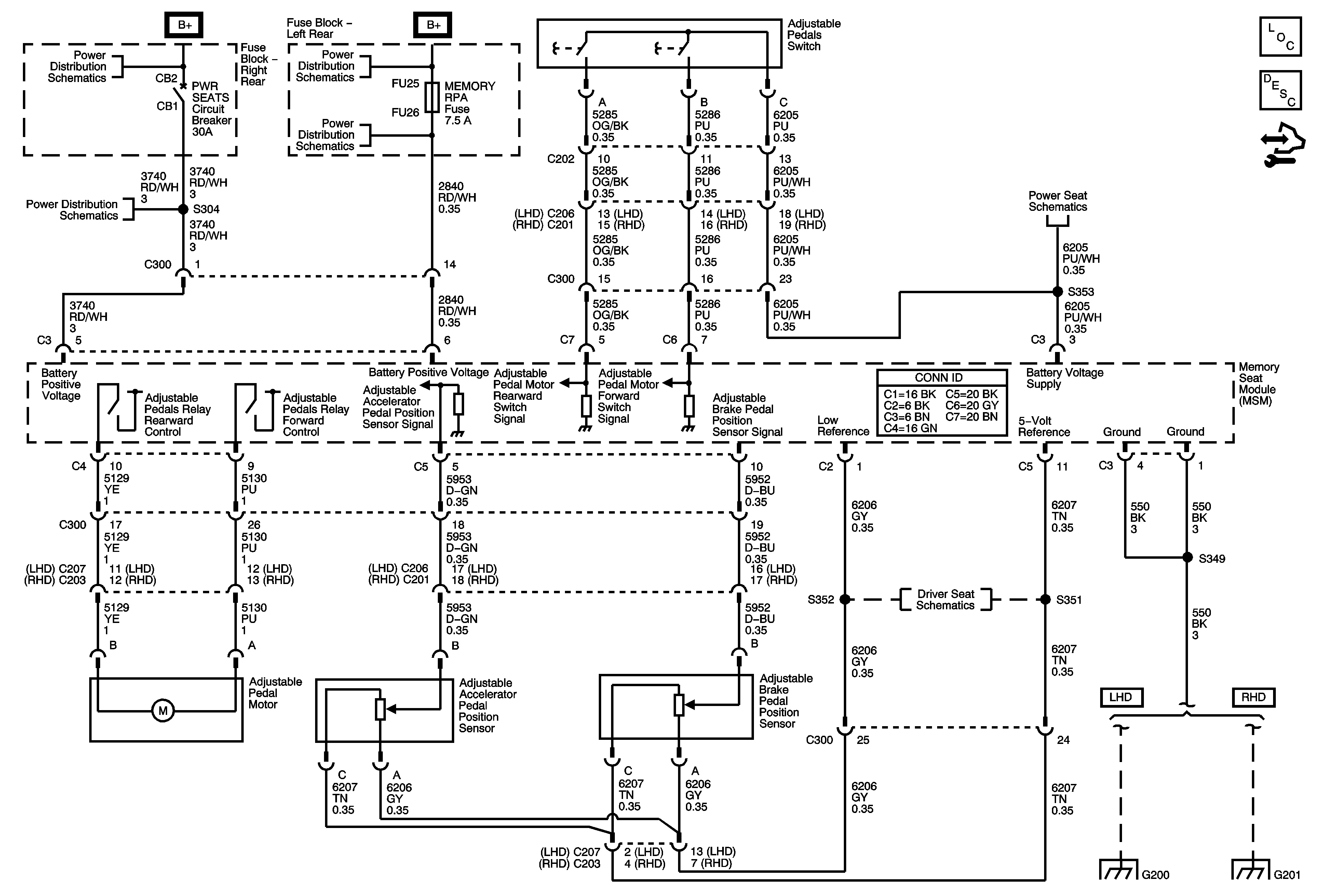
Adjustable Pedals Schematics
Master Electrical Component List
Adjustable Pedals Description and Operation
Control Module References
Right Rear Fuse Block B+ Bus
Left Rear Fuse Block B+ Bus
APO Fuse, DRIVER DR MOD Fuse, MEMORY RPA Fuse, and PWR WNDWS Fuse
PWR SEATS Circuit Breaker, SUNROOF MOD Fuse, THEFT VGDO/RFA Fuse
Memory Seat Module Power, Ground and Seat Adjuster Switches (A45)
Memory Seat Position Sensors and Motors
G200 (2 of 2) LHD
G201 (RHD)