GM Service Manual Online
For 1990-2009 cars only
Makes
🢒
Cadillac
🢒
2007
🢒
SRX
🢒 Driver Power Outside Mirror A45
Driver Power Outside Mirror A45
Driver Power Outside Mirror A45
Master Electrical Component List
Outside Mirror Description and Operation
Control Module References
Front Passenger Power Outside Mirror (A45)
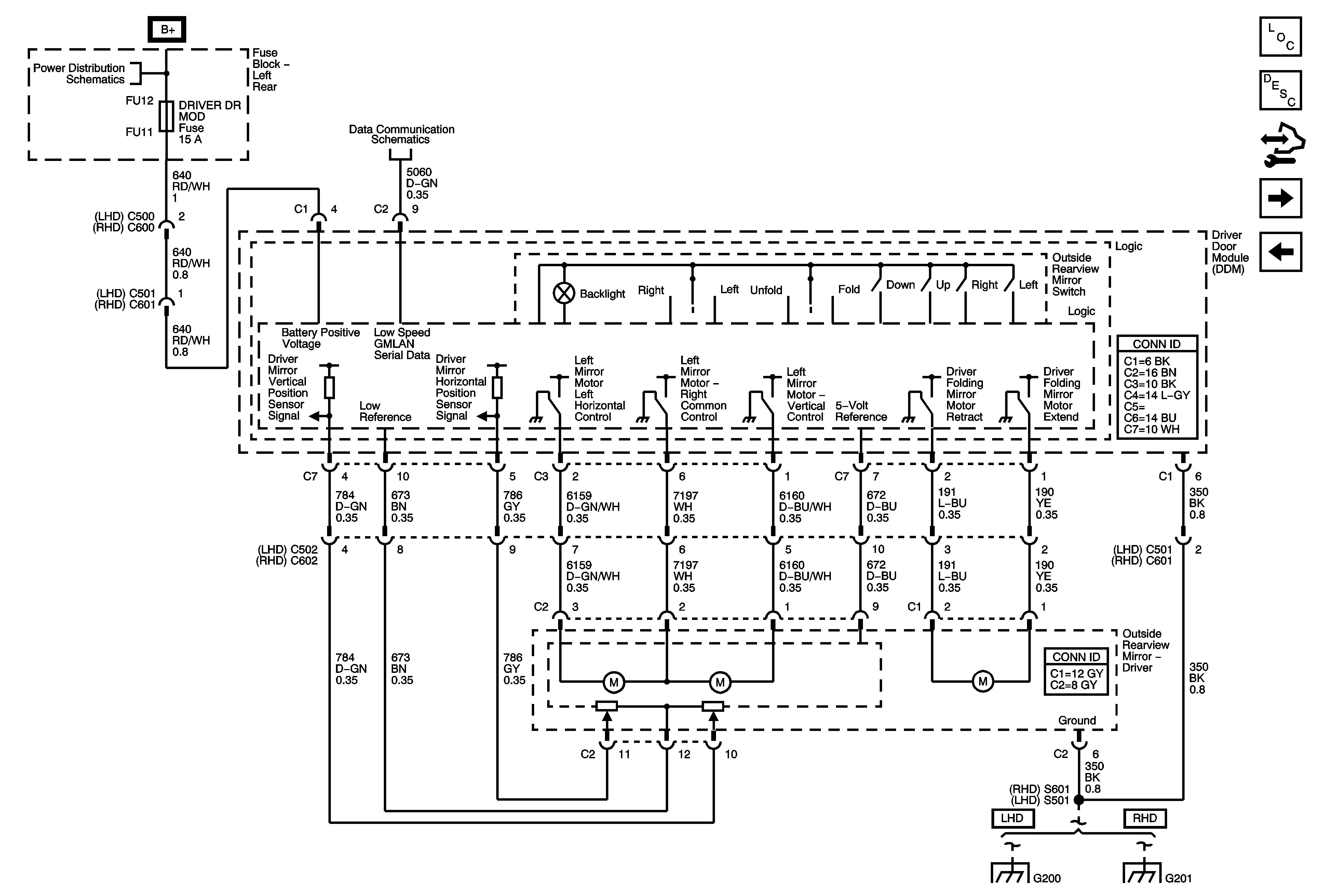
Driver Power Outside Mirror (A45)
Left Rear Fuse Block B+ Bus
Low Speed GMLAN Serial Data 1 of 2
G200 (2 of 2) LHD
G201 (RHD)