GM Service Manual Online
For 1990-2009 cars only
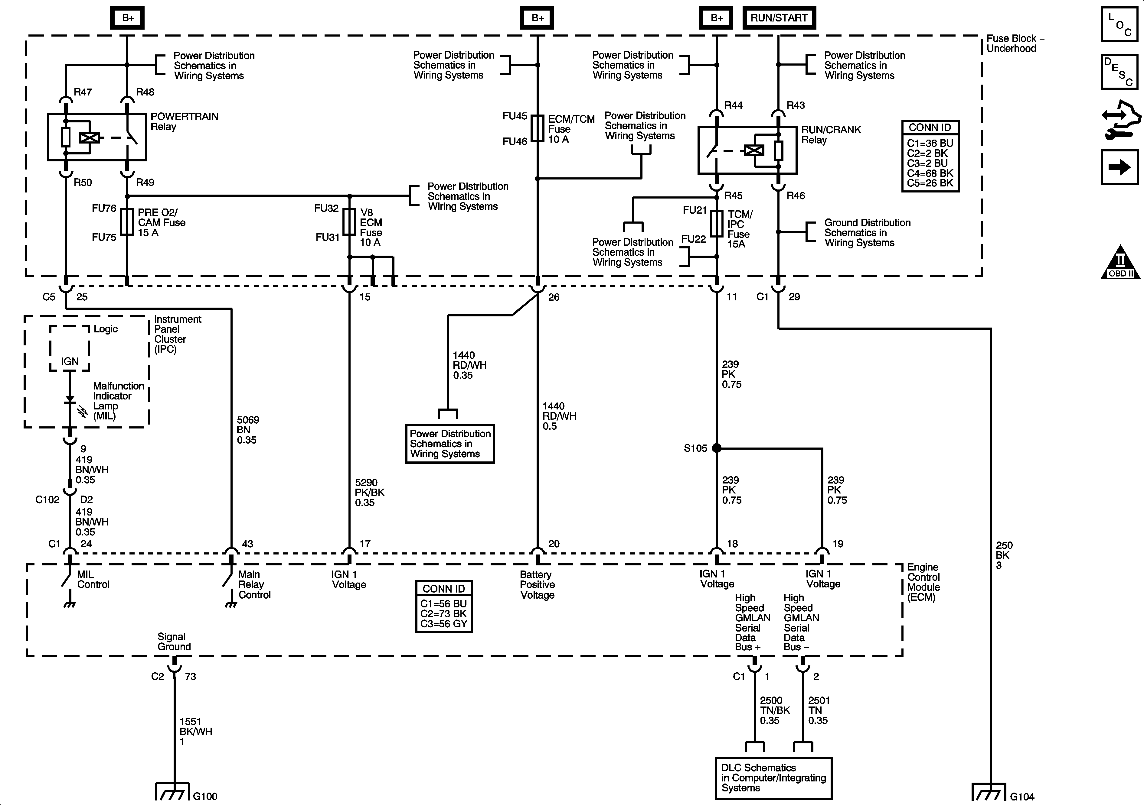
Figure 1:

ECM Power, Ground, Serial Data, and MIL


Object Number: 1349788  Size: FS
Master Electrical Component List
Engine Control Module Description
Control Module References
Engine Data Sensors, 5 Volt and Low References
Engine Controls Schematic Icons
Fuse Block Underhood Bussing
Fuse Block Underhood Bussing
Fuse Block Underhood Bussing
Fuse Block Underhood Bussing
Fuse Block-Underhood Fuses/Relay: IPM/ALDL, Auto Headlamp Dimming, CCP, ECM/TCM, WPR MOD, WPR SW/VICS and Rain Sensor/HDLP Wash Fuses. Accessory Relay
Fuse Block-Underhood: Starter IGN 1 Relays; Starter, Starter Relay, CCP, TCM/IPM/ECM, MAF, ABS and Washer Nozzle/ACC Fuses
Fuse Block Right Rear: LT Turn Signal, RIM(1), Rear Fog Lamp, FT Passenger Door Module, Heated Steering Column, IGN 1, RIM(2) and Airbag Fuses; Rear Fog Lamp and IGN 1 Relays
G104 (1 of 2)
Fuse Block-Underhood Fuses/Relay: IPM/ALDL, Auto Headlamp Dimming, CCP, ECM/TCM, WPR MOD, WPR SW/VICS and Rain Sensor/HDLP Wash Fuses. Accessory Relay
G100 (LH2)
G104 (1 of 2)
Figure 2:

Engine Data Sensors - 5-Volt and Low Reference


Object Number: 1349780  Size: FS
Master Electrical Component List
Engine Control Module Description
Control Module References
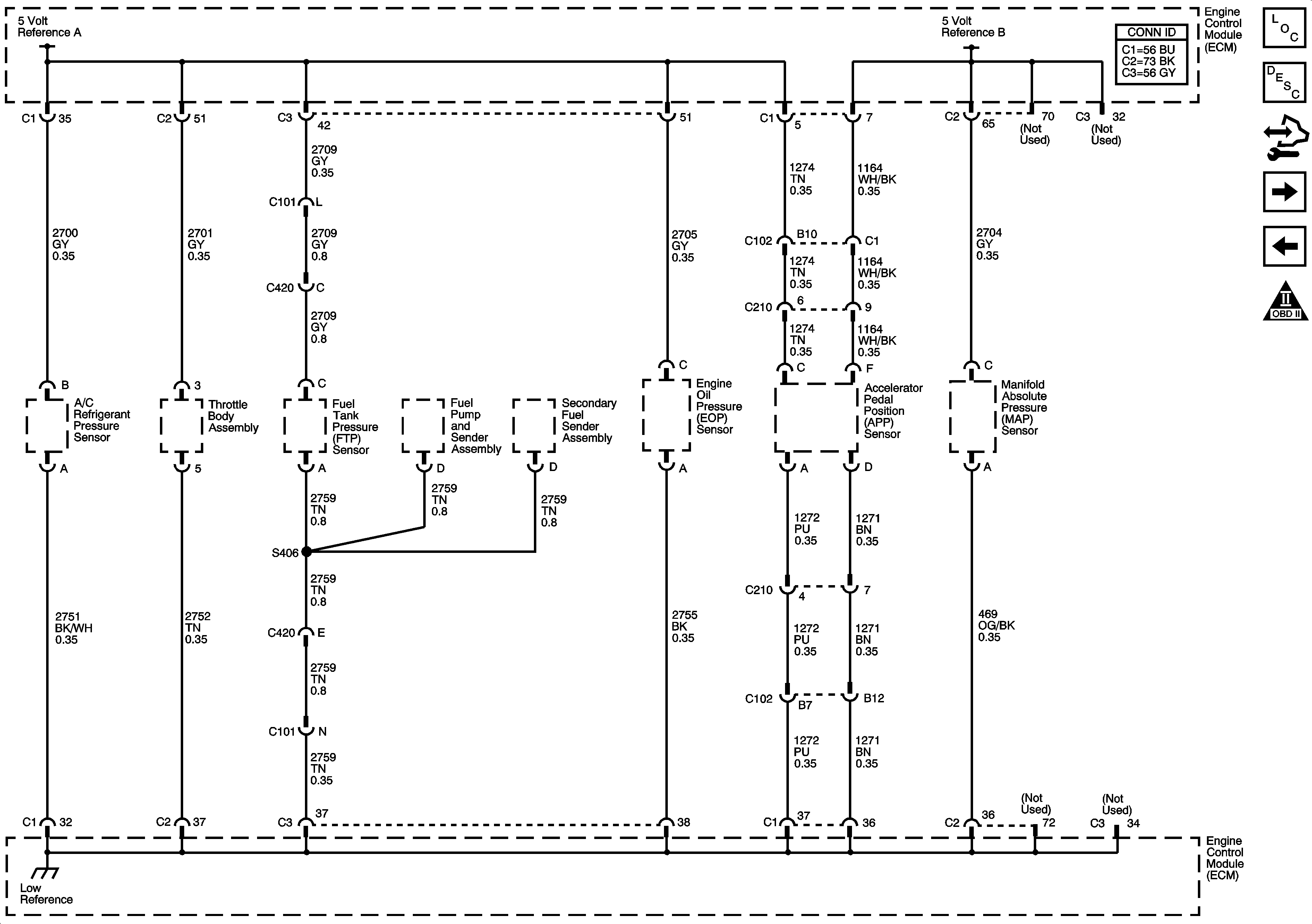
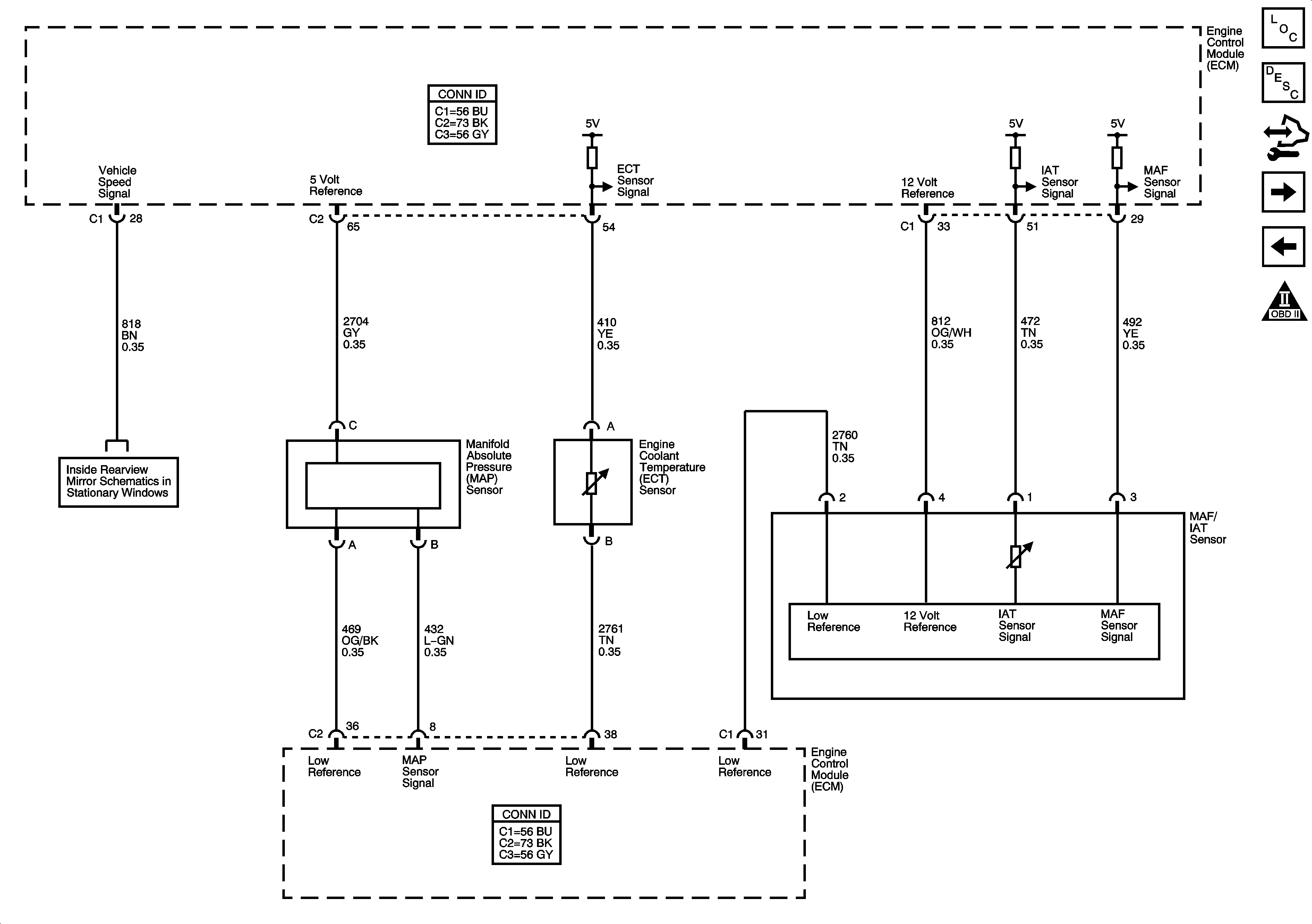
Engine Data Sensors - Pressure, Temperature, MAF, VSS
ECM Power, Ground, DLC and MIL
Engine Controls Schematic Icons
Figure 3:

Engine Data Sensors - Pressure, Temperature, MAF, VSS


Object Number: 1349763  Size: FS
Master Electrical Component List
Air Intake System Description
Control Module References
Engine Data Sensors - Oxygen Sensors
Engine Data Sensors, 5 Volt and Low References
Engine Controls Schematic Icons
Automatic Headlamp Dimming Signals, VSS (TT6)
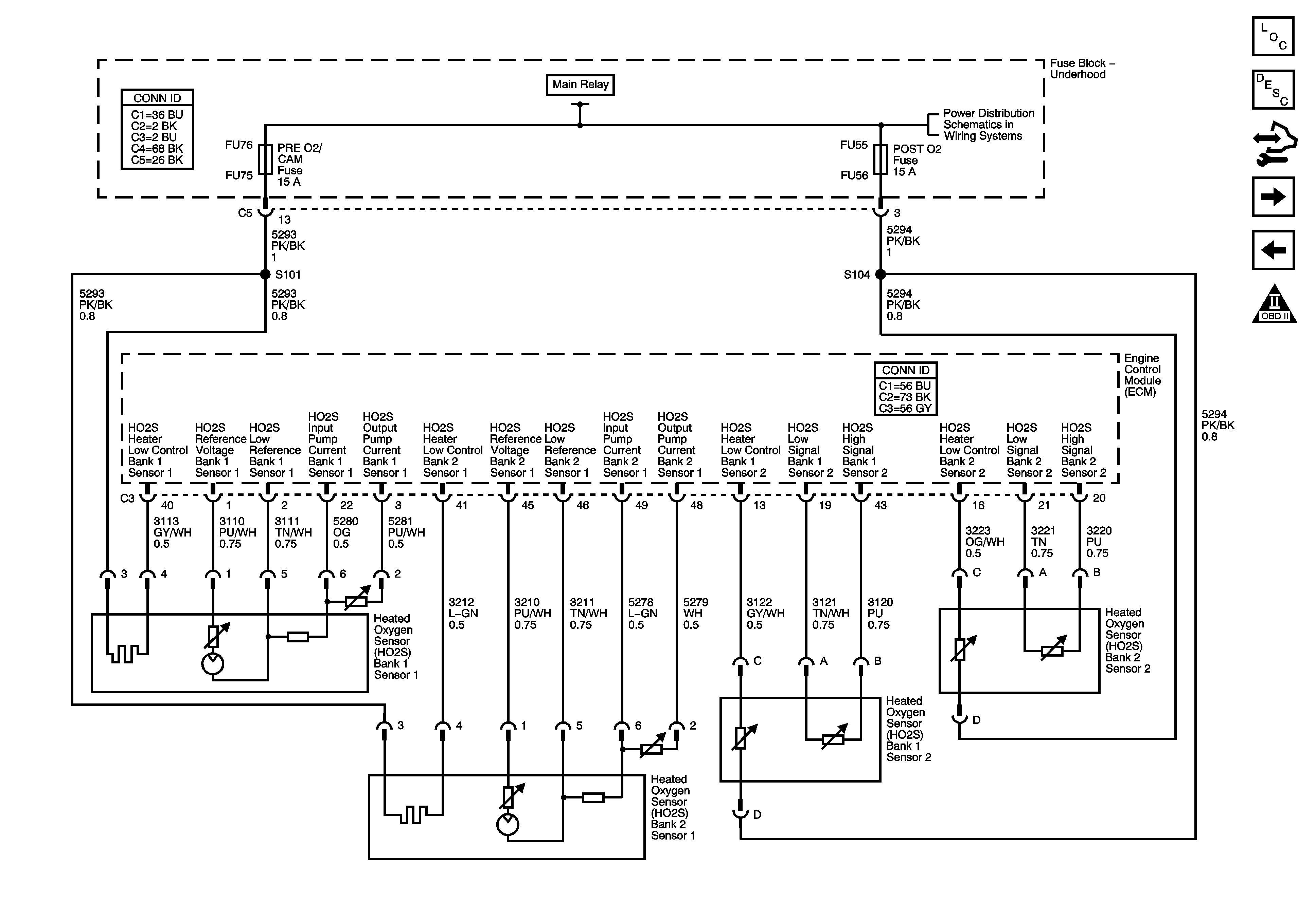
Figure 4:

Engine Data Sensors - Oxygen Sensors


Object Number: 1349759  Size: FS
Master Electrical Component List
Fuel System Description
Control Module References
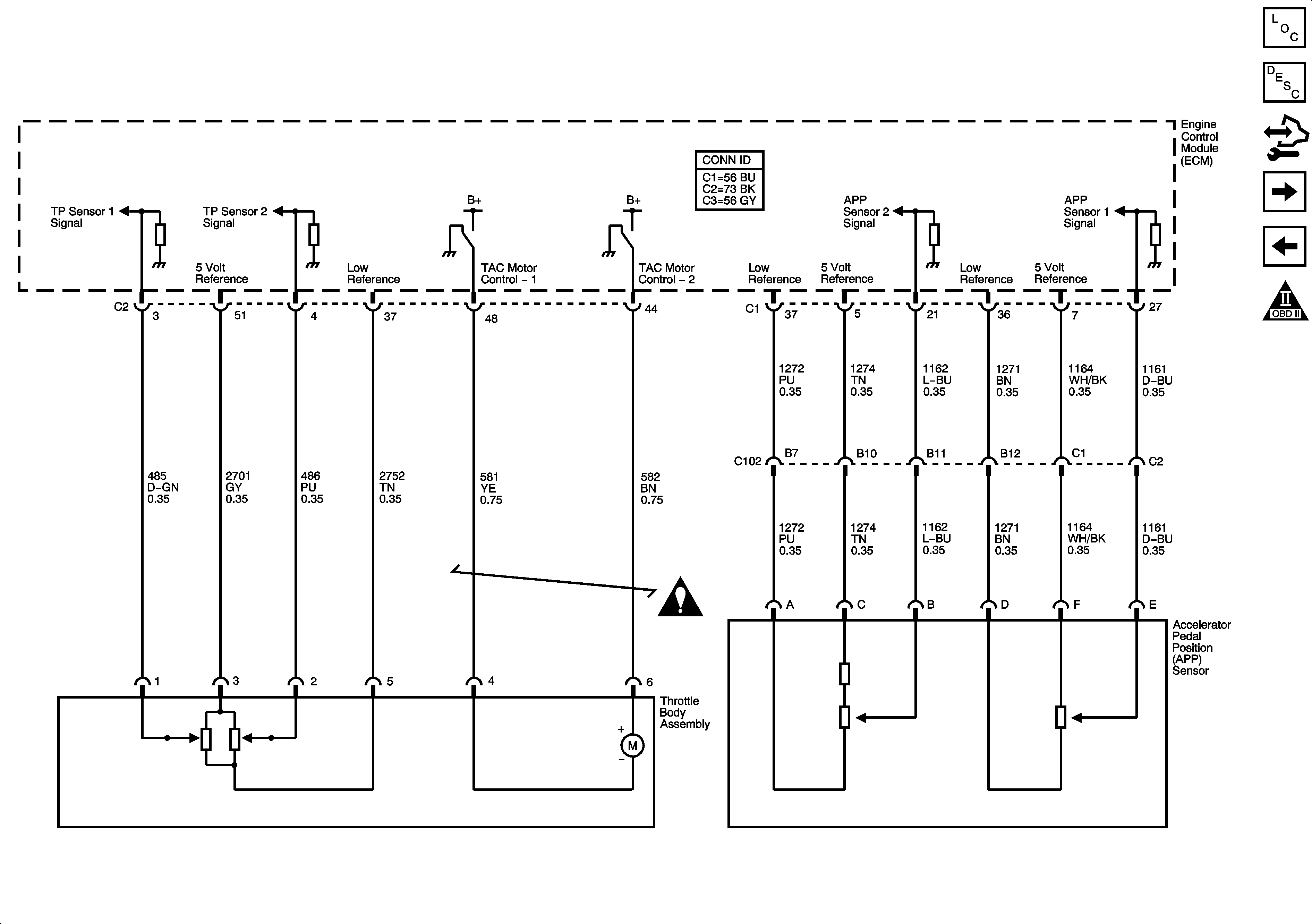
Engine Data Sensors - Electronic Throttle Controls
Engine Data Sensors - Pressure, Temperature, MAF, VSS
Engine Controls Schematic Icons
Fuse Block Underhood Bussing
Figure 5:

Engine Data Sensors - Electronic Throttle Controls


Object Number: 1349793  Size: FS
Master Electrical Component List
Throttle Actuator Control (TAC) System Description
Control Module References
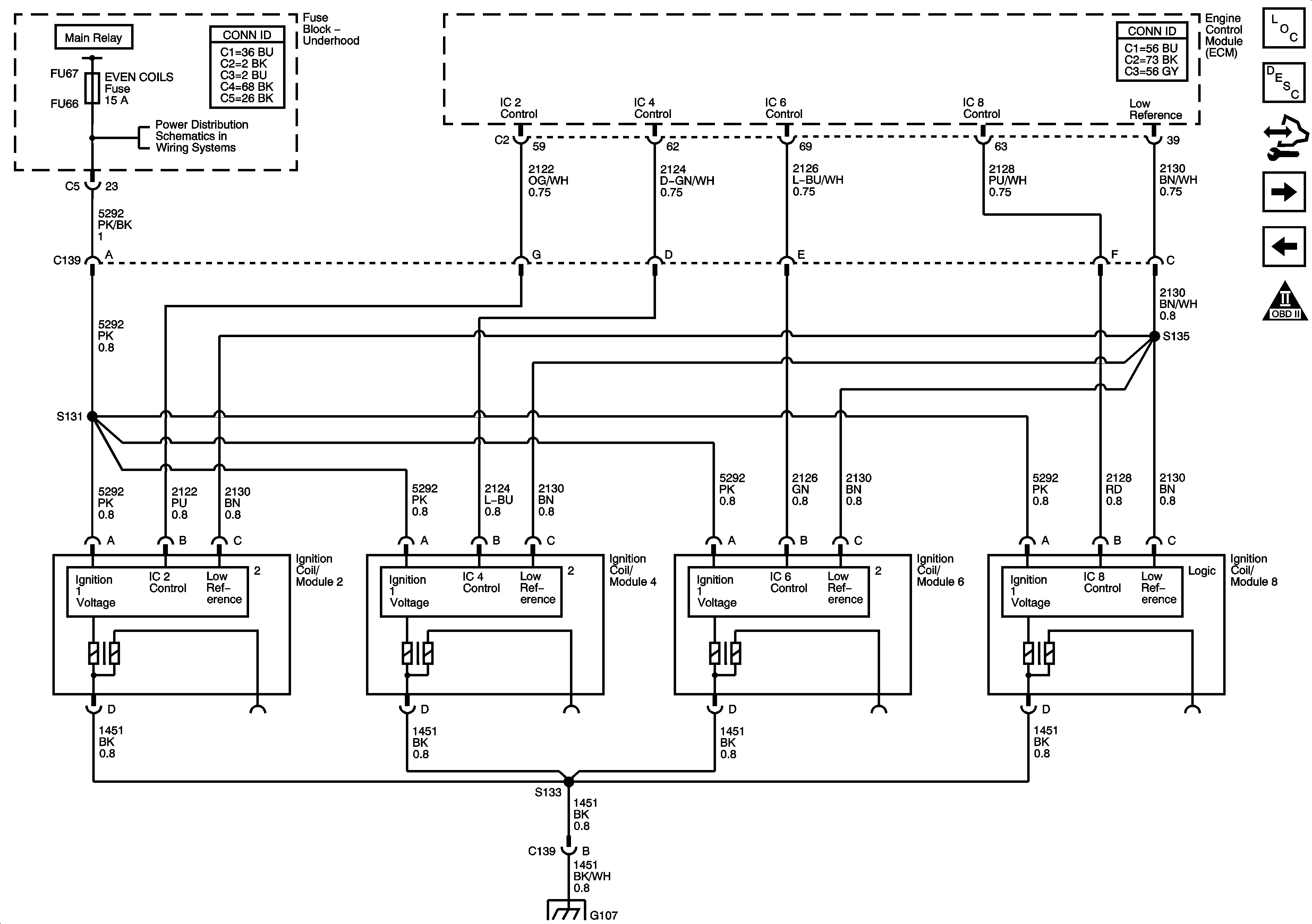
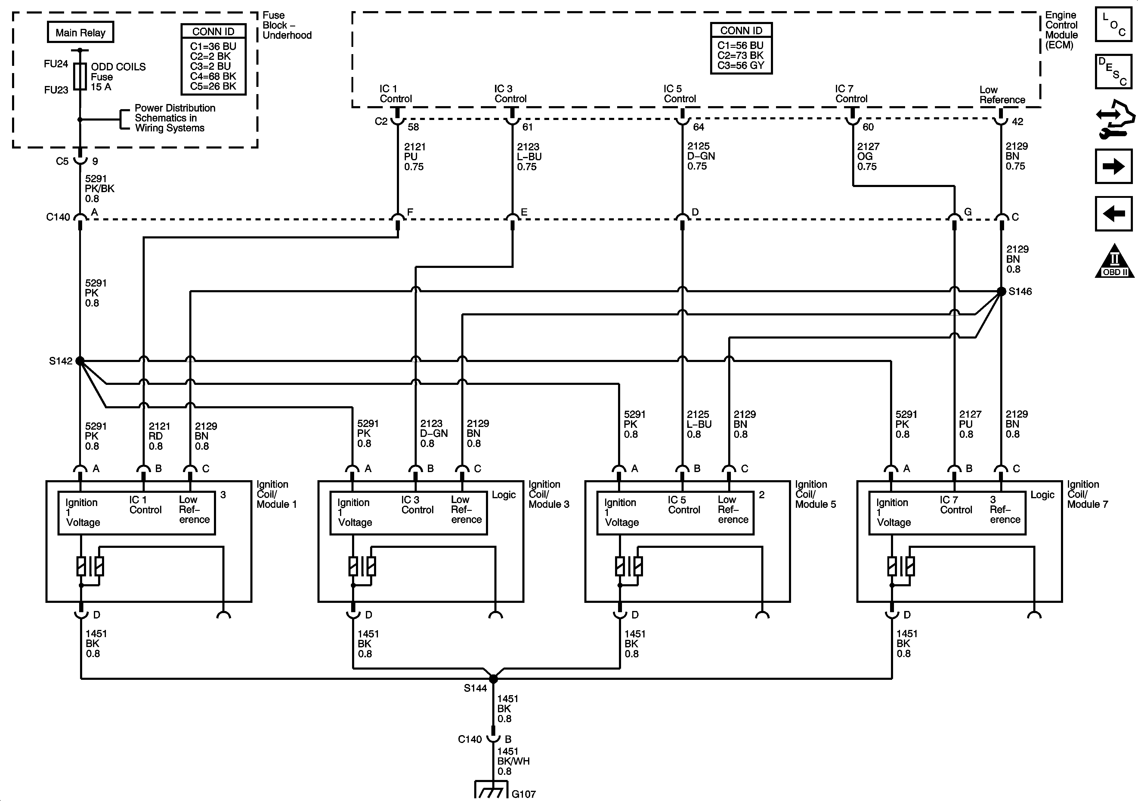
Igniton Controls - Ignition System Bank 1
Engine Data Sensors - Oxygen Sensors
Engine Controls Schematic Icons
Engine Controls Schematic Icons
Figure 6:

Ignition Controls - Ignition System Bank 1


Object Number: 1349784  Size: FS
Master Electrical Component List
Electronic Ignition (EI) System Description
Control Module References
Ignition Controls - Ignition System Bank 2
Engine Data Sensors - Electronic Throttle Controls
Engine Controls Schematic Icons
Fuse Block Underhood: Odd INJ/COILS, Even INJ/COILS and POST 02 Fuses
G107 (LH2), G113 (LY7)
Figure 7:

Ignition Controls - Ignition System Bank 2


Object Number: 1349754  Size: FS
Master Electrical Component List
Electronic Ignition (EI) System Description
Control Module References
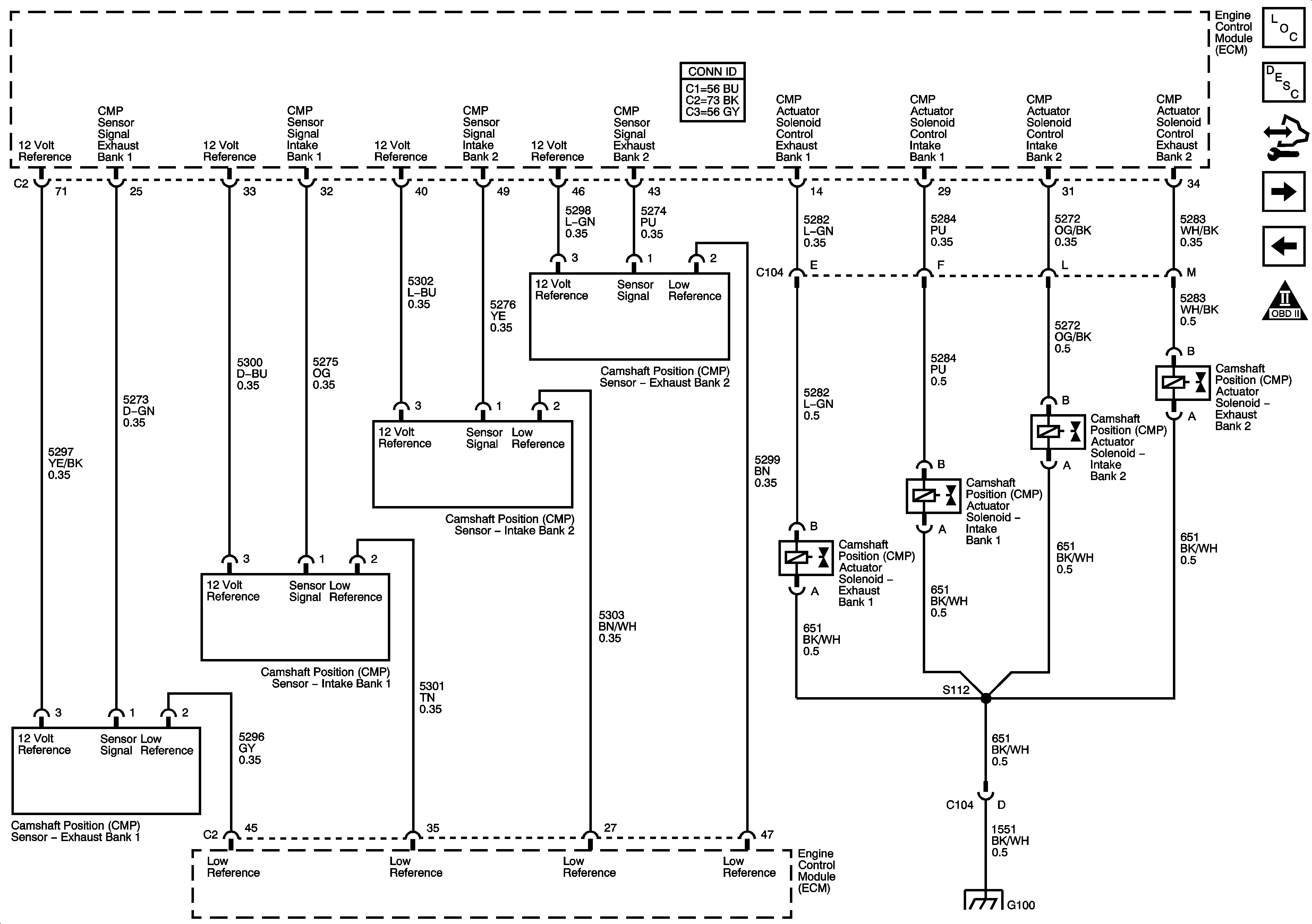
Camshaft Position (CMP) Sensors and Actuators
Igniton Controls - Ignition System Bank 1
Engine Controls Schematic Icons
Fuse Block Underhood: Odd INJ/COILS, Even INJ/COILS and POST 02 Fuses
G107 (LH2), G113 (LY7)
Figure 8:

Ignition Controls - CMP Sensors and Solenoids


Object Number: 1349786  Size: FS
Master Electrical Component List
Camshaft Actuator System Description
Control Module References
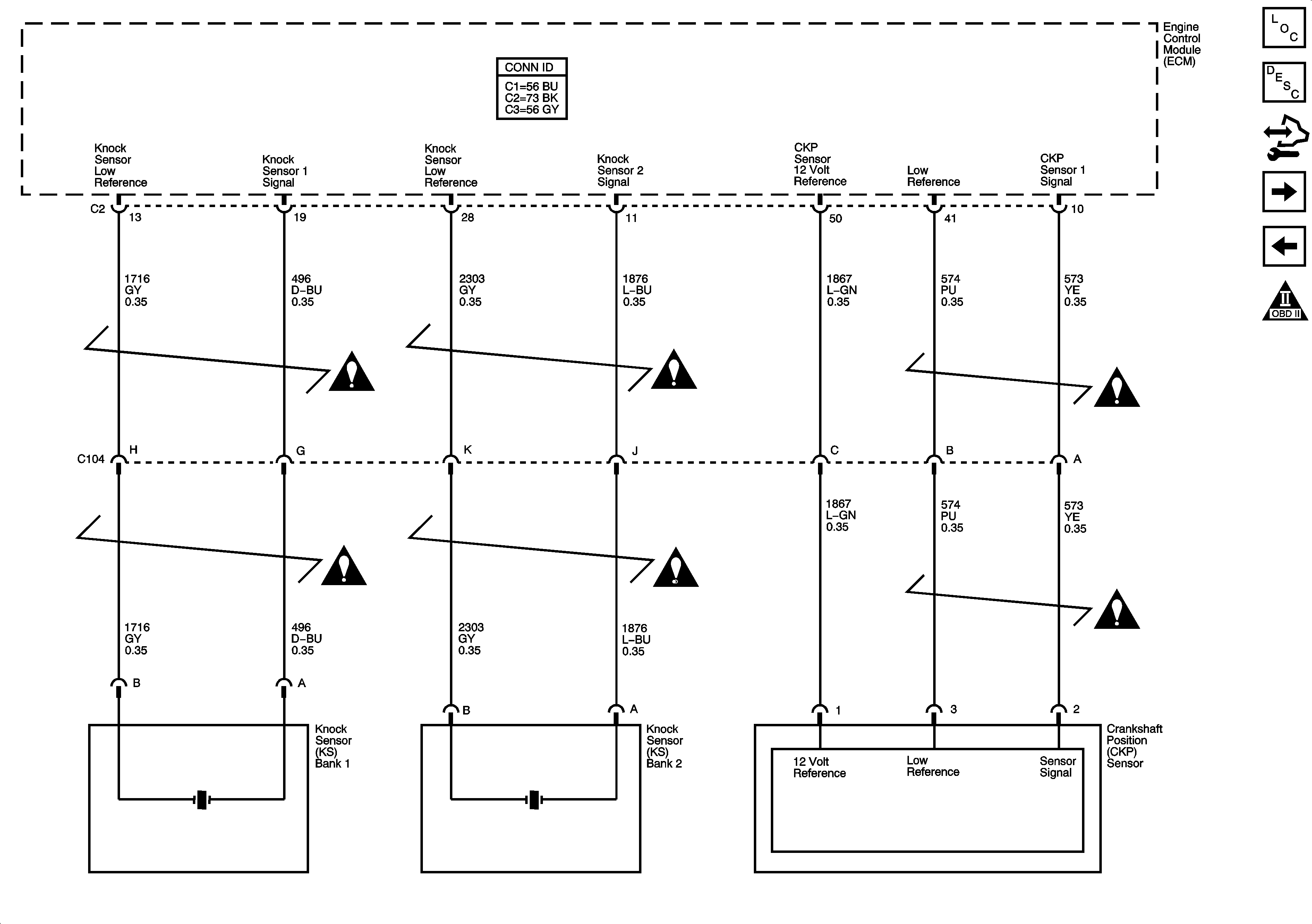
Ignition Controls - Crankshaft Position (CKP) Sensor and Knock Sensors
Ignition Controls - Ignition System Bank 2
Engine Controls Schematic Icons
G100 (LH2)
Figure 9:

Crankshaft Position (CKP) Sensor and Knock Sensors


Object Number: 1349792  Size: FS
Master Electrical Component List
Knock Sensor (KS) System Description
Control Module References
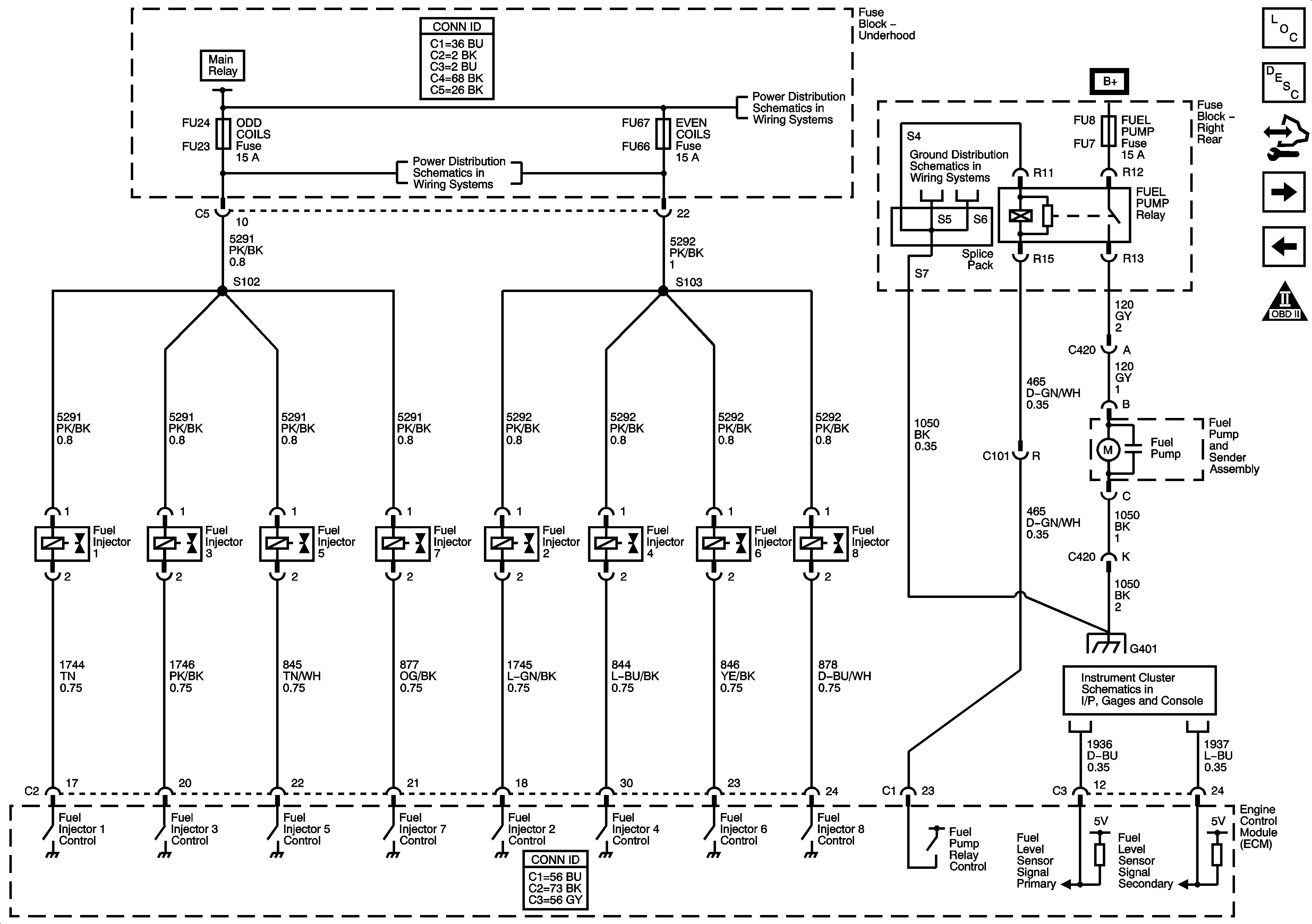
Fuel Controls - Injectors and Pump
Camshaft Position (CMP) Sensors and Actuators
Engine Controls Schematic Icons
Engine Controls Schematic Icons
Engine Controls Schematic Icons
Engine Controls Schematic Icons
Engine Controls Schematic Icons
Engine Controls Schematic Icons
Engine Controls Schematic Icons
Figure 10:

Fuel Controls - Injectors and Pump


Object Number: 1349734  Size: FS
Master Electrical Component List
Fuel System Description
Control Module References
Fuel Controls - EVAP and Fuel Tank Pressure (FTP) Sensor
Ignition Controls - Crankshaft Position (CKP) Sensor and Knock Sensors
Engine Controls Schematic Icons
Fuse Block Underhood: Odd INJ/COILS, Even INJ/COILS and POST 02 Fuses
Fuse Block Underhood Bussing
G401 (1 of 2)
G401 (1 of 2)
Instrument Panel Cluster Schematic - Engine Oil and Fuel Tank Level
Figure 11:

Fuel Controls - EVAP and Fuel Tank Pressure (FTP) Sensor


Object Number: 1349791  Size: FS
Master Electrical Component List
Evaporative Emission Control System Description
Control Module References
Controlled/Monitored Subsystem References
Fuel Controls - Injectors and Pump
Engine Controls Schematic Icons
Fuse Block Underhood LO SPD FAN, HI SPD FAN, V8 ECM, PRE 02/CAM and HFV6 ECM Fuses; Main, LO SPD, HI SPD and S/P FAN Relays
Fuse Block - Right Rear Bussing
Engine Data Sensors, 5 Volt and Low References
Figure 12:

Controlled/Monitored Subsystem References


Object Number: 1349795  Size: FS
Master Electrical Component List
Engine Control Module Description
Control Module References
Fuel Controls - EVAP and Fuel Tank Pressure (FTP) Sensor
Engine Controls Schematic Icons
TCM Power, Grounds and DLC
Starting System - LH2
Charging System
Cooling Fans
Shift Lock Control Schematics
Indicators
Instrument Panel Cluster Schematic - Engine Oil and Fuel Tank Level
A/C Refrigerant Pressure Sensor and Compressor Clutch
Backup Lamps, CHMSL - Domestic and Export