GM Service Manual Online
For 1990-2009 cars only
Makes
🢒
Cadillac
🢒
2005
🢒
STS
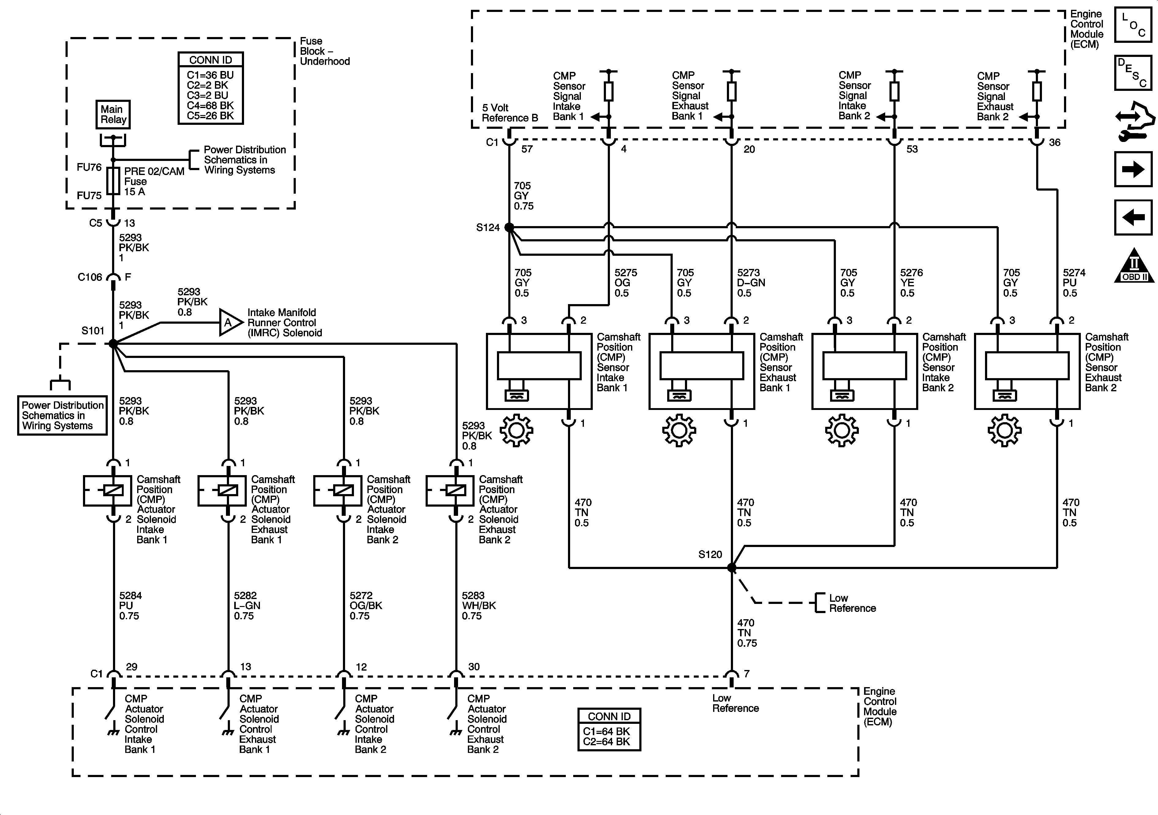
🢒 Camshaft Position (CMP) Sensors and Solenoids
Camshaft Position (CMP) Sensors and Solenoids
Ignition Controls - CMP Sensors and Solenoids
Master Electrical Component List
Engine Control Module Description
Control Module References
Ignition Controls -Crankshaft Position (CKP) and Knock Sensors
Ignition Controls - Bank 2 Ignition Coils
Engine Controls Schematic Icons
Fuse Block Underhood Bussing
Ignition Controls -Crankshaft Position (CKP) and Knock Sensors
Fuse Block Underhood LO SPD FAN, HI SPD FAN, V8 ECM, PRE 02/CAM and HFV6 ECM Fuses; Main, LO SPD, HI SPD and S/P FAN Relays
Engine Data Sensors - Low Reference Bus