GM Service Manual Online
For 1990-2009 cars only
Makes
🢒
Cadillac
🢒
2005
🢒
STS
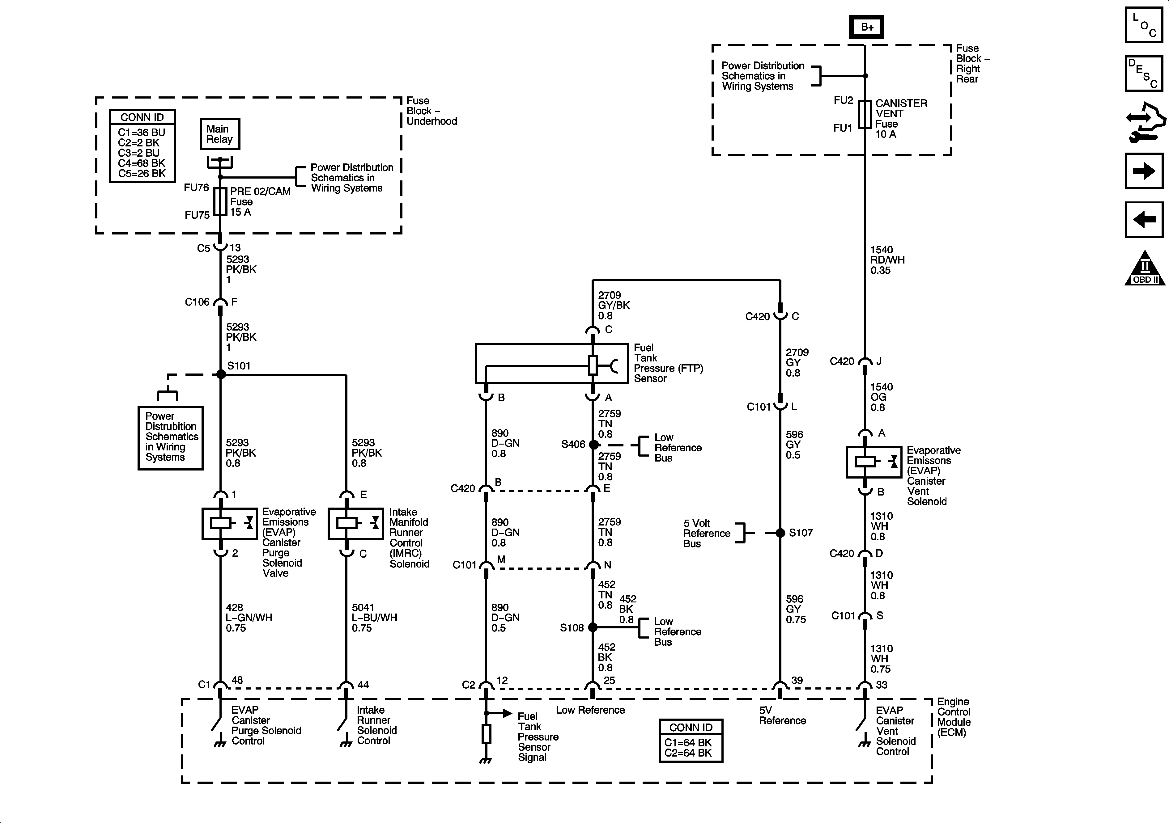
🢒 Fuel Controls - EVAP Conrols
Fuel Controls - EVAP Conrols
Fuel Controls - EVAP Controls
Master Electrical Component List
Engine Control Module Description
Control Module References
Controlled/Monitored Subsystem References
Fuel Controls - Fuel Pump and Injectors
Engine Controls Schematic Icons
Fuse Block Underhood Bussing
Fuse Block - Right Rear Bussing
Fuse Block Underhood LO SPD FAN, HI SPD FAN, V8 ECM, PRE 02/CAM and HFV6 ECM Fuses; Main, LO SPD, HI SPD and S/P FAN Relays
Engine Data Sensors - Low Reference Bus
Engine Data Sensors - 5 Volt Reference Bus
Engine Data Sensors - Low Reference Bus