GM Service Manual Online
For 1990-2009 cars only
Makes
🢒
Cadillac
🢒
2005
🢒
STS
🢒 Fuel Controls - Fuel Pump and Injectors
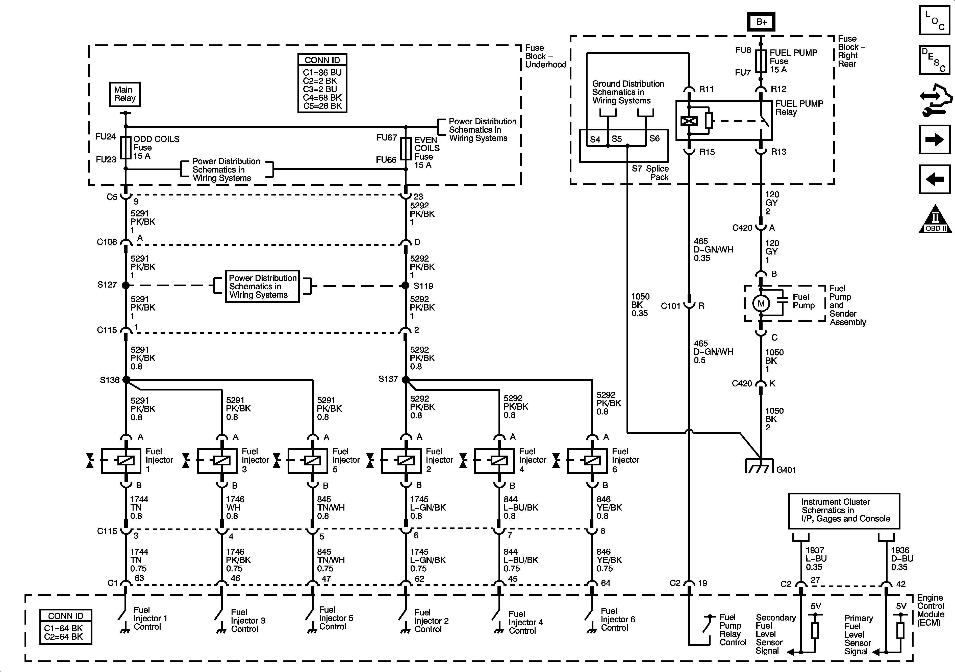
Fuel Controls - Fuel Pump and Injectors
Fuel Controls - Fuel Pump and Injectors
Master Electrical Component List
Engine Control Module Description
Control Module References
Fuel Controls - EVAP Conrols
Ignition Controls -Crankshaft Position (CKP) and Knock Sensors
Engine Controls Schematic Icons
Fuse Block Underhood: Odd INJ/COILS, Even INJ/COILS and POST 02 Fuses
Fuse Block Underhood: Odd INJ/COILS, Even INJ/COILS and POST 02 Fuses
Fuse Block Underhood Bussing
G401 (1 of 2)
G401 (1 of 2)
Instrument Panel Cluster Schematic - Engine Oil and Fuel Tank Level