GM Service Manual Online
For 1990-2009 cars only
Makes
🢒
Cadillac
🢒
2005
🢒
STS
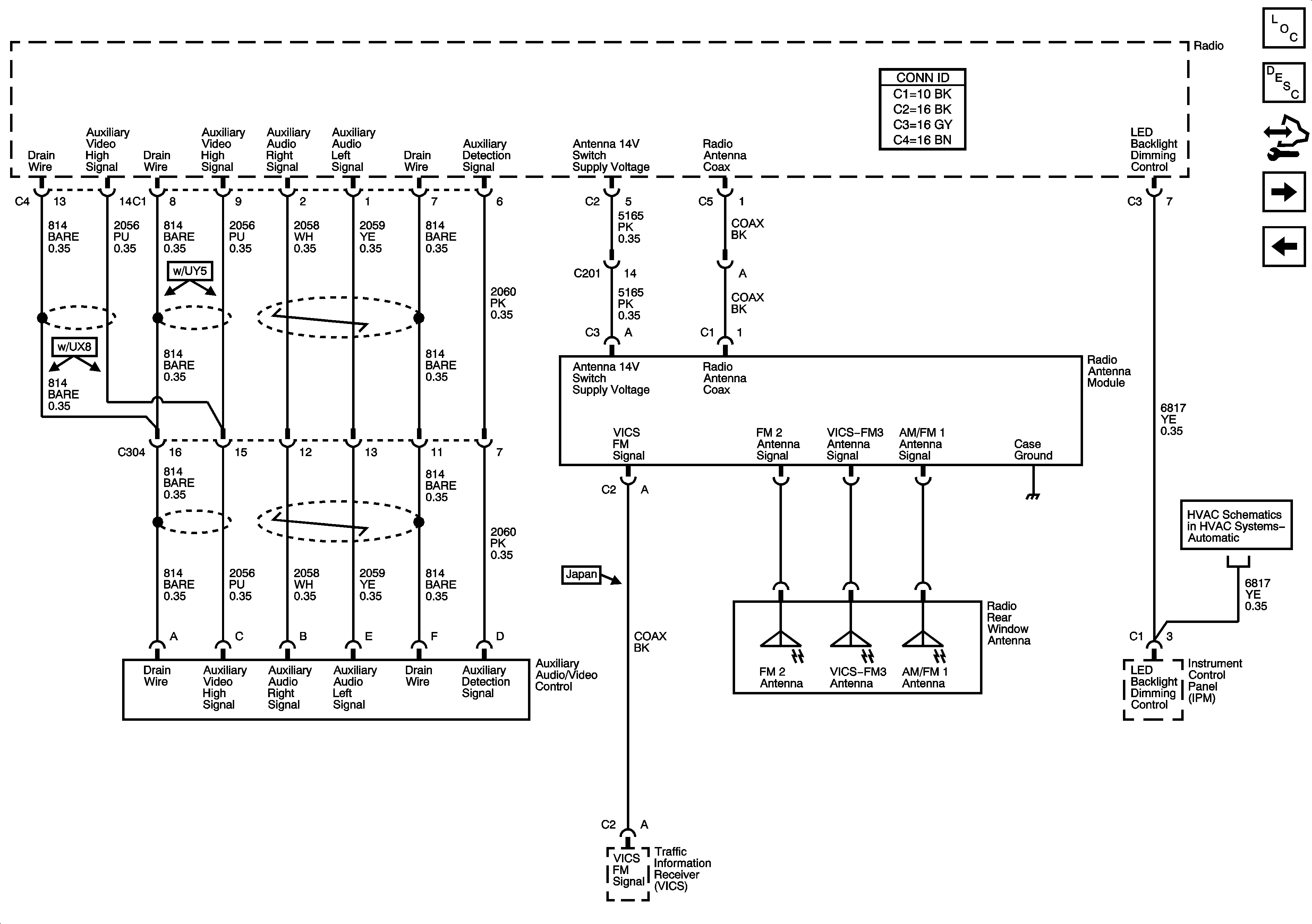
🢒 Radio Antennas, Audio/Video Adapter
Radio Antennas, Audio/Video Adapter
Radio Antennas, Audio/Video Adapter
Master Electrical Component List
Radio/Audio System Description and Operation
Control Module References
Digital Radio Receiver - w/U2K
Radio/Audio System - Speakers Bose (w/UY5) (3 of 3)