GM Service Manual Online
For 1990-2009 cars only
Makes
🢒
Cadillac
🢒
2007
🢒
STS
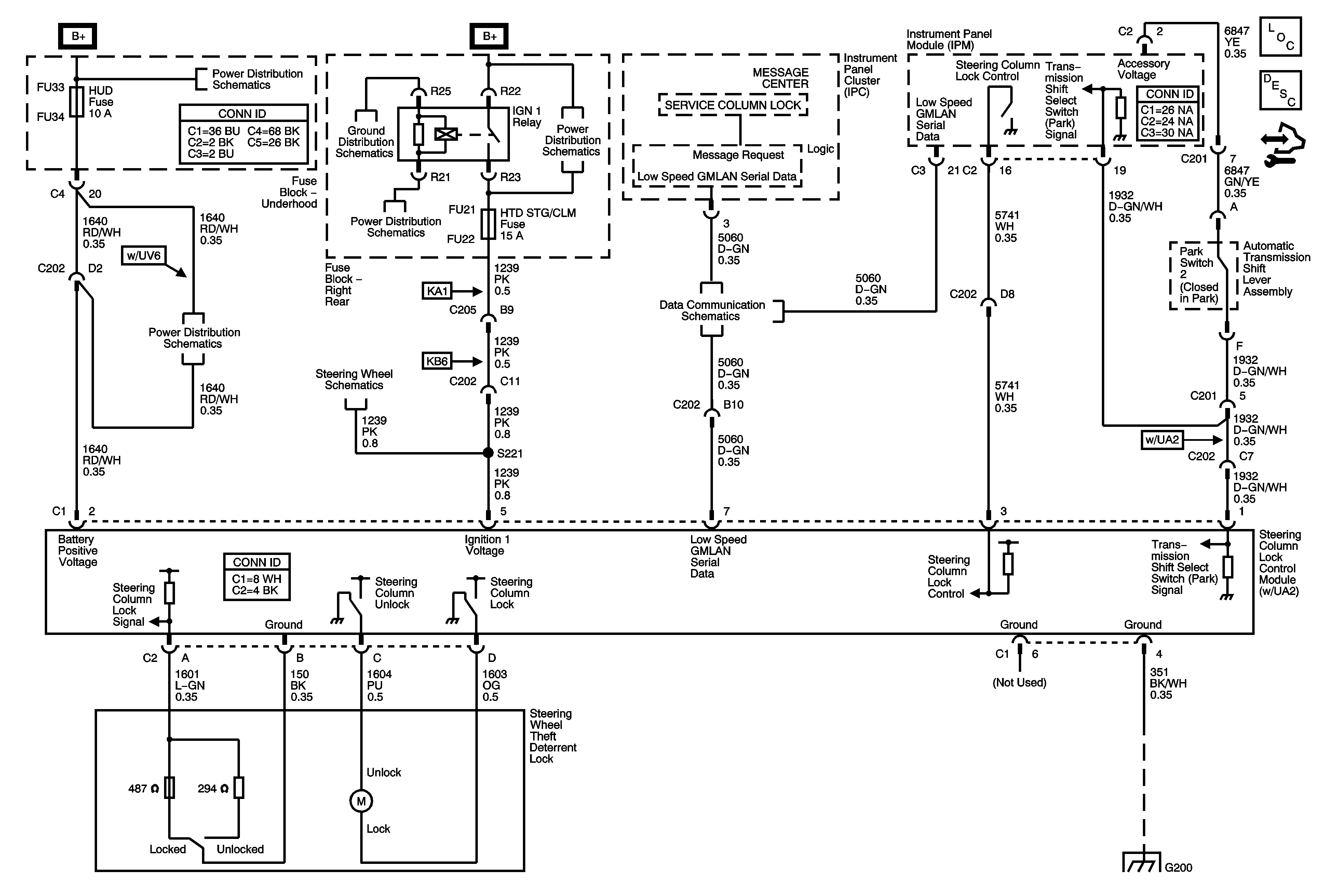
🢒 Column Lock Schematics
Column Lock Schematics
Master Electrical Component List
Steering Wheel and Column Description and Operation
Control Module References
Fuse Block Underhood Wiring Bussing
G401 (2 of 2)
Fuse Block - Right Rear - Lt Turn Signal, RIM 1, Rear Fog Lamp, Ft Pass Door Module, Htd Stg Clm, IGN 1, RIM 2 and Airbag Fuses, Rear Fog Lamp and Ign 1 Relays
Ignition Mode Switch
Fuse Block - Underhood: HUD, Front Blower, Comp Clutch, Fog Lamp, Horn Fuses, Hdlp Asher Circuit Breaker, Main Relay
Heated Steering Wheel (NR7/N31)
GM LAN - Low Speed 2 of 2
G200 (2 of 2)