GM Service Manual Online
For 1990-2009 cars only
Makes
🢒
Cadillac
🢒
2007
🢒
STS
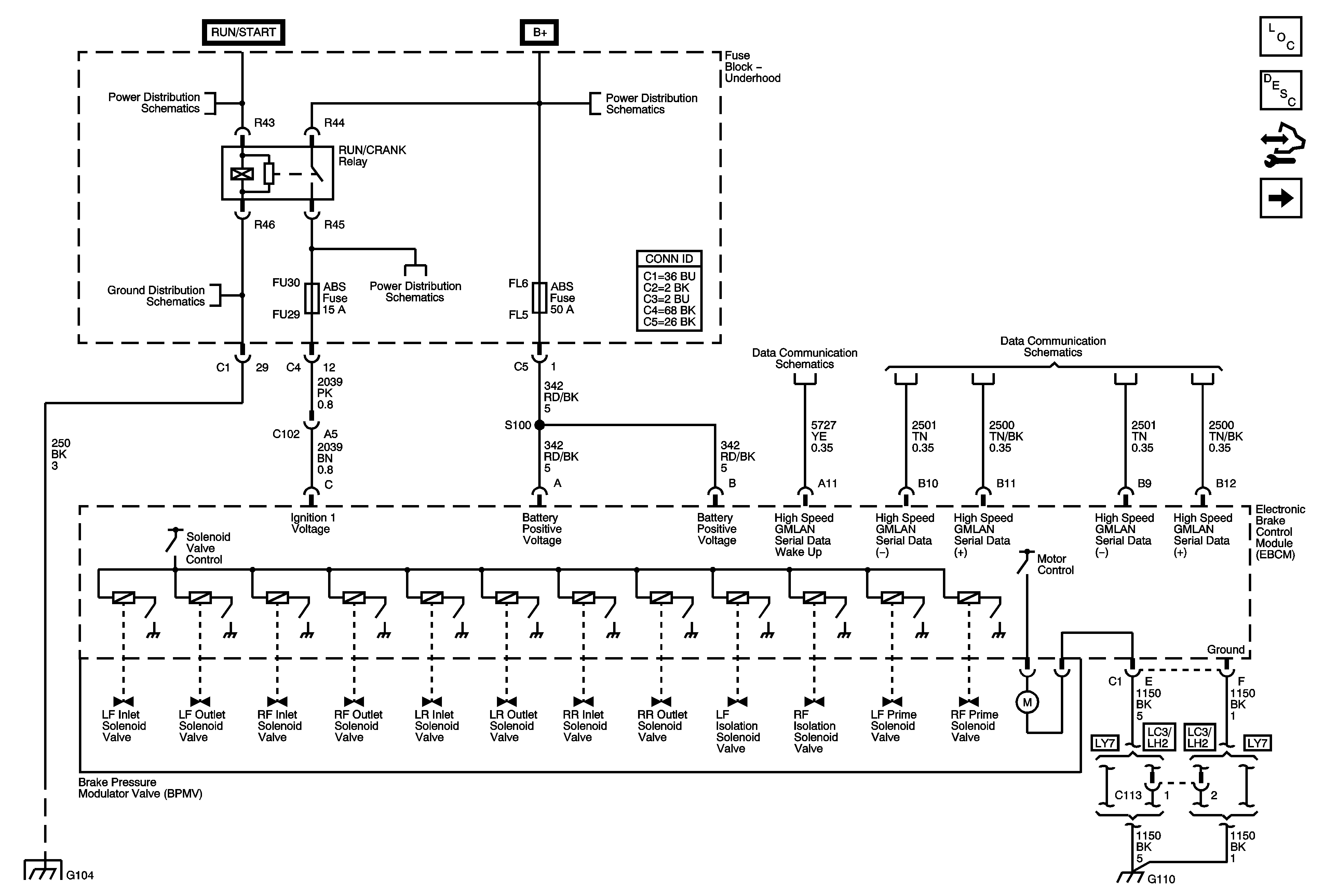
🢒 EBCM Module Power, Ground, and DLC
EBCM Module Power, Ground, and DLC
EBCM Module Power, Ground and DLC
Master Electrical Component List
ABS Description and Operation
Control Module References
Wheel Speed Sensors
Fuse Block - Right Rear - Lt Turn Signal, RIM 1, Rear Fog Lamp, Ft Pass Door Module, Htd Stg Clm, IGN 1, RIM 2 and Airbag Fuses, Rear Fog Lamp and Ign 1 Relays
Fuse Block Underhood Wiring Bussing
G104 (1 of 2)
Fuse Block Underhood Wiring Bussing
GM LAN - High Speed Serial Data Wake Up
GM LAN - High Speed, Domestic w/ UE1
G104 (1 of 2)
G105, G106, G110, G306, G403 and G404