GM Service Manual Online
For 1990-2009 cars only
Makes
🢒
Cadillac
🢒
2007
🢒
STS
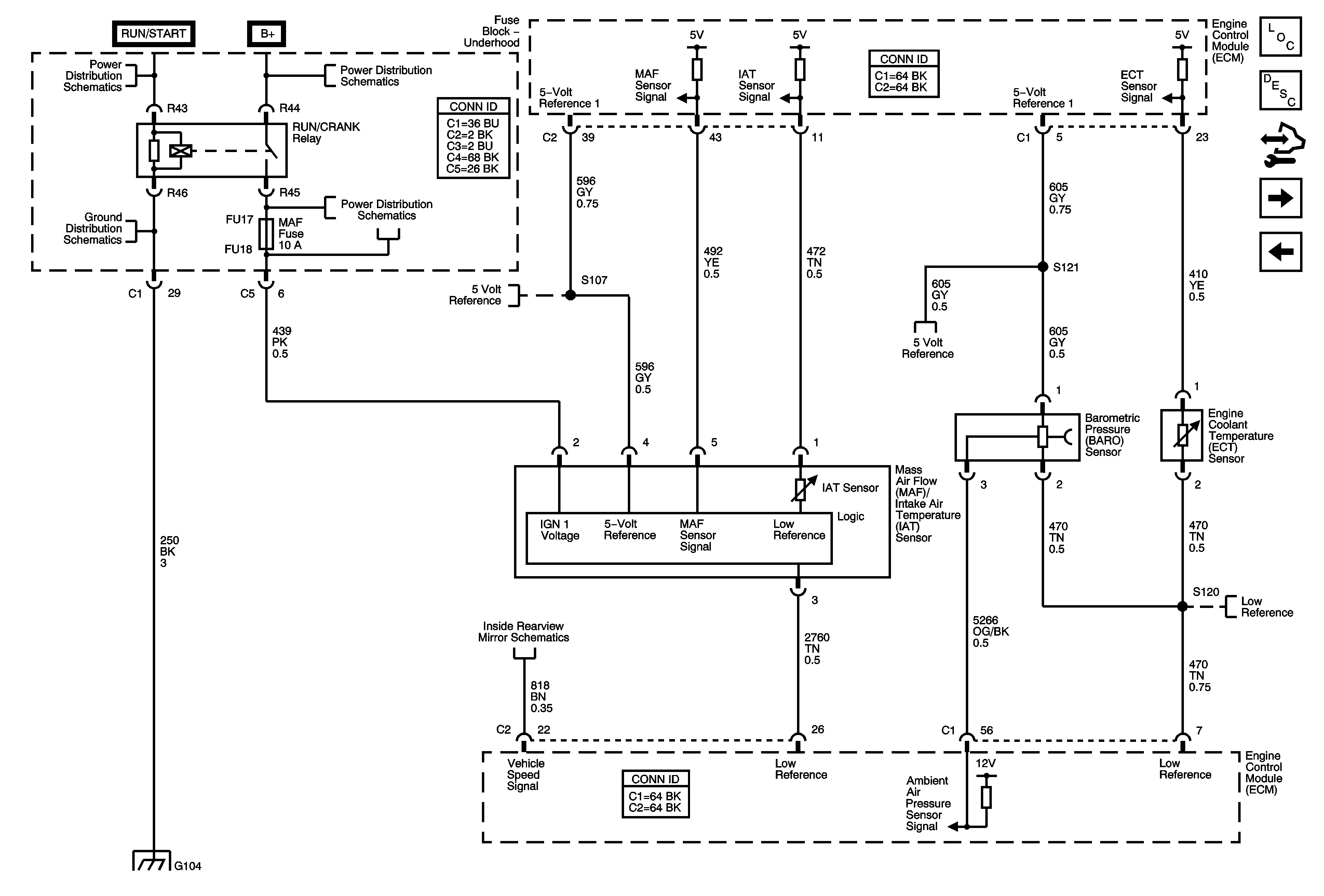
🢒 Engine Data Sensors - Pressure, Temperature, MAF, VSS
Engine Data Sensors - Pressure, Temperature, MAF, VSS
Engine Data Sensors - Pressure, Temperature, MAF, VSS
Master Electrical Component List
Engine Control Module Description
Control Module References
Engine Data Sensors - Oxygen Sensors
Engine Data Sensors - Low Reference Bus
Fuse Block - Right Rear - Lt Turn Signal, RIM 1, Rear Fog Lamp, Ft Pass Door Module, Htd Stg Clm, IGN 1, RIM 2 and Airbag Fuses, Rear Fog Lamp and Ign 1 Relays
G104 (1 of 2)
Fuse Block Underhood Wiring Bussing
Fuse Block - Underhood: Starter, RUN/CRANK Relays; Starter, Starter Relay, CCP, TCM/IPM/ECM, MAF, ABS and Washer Nozzle/ACC Fuses
Engine Data Sensors - 5-Volt Reference Bus
Engine Data Sensors - 5-Volt Reference Bus
Automatic Headlamp Dimming Signals
Engine Data Sensors - Low Reference Bus
G104 (1 of 2)