GM Service Manual Online
For 1990-2009 cars only
Makes
🢒
Cadillac
🢒
2007
🢒
STS
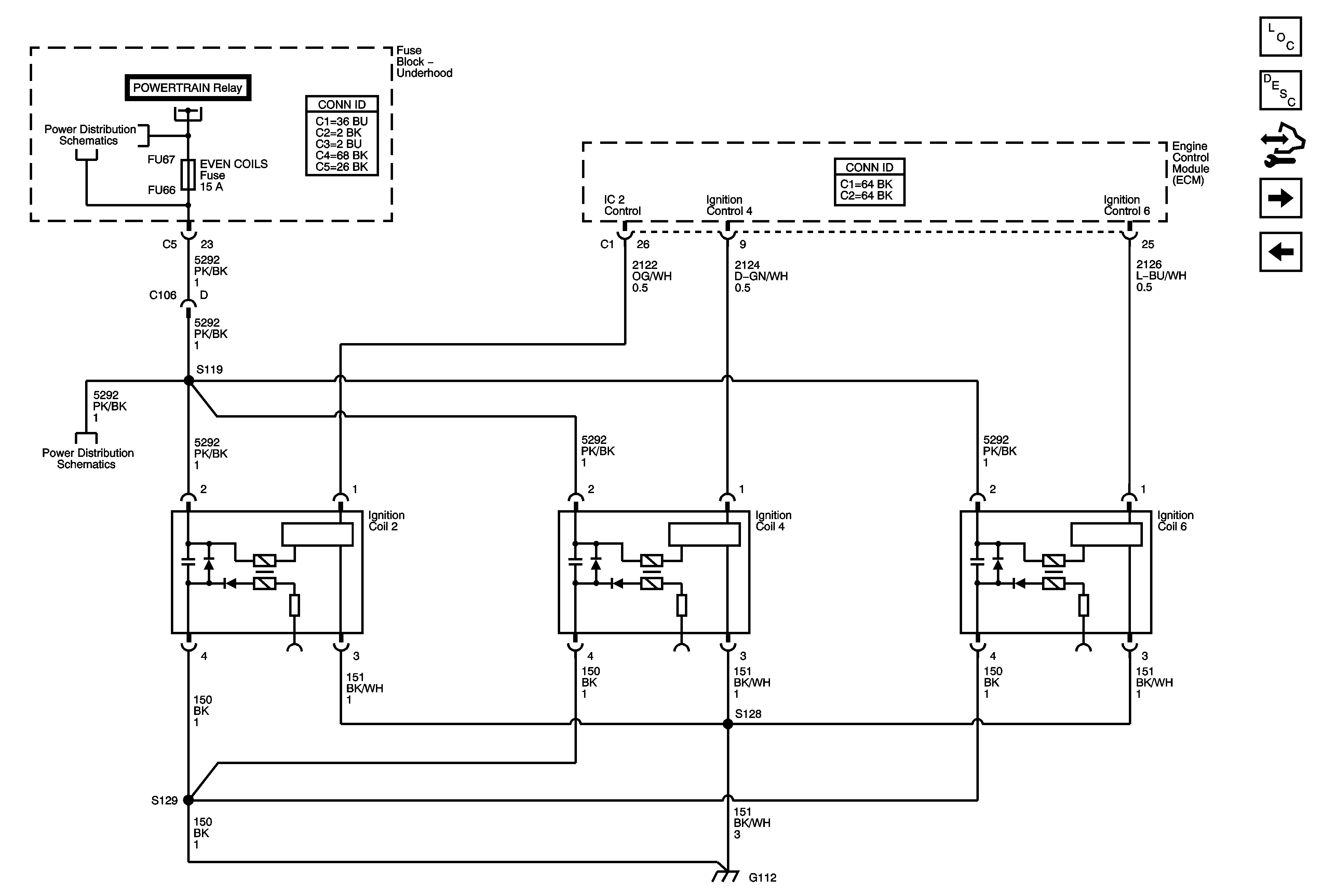
🢒 Ignition Controls - Bank 2 Ignition Coils
Ignition Controls - Bank 2 Ignition Coils
Ignition Controls - Bank 2 Ignition Coils
Master Electrical Component List
Engine Control Module Description
Control Module References
Ignition Controls - CMP Sensors and Solenoids
Ignition Controls - Bank 1 Ignition Coils
Fuse Block - Underhood: Odd Inj/Coils, Even Inj/Coils and Post O2 Fuses
Fuse Block - Underhood: Odd Inj/Coils, Even Inj/Coils and Post O2 Fuses
G103 (LY7), G109 (LY7), G112 (LY7)