GM Service Manual Online
For 1990-2009 cars only
Makes
🢒
Cadillac
🢒
2007
🢒
STS
🢒 Ignition Controls - CMP Sensors and Solenoids
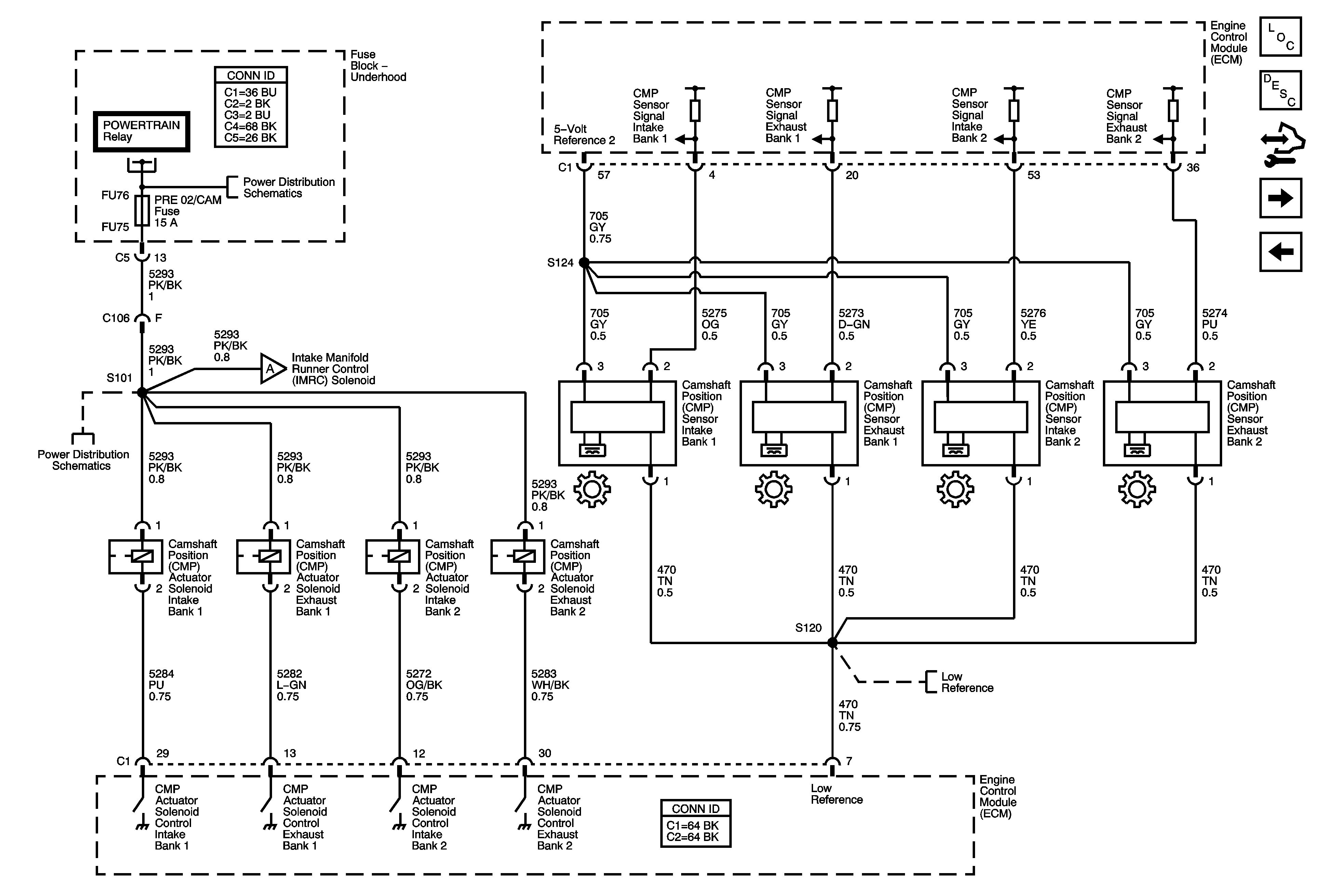
Ignition Controls - CMP Sensors and Solenoids
Ignition Controls - CMP Sensors and Solenoids
Master Electrical Component List
Engine Control Module Description
Control Module References
Ignition Controls - CKP, Knock Sensors, and IMRC Solenoid
Ignition Controls - Bank 2 Ignition Coils
Fuse Block Underhood Wiring Bussing
Ignition Controls - CKP, Knock Sensors, and IMRC Solenoid
Fuse Block - Underhood: Main, Low Speed, Hi Speed, and S/P Fan Relays, V8 ECM, PRE O2/CAM, HFV6 ECM, Low Speed Fan, Hi Speed Fan Fuses
Engine Data Sensors - Low Reference Bus