GM Service Manual Online
For 1990-2009 cars only
Makes
🢒
Cadillac
🢒
2007
🢒
STS
🢒 Charging System
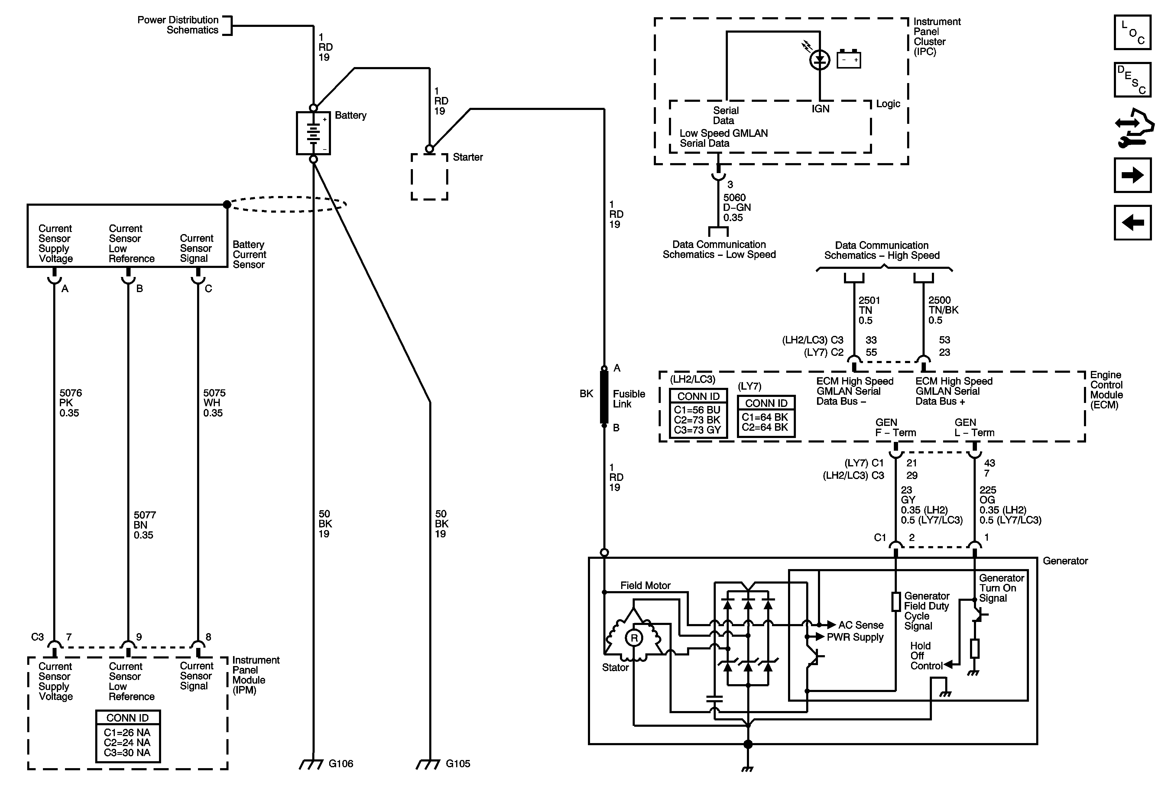
Charging System
Charging System
Master Electrical Component List
Charging System Description and Operation
Control Module References
Hood Ajar Switch
Starting System - LC3
Fuse Block Underhood Wiring Bussing
GM LAN - Low Speed 2 of 2
GM LAN - High Speed, Domestic w/ UE1
G105, G106, G110, G306, G403 and G404
G105, G106, G110, G306, G403 and G404