GM Service Manual Online
For 1990-2009 cars only
Makes
🢒
Cadillac
🢒
2007
🢒
STS
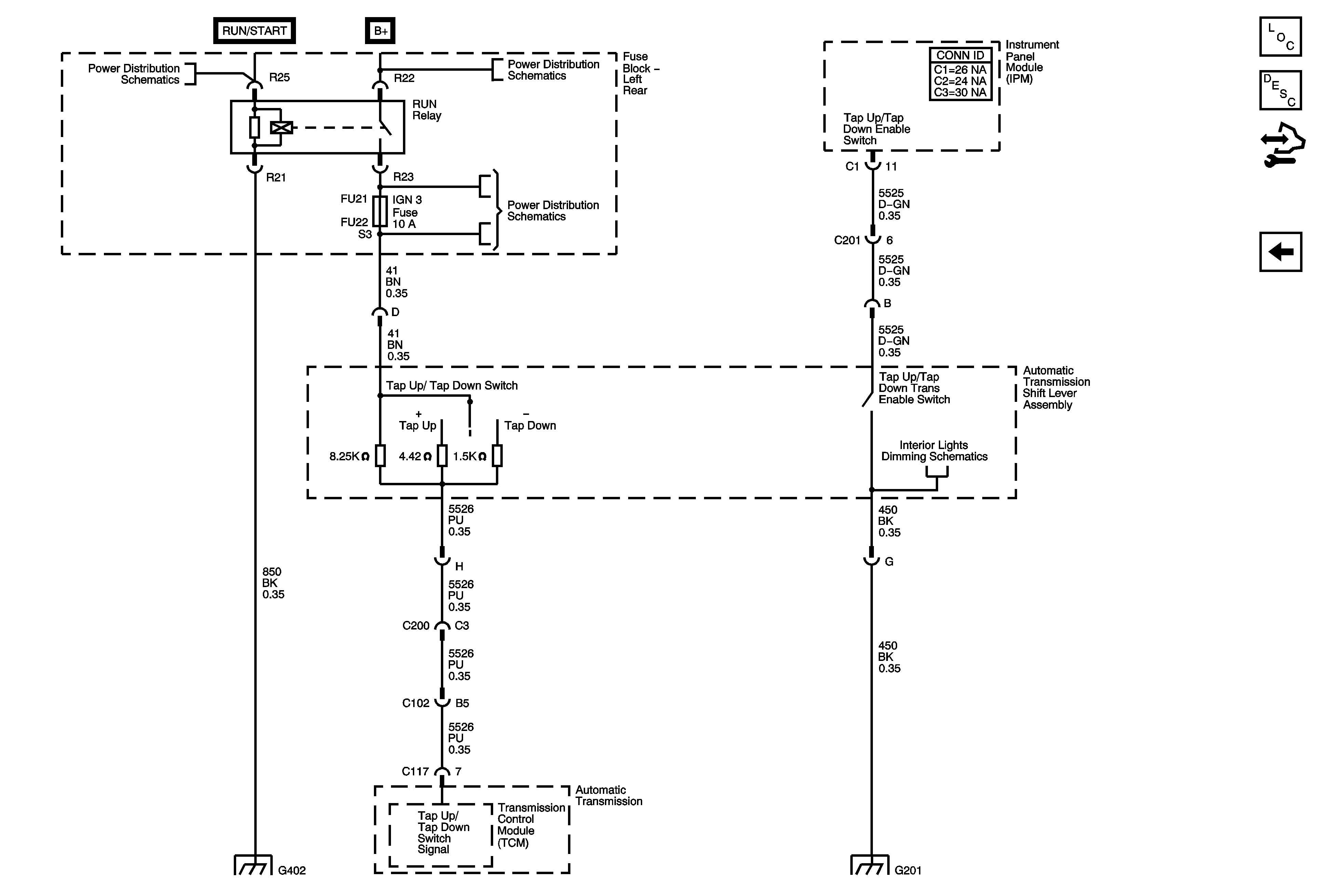
🢒 Automatic Transmission Shift Lever Assembly, IPM
Automatic Transmission Shift Lever Assembly, IPM
Automatic Transmission Shift Lever Assembly, IPM
Master Electrical Component List
Electronic Component Description
Control Module References
ECM, EBCM
Power Modes
Fuse Block - Left Rear Bussing
Fuse Block - Left Rear - Ign 3 Relay, Ign 3, Rear Heated Seat, Memory, Airbag and Rear Shelf Speaker Fuses
Dimming 2 of 3
G402 (1 of 2)
G201 (1 of 2)