GM Service Manual Online
For 1990-2009 cars only
Makes
🢒
Cadillac
🢒
2007
🢒
STS
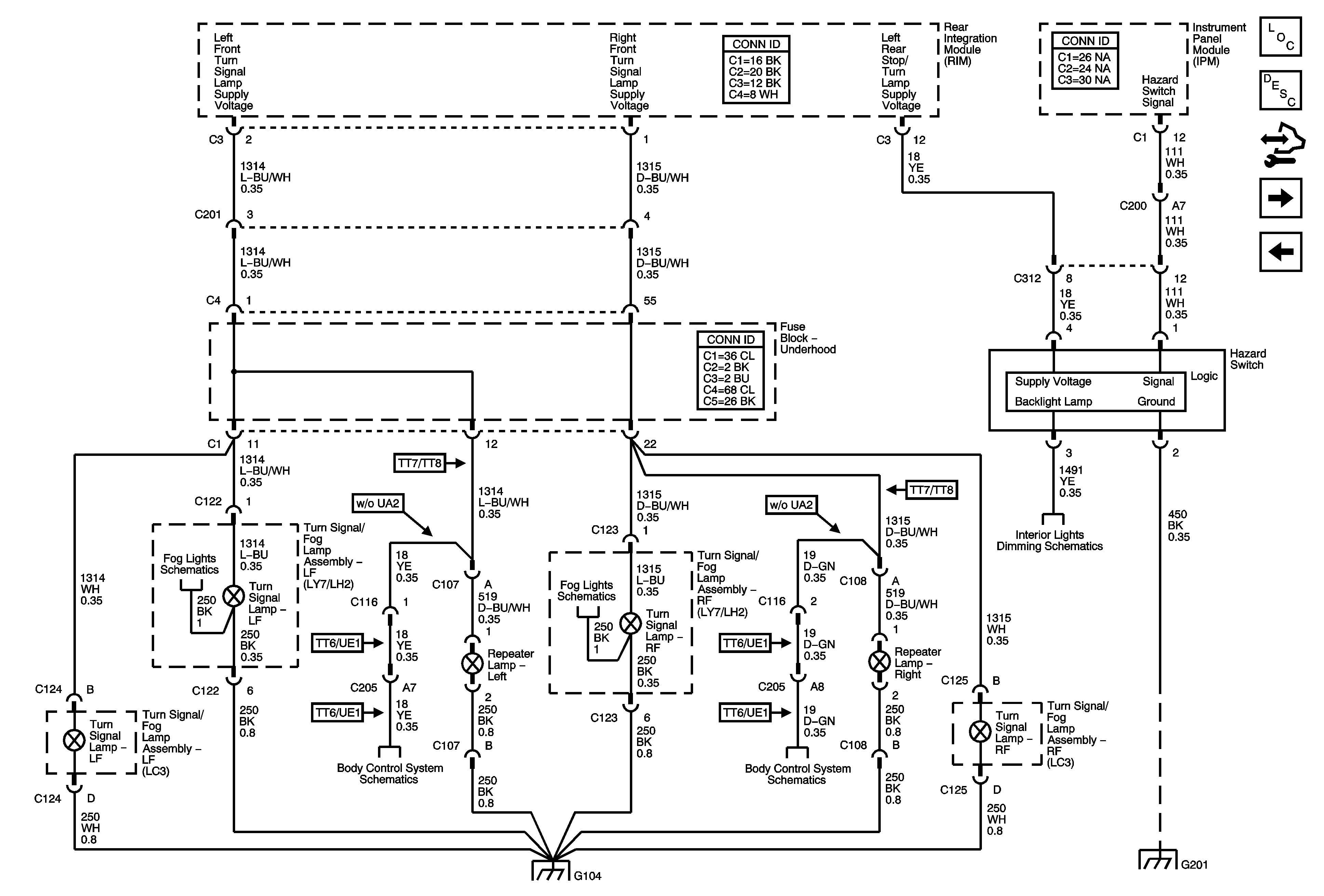
🢒 Front Turn Signal and Repeater Lamps, Hazard Switch - Domestic and Export
Front Turn Signal and Repeater Lamps, Hazard Switch - Domestic and Export
Front Turn Signal and Repeater Lamps, Hazard Switch - Domestic, Export
Master Electrical Component List
Exterior Lighting Systems Description and Operation
Control Module References
Front Park Lamps, Rear Turn Signal Switch Signal, LT, RT Position and Standing Lamp Relay - Export
Backup Lamps, CHMSL - Domestic and Export
Front Fog Lamps
RIM Inputs and Outputs
Front Fog Lamps
G104 (2 of 2)
RIM Inputs and Outputs
Dimming 1 of 3
G201 (1 of 2)