GM Service Manual Online
For 1990-2009 cars only
Makes
🢒
Cadillac
🢒
2007
🢒
STS
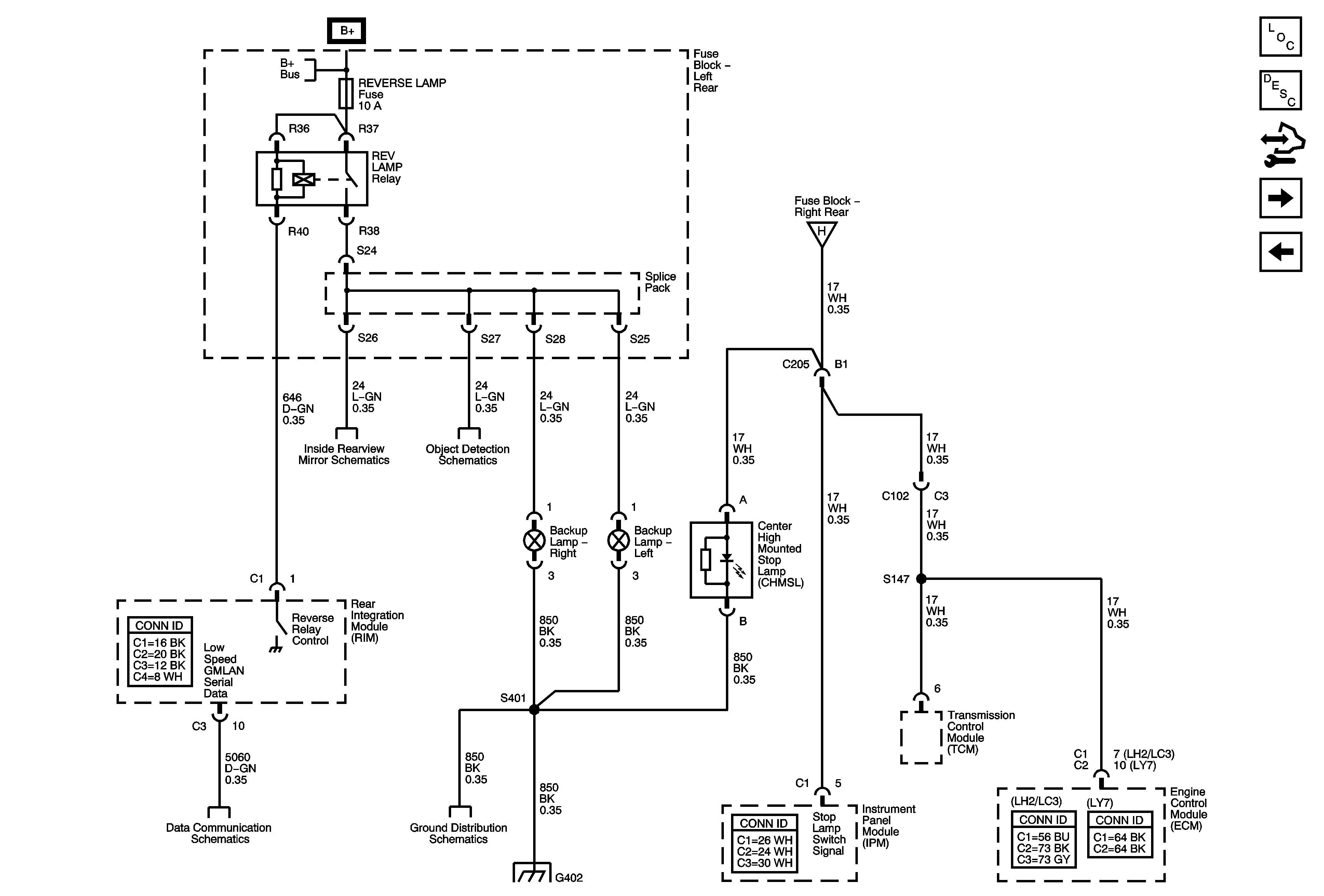
🢒 Backup Lamps, CHMSL - Domestic and Export
Backup Lamps, CHMSL - Domestic and Export
Backup Lamps, CHMSL - Domestic, Export
Master Electrical Component List
Exterior Lighting Systems Description and Operation
Control Module References
Front Turn Signal and Repeater Lamps, Hazard Switch - Domestic and Export
Tail Lamps - Domestic
Fuse Block - Left Rear Bussing
07 STS Inside Rearview Mirror - Power and Ground
Object Detection Schematics
Tail Lamps - Domestic
GM LAN - Low Speed 1 of 2
G402 (1 of 2)
G402 (1 of 2)