GM Service Manual Online
For 1990-2009 cars only
Makes
🢒
Cadillac
🢒
2007
🢒
STS
🢒 Dimming 3 of 3
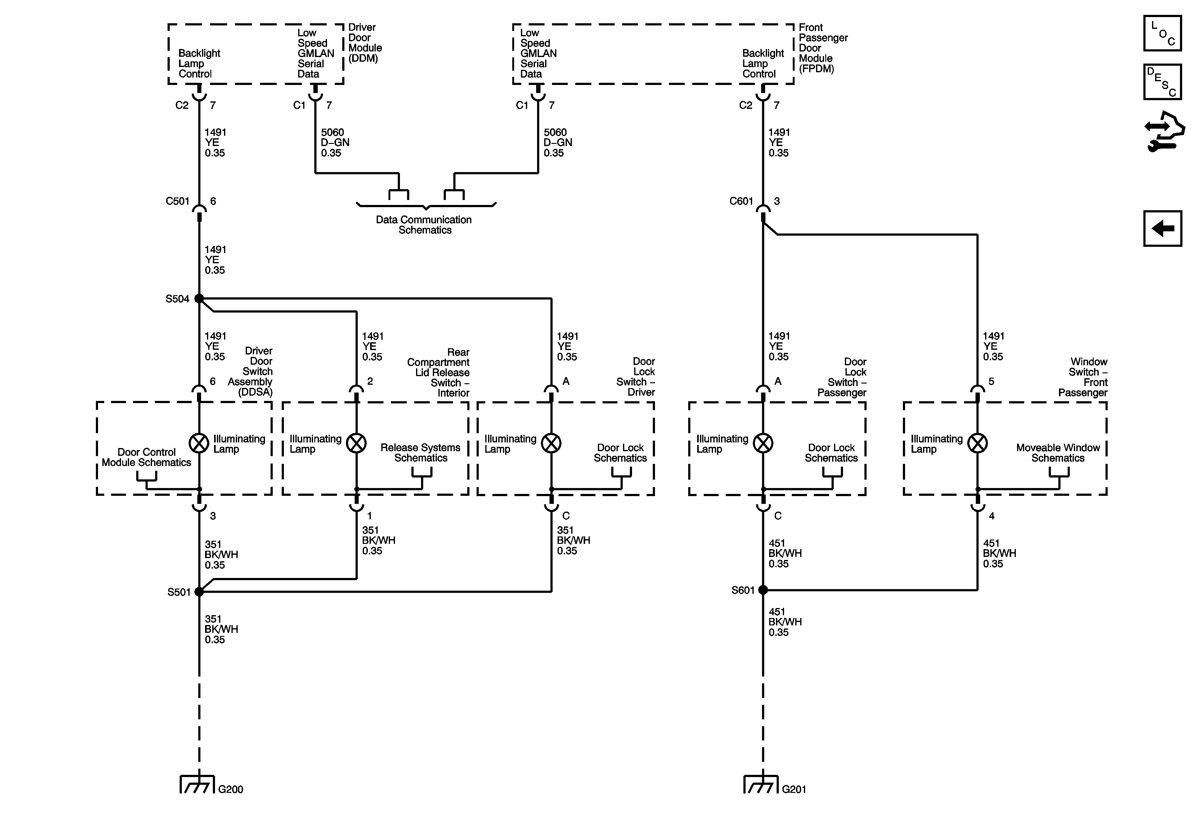
Dimming 3 of 3
Dimming Lamps 3 of 3
Master Electrical Component List
Dimming 2 of 3
Control Module References
Dimming 2 of 3
GM LAN - Low Speed 1 of 2
DDM Power, Ground and DLC
Release System Schematics
Driver Door Lock
Front Passenger Door Lock
Front Passenger Window Switch, Motor
G201 (2 of 2)
G200 (1 of 2)