GM Service Manual Online
For 1990-2009 cars only
Makes
🢒
Cadillac
🢒
2007
🢒
STS
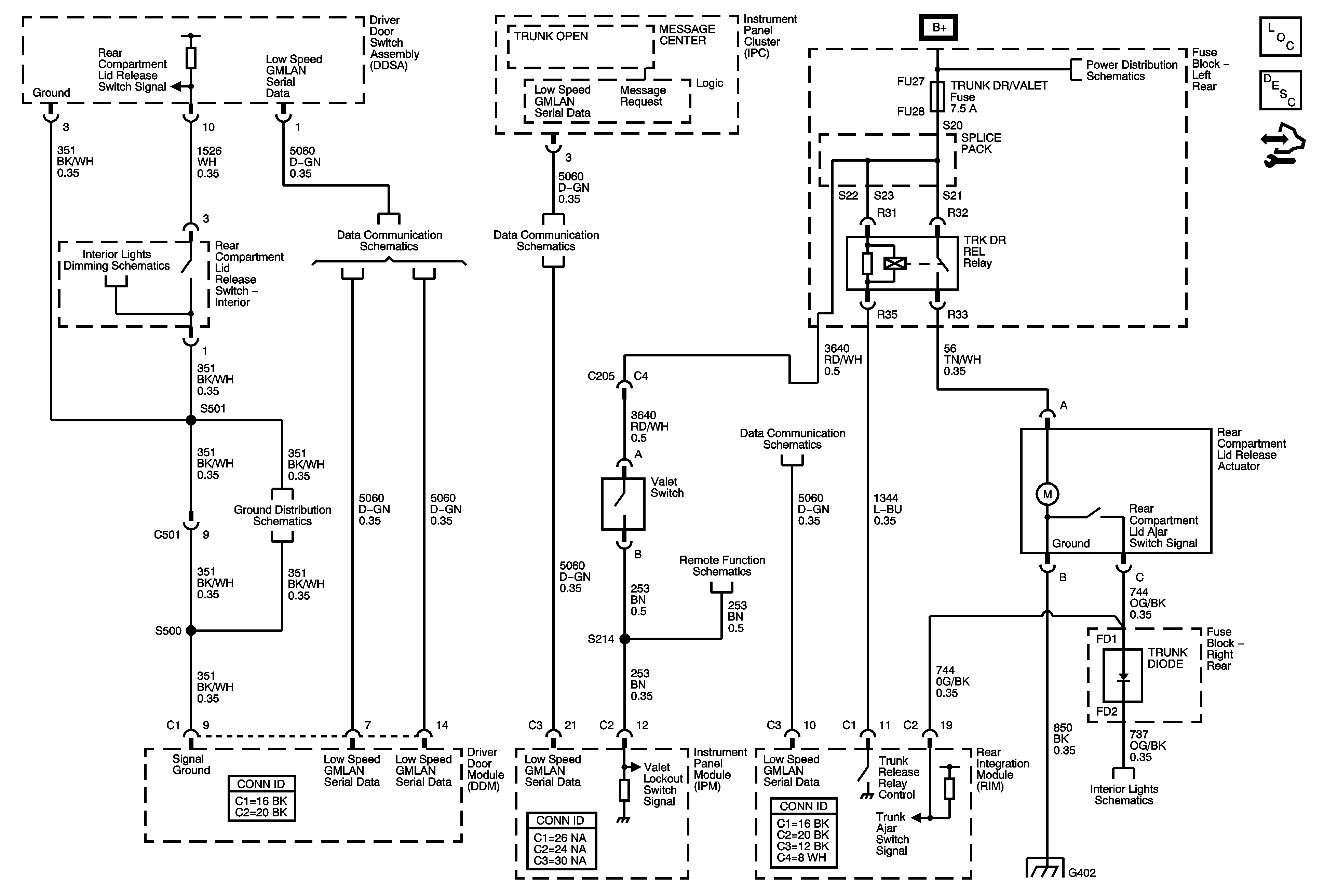
🢒 Release System Schematics
Release System Schematics
Master Electrical Component List
Luggage Compartment Description and Operation
Control Module References
Dimming 3 of 3
GM LAN - Low Speed 1 of 2
GM LAN - Low Speed 2 of 2
G200 (1 of 2)
Fuse Block - Left Rear Bussing
GM LAN - Low Speed 1 of 2
Garage Door Opener
Vanity Mirror and Rear Compartment Lamps
G402 (1 of 2)