GM Service Manual Online
For 1990-2009 cars only
Makes
🢒
Cadillac
🢒
2007
🢒
STS
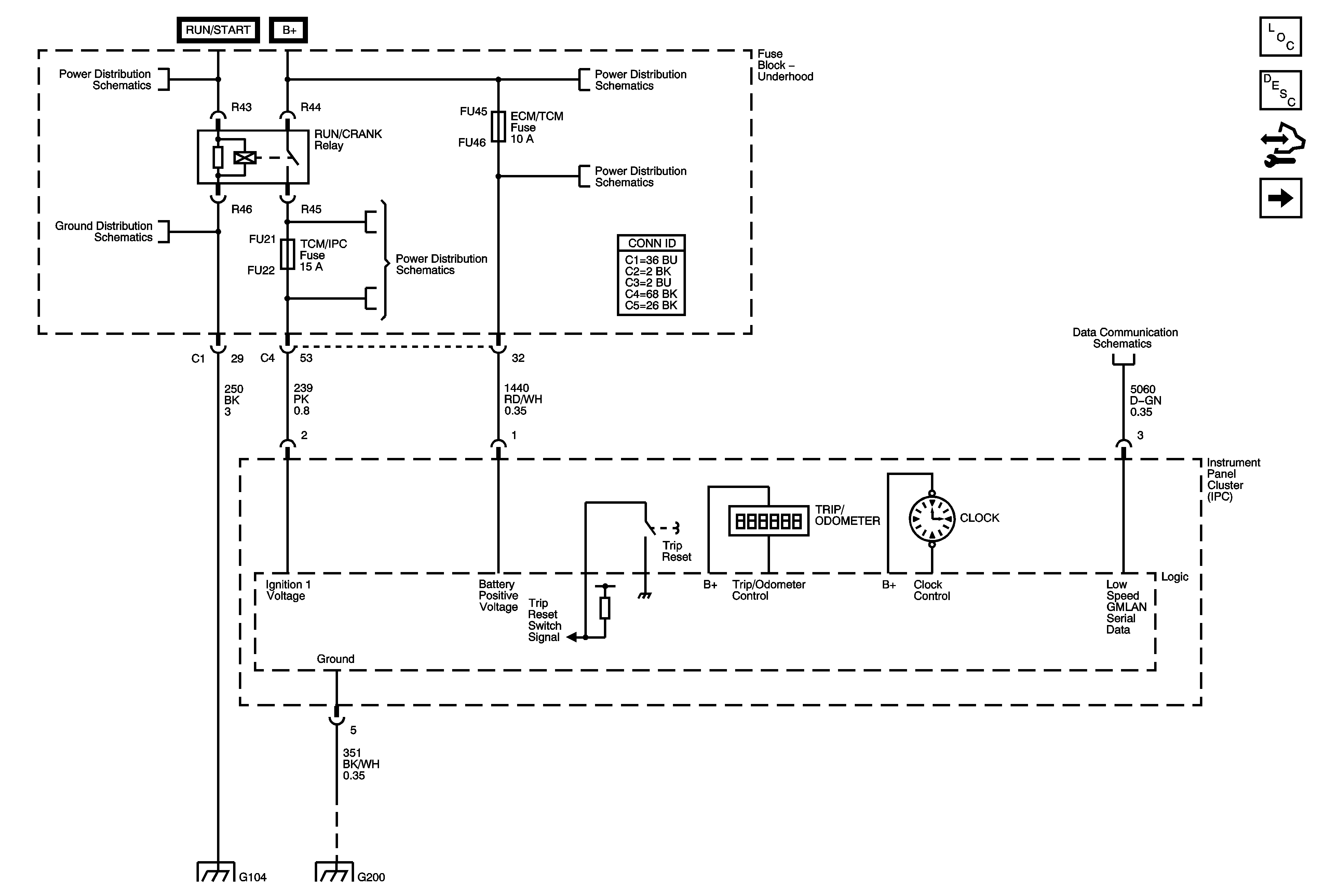
🢒 Power, Ground, DLC, Odometer and Clock
Power, Ground, DLC, Odometer and Clock
Power, Ground, DLC, Odometer and Clock
Master Electrical Component List
Instrument Cluster Description and Operation
Control Module References
Indicators
Fuse Block - Right Rear - Lt Turn Signal, RIM 1, Rear Fog Lamp, Ft Pass Door Module, Htd Stg Clm, IGN 1, RIM 2 and Airbag Fuses, Rear Fog Lamp and Ign 1 Relays
G104 (1 of 2)
Fuse Block - Underhood: Starter, RUN/CRANK Relays; Starter, Starter Relay, CCP, TCM/IPM/ECM, MAF, ABS and Washer Nozzle/ACC Fuses
G104 (1 of 2)
G200 (2 of 2)
Fuse Block Underhood Wiring Bussing
Fuse Block - Underhood Fuses/Relays: IPM/ALDL, Auto Headlamp Dimming, CCP, ECM/TCM, WPR MOD, WPR SW/VICS and Rain Sensor/HDLP Wash Fuses; ACC Relay
GM LAN - Low Speed 2 of 2