GM Service Manual Online
For 1990-2009 cars only
Makes
🢒
Cadillac
🢒
2007
🢒
STS
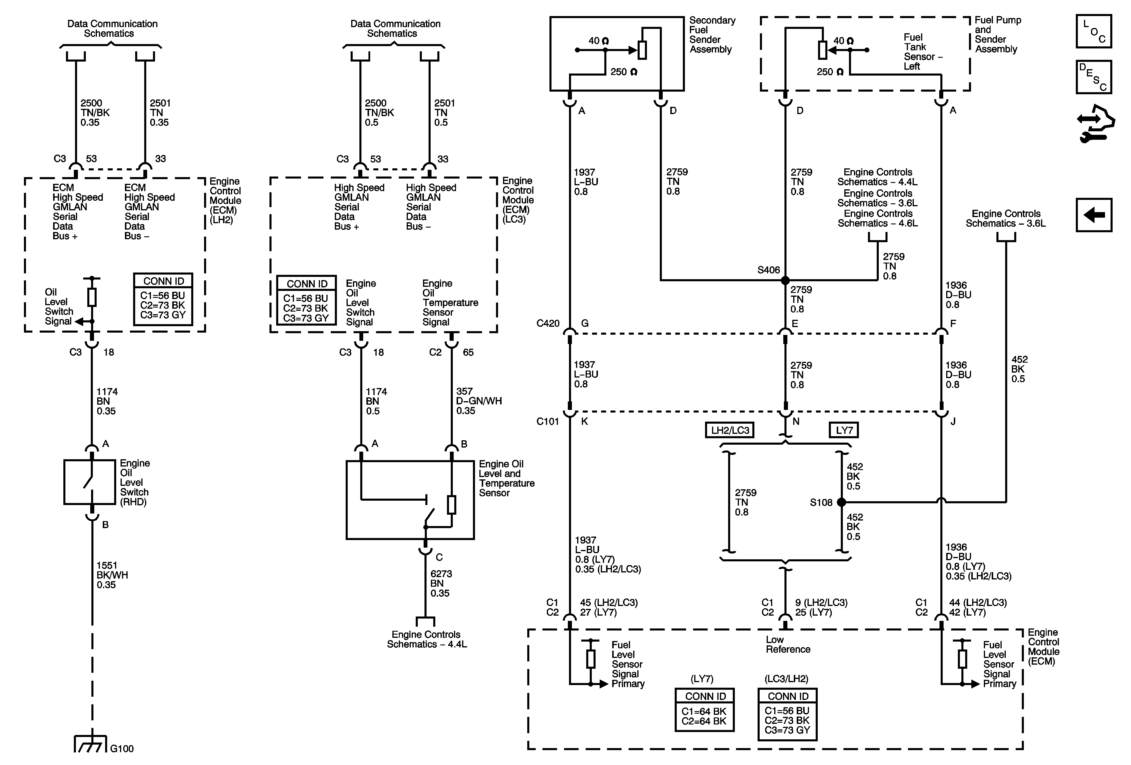
🢒 Engine Oil and Fuel Tank Level
Engine Oil and Fuel Tank Level
Engine Oil and Fuel Tank Level
Master Electrical Component List
Instrument Cluster Description and Operation
Control Module References
DIC/Dimmer Switch
GM LAN - High Speed, Domestic w/ UE1
GM LAN - High Speed, Domestic w/ UE1
G100 (LH2/LC3)
Controlled/Monitored Subsystem References
Fuel Controls - EVAP Controls
07 STS Engine Controls 4.4L - Fuel Controls - EVAP, Fuel Tank Pressure (FTP) Sensor, and Vacuum Bypass Valve
Fuel Controls - EVAP and Fuel Tank Pressure (FTP) Sensor
Fuel Controls - EVAP Controls