GM Service Manual Online
For 1990-2009 cars only

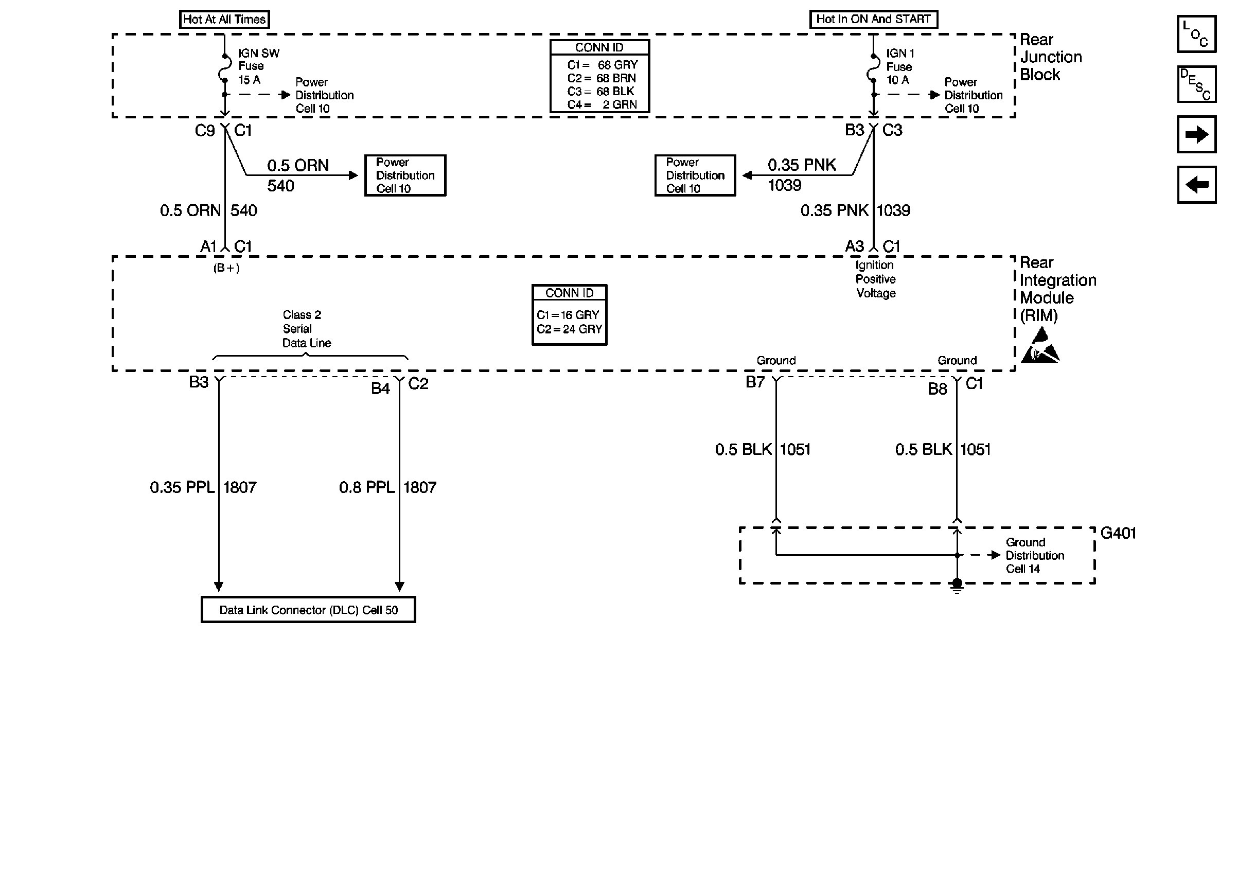
Cell 51: RIM Power and Ground


Object Number: 154556  Size: FS
Body Control Module Components
Body Control System Circuit Description
Cell 51: RIM Inputs and Outputs
Cell 51: IPM Inputs and Outputs
Handling ESD Sensitive Parts Notice
Ground Distribution Schematics
Data Link Connector Schematics
Power Distribution Schematics
Power Distribution Schematics
Power and Grounding Connector End Views
Power Distribution Schematics

Circuit Description

    • For the Dash Integration Module (DIM), Battery Positive Voltage (B+) is supplied to the DIM on CKT 540 (ORN) at connector C3 terminal G. The DIM monitors this voltage to determine if it is within a valid operating range.
    • For the Instrument Panel Integration Module (IPM), Battery Positive Voltage (B+) is supplied to the IPM at connector C1, terminal C1, CKT 440 (ORN). The IPM monitors battery voltage sent by Class 2 message by the DIM to determine if it is within a valid operating range.

Conditions for Setting the DTC

The Battery Positive Voltage (B+) level rises above 15.5 volts for more than approximately 1 seconds.

Action Taken When the DTC Sets

    • DTC B1982 is stored in the module memory.
    • The module will not respond to inputs when the voltage is greater than 16 volts
    • No driver warning message will be displayed for this DTC.
    • Other module DTCs will not set while DTC B1982 is current.

Conditions for Clearing the DTC

    • A current DTC clears (status changes from current to history) if the Battery Positive Voltage (B+) level falls below 15 volts for approximately 1 seconds.
    • A history DTC clears after 50 consecutive ignition cycles if the condition for the malfunction is no longer present.
    • Use the On-Board clearing DTCs feature. Refer to Diagnostic Trouble Code (DTC) Clearing in HVAC Systems with A/C - Automatic.
    • Use a scan tool.

Diagnostic Aids

This DTC may set when the vehicle is placed on a battery charger, on fast charge, for a long period of time.

Test Description

The numbers below refer to the step numbers on the diagnostic table:

  1. Perform Body Control Module Diagnostic System Check before continuing with the diagnosis of this DTC.

  2. Checks if the DTC is correctly set.

  3. Checks for intermittent charging system problems.

  4. Checks that DTC was not erroneously set.

  5. Determines whether the malfunction is in the charging system or the Body Control Module.

  6. Clear all DTC's after the repair procedure is complete.

DTC B1982 Battery Voltage High

Step

Action

Value(s)

Yes

No

1

Was the Body Control Module Diagnostic System Check performed?

--

Go to Step 2

Go to the Diagnostic System Check - Body Control System

2

  1. Turn ON the ignition switch.
  2. Connect a scan tool to the Data Link Connector (DLC).
  3. Clear DTC's.
  4. Turn OFF the ignition switch.
  5. Turn ON the ignition switch.
  6. Check for DTC's

Is the DTC still present?

--

Go to Step 4

Go to Step 3

3

Did more than one module have the Voltage High DTC prior to clearing?

--

Go to Charging System in Engine Electrical

Go to Diagnostic System Check - Body Control System

4

Is the DTC set on only the IPM?

--

Go to Step 8

Go to Step 5

5

  1. Turn ON the ignition switch.
  2. Connect a scan tool to the Data Link Connector (DLC).
  3. Select DATA from the DATA LIST of the module which set the DTC.

Is the Battery Positive Voltage (B+) less than the specified value?

15.5 V

Go to Step 7

Go to Step 6

6

  1. Turn OFF the ignition switch.
  2. Disconnect the Dash Integration Module (DIM) connector C3.

Is the measured voltage less than the specified value?

15.5 V

Go to Step 7

Go to Charging System in Engine Electrical

7

Replace the module.

Is the module replacement complete?

--

Go to Step 9

--

8

Replace the IPM.

Is the module replacement complete?

--

Go to Step 9

--

9

  1. Turn OFF the ignition switch.
  2. Reconnect or install any connectors or components that were disconnected or removed.
  3. Turn ON the ignition switch.
  4. Clear any DTCs. Refer to Clearing DTCs.

Are all DTCs cleared?

--

Go to Diagnostic System Check - Body Control System

--