GM Service Manual Online
For 1990-2009 cars only
Makes
🢒
Cadillac
🢒
1999
🢒
Seville
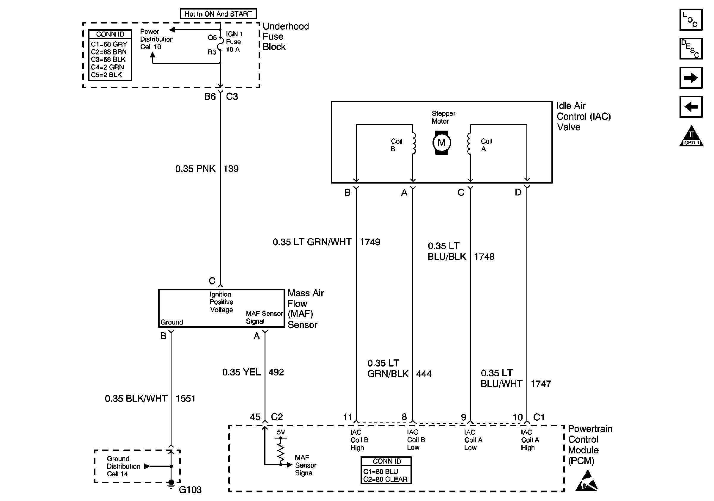
🢒 Cell 20: MAF and IAC
Cell 20: MAF and IAC
Cell 20: MAF and IAC
Engine Controls Components
Electronic Component Description
Cell 20: Cruise Control Module
Cell 20: EVAP and EGR Valve
OBD II Symbol Description Notice
Cell 10: IGN 1 and PCM IGN Fuses
Cell 14: G102 and G103
Powertrain Control Module Connector End Views
Handling ESD Sensitive Parts Notice
Power and Grounding Connector End Views