GM Service Manual Online
For 1990-2009 cars only
Makes
🢒
Cadillac
🢒
1999
🢒
Seville
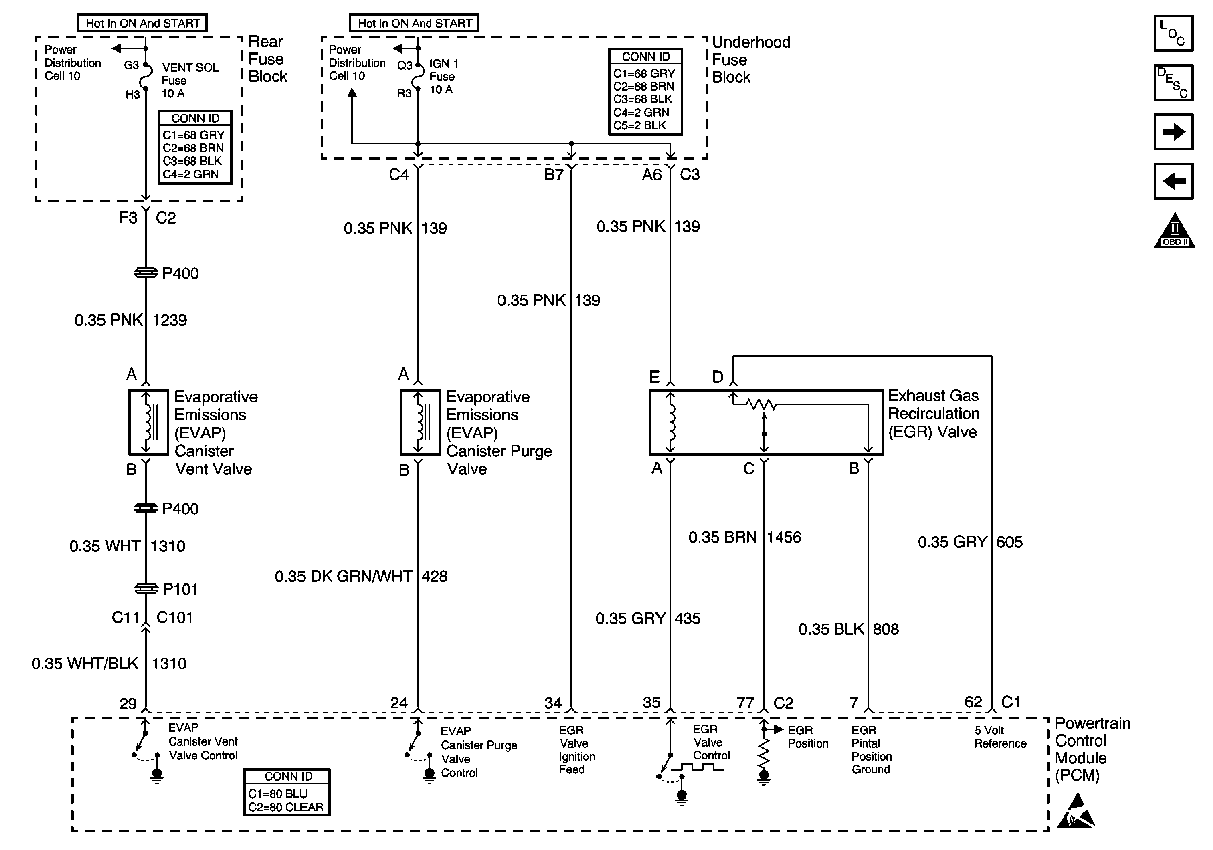
🢒 Cell 20: EVAP and EGR Valve
Cell 20: EVAP and EGR Valve
Cell 20: EVAP and EGR Valve
Engine Controls Components
Evaporative Emission Control System Operation Description
Cell 20: MAF and IAC
Cell 20: HO2S (Later Production)
OBD II Symbol Description Notice
Cell 10: IGN 1 Relay and SIR, VENT SOL, IGN1 Fuses
Cell 10: IGN 1 and PCM IGN Fuses
Powertrain Control Module Connector End Views
Handling ESD Sensitive Parts Notice
Power and Grounding Connector End Views
Power and Grounding Connector End Views