GM Service Manual Online
For 1990-2009 cars only
Makes
🢒
Cadillac
🢒
2000
🢒
Seville
🢒
Body and Accessories
🢒
Body Rear End
🢒 Body Rear End Schematics
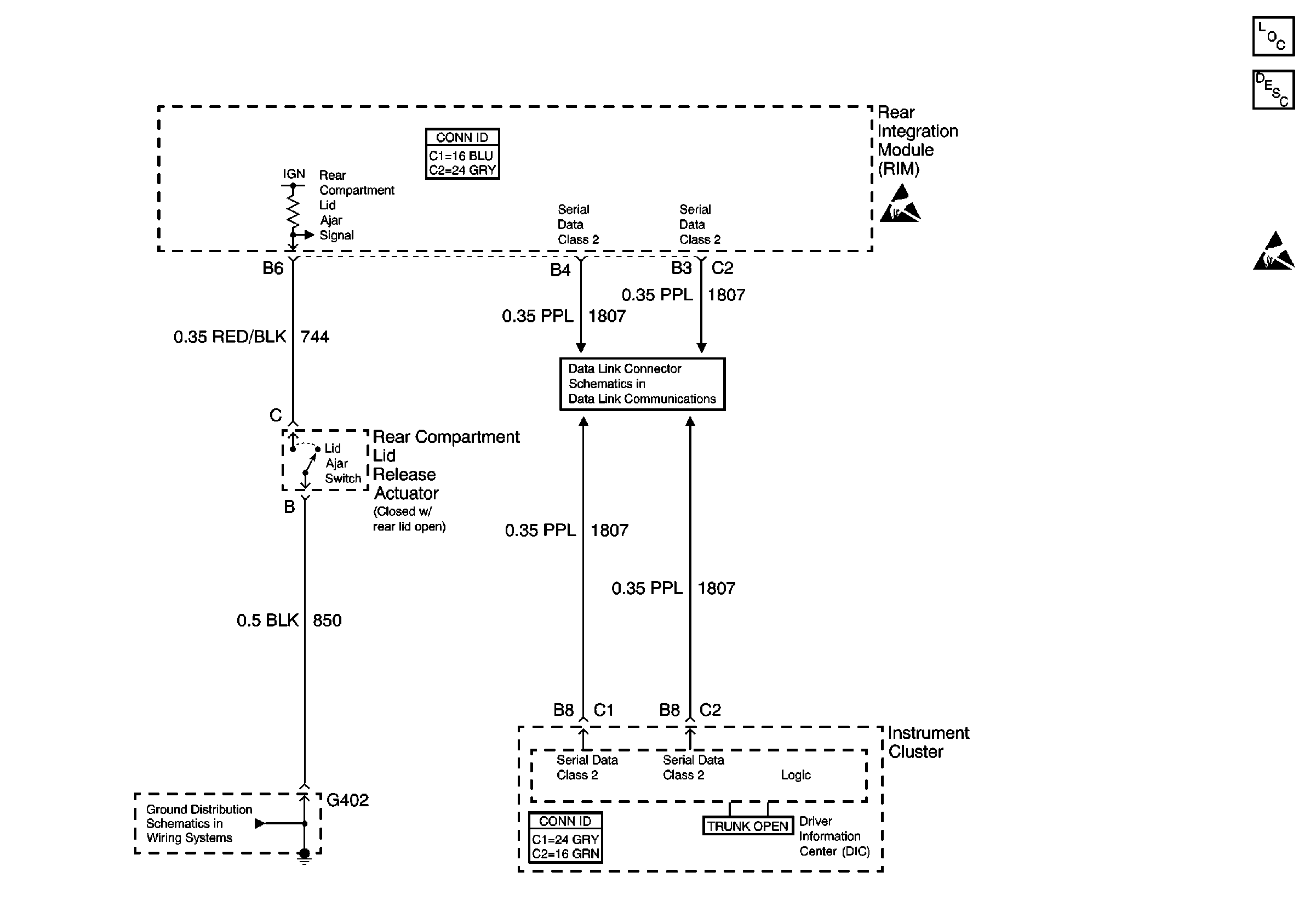
Rear Compartment Lid Ajar Switch
Class 2 Serial Data Line (LH Drive)
Body Rear End Components
Rear Compartment Lid Release Circuit Description
Handling ESD Sensitive Parts Notice
G402 1 of 2