GM Service Manual Online
For 1990-2009 cars only
Makes
🢒
Cadillac
🢒
2000
🢒
Seville
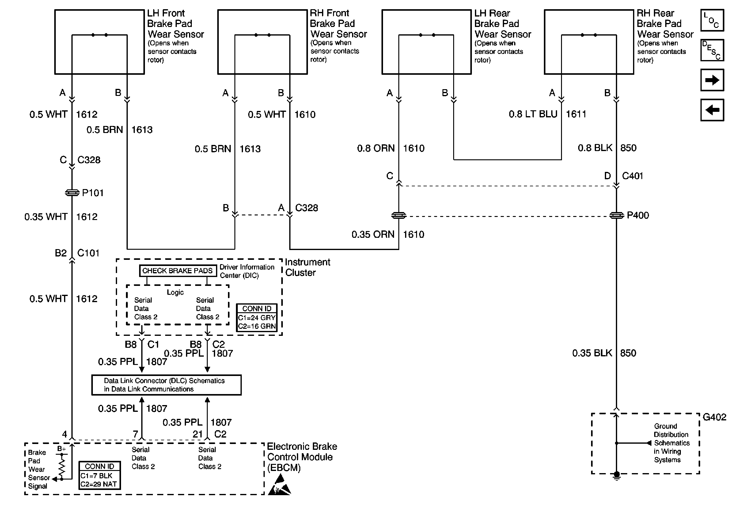
🢒 Brake Pad Wear Sensors
Brake Pad Wear Sensors
Brake Pad Wear Sensors
ABS Components
ABS Description
Indicators and Traction Control Switch
Suspension Inputs (w/F45), Class 2, Traction Control, and Variable Effort Steering
Handling ESD Sensitive Parts Notice
Class 2 Serial Data Line (LH Drive)
G402 1 of 2