GM Service Manual Online
For 1990-2009 cars only
Makes
🢒
Cadillac
🢒
2000
🢒
Seville
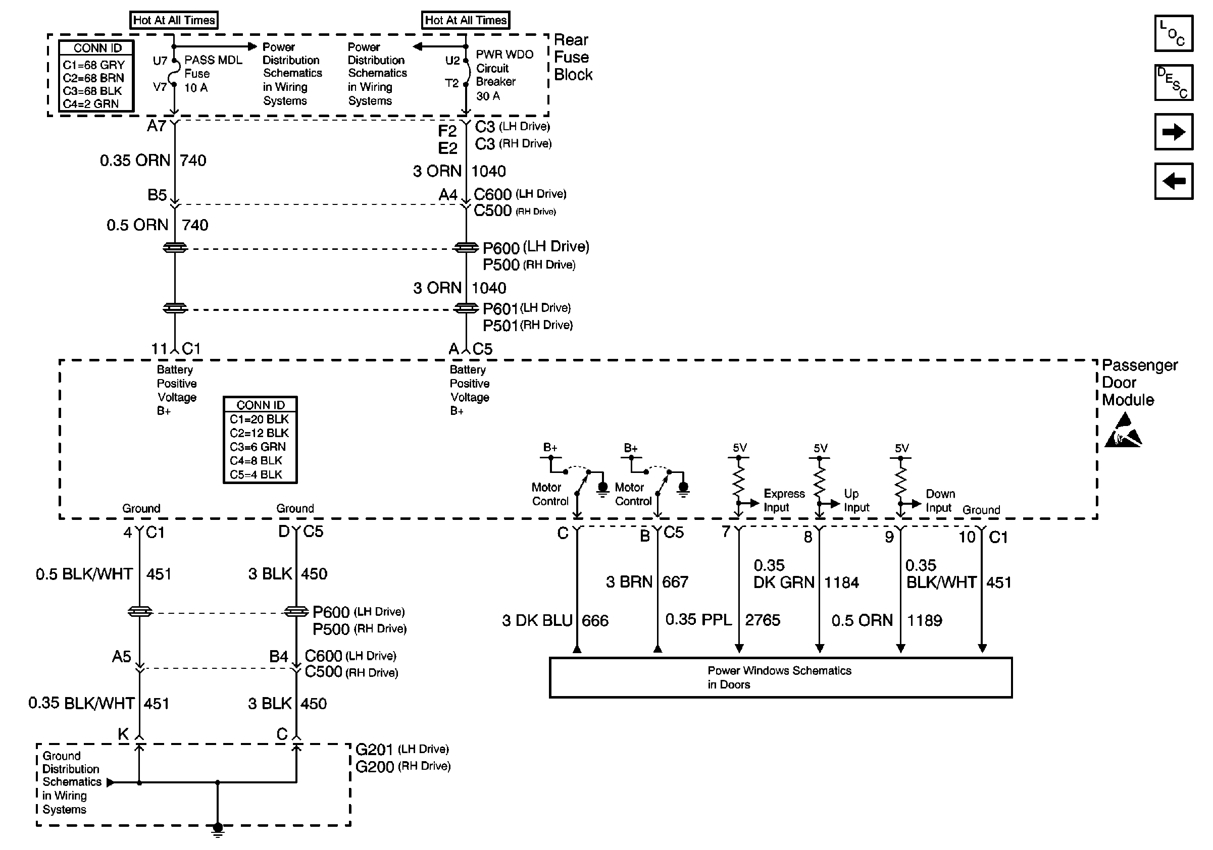
🢒 PDM Power, Ground, Inputs, and Outputs
PDM Power, Ground, Inputs, and Outputs
PDM Power, Ground, Inputs, and Outputs
Power Door Systems Components
Automatic Door Lock System Description
RFDM Inputs and Outputs
DDM Power, Ground, Inputs, and Outputs
RH Power Window
Handling ESD Sensitive Parts Notice
DRV MDL, PASS MDL, RRDR MDL and DLC Fuses
PWR WDO Circuit Breaker
G200 1 of 2