GM Service Manual Online
For 1990-2009 cars only
Makes
🢒
Cadillac
🢒
2000
🢒
Seville
🢒 RFDM Inputs and Outputs
RFDM Inputs and Outputs
RFDM Inputs and Outputs
Power Door Systems Components
Automatic Door Lock System Description
LRDM Power, Ground, Inputs, and Outputs
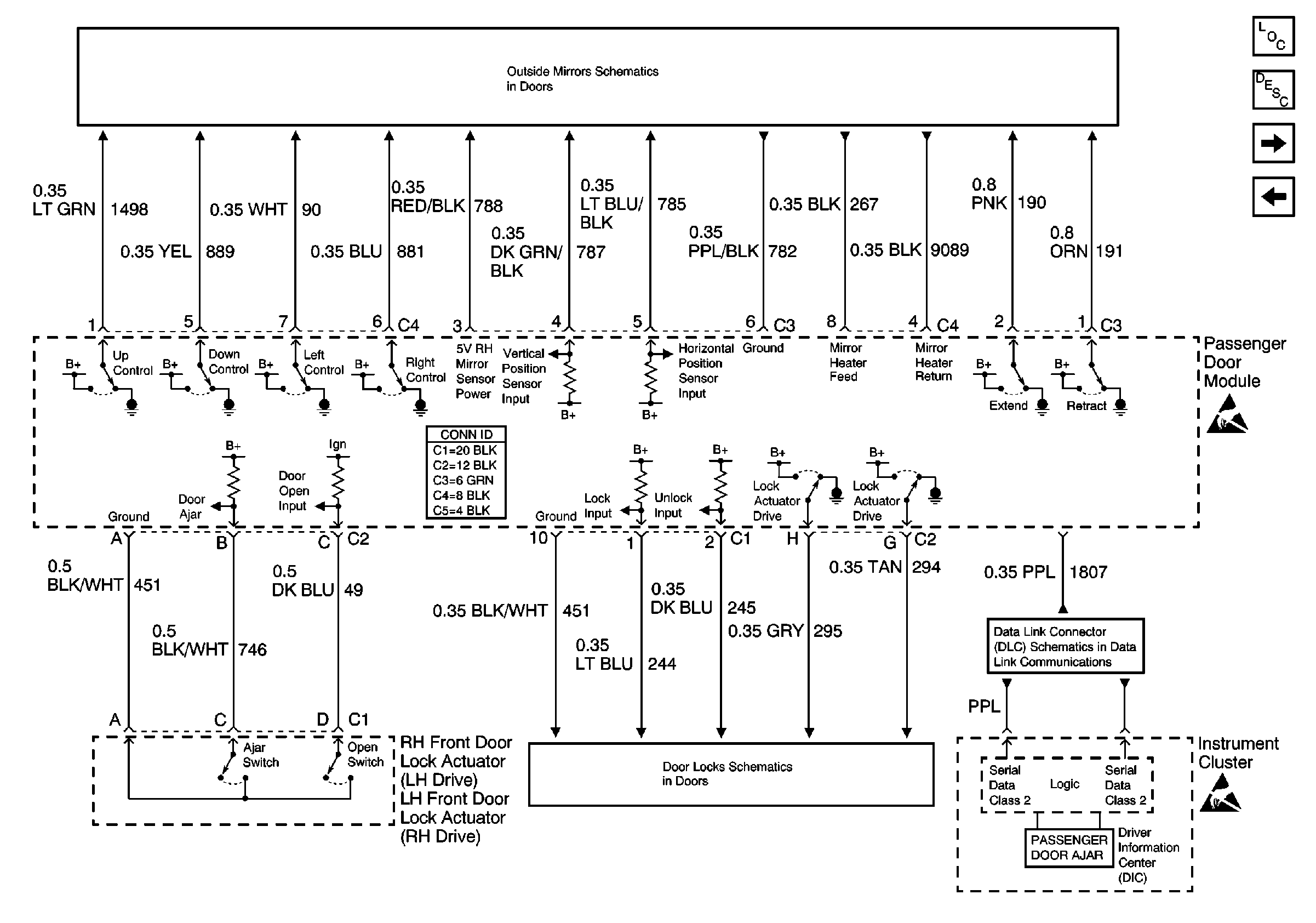
PDM Power, Ground, Inputs, and Outputs
Handling ESD Sensitive Parts Notice
PDM, RF AND RR Actuators and Switches
RH Power Mirror