GM Service Manual Online
For 1990-2009 cars only
Makes
🢒
Cadillac
🢒
2000
🢒
Seville
🢒 DDM Power, Ground, Inputs, and Outputs
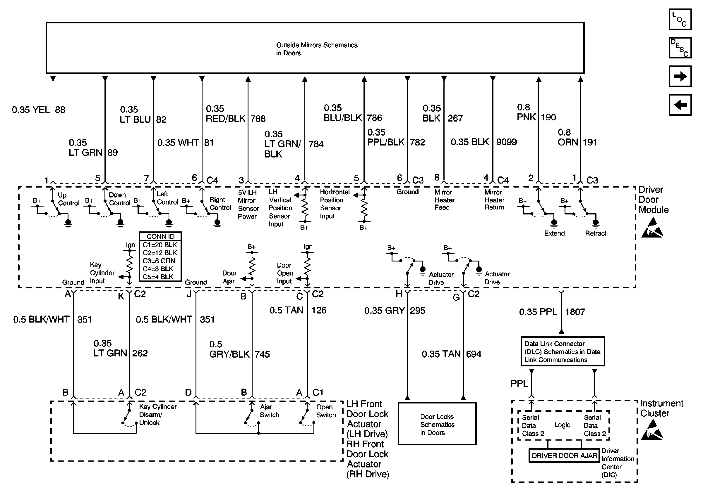
DDM Power, Ground, Inputs, and Outputs
DDM Power, Ground, Inputs, and Outputs
Power Door Systems Components
Automatic Door Lock System Description
LH Power Mirror
PDM Power, Ground, Inputs, and Outputs
LFDM Inputs and Outputs
Handling ESD Sensitive Parts Notice
Class 2 Serial Data Line (LH Drive)
DDM, LH Actuator, LR Switch and LR Actuator