GM Service Manual Online
For 1990-2009 cars only
Makes
🢒
Cadillac
🢒
2000
🢒
Seville
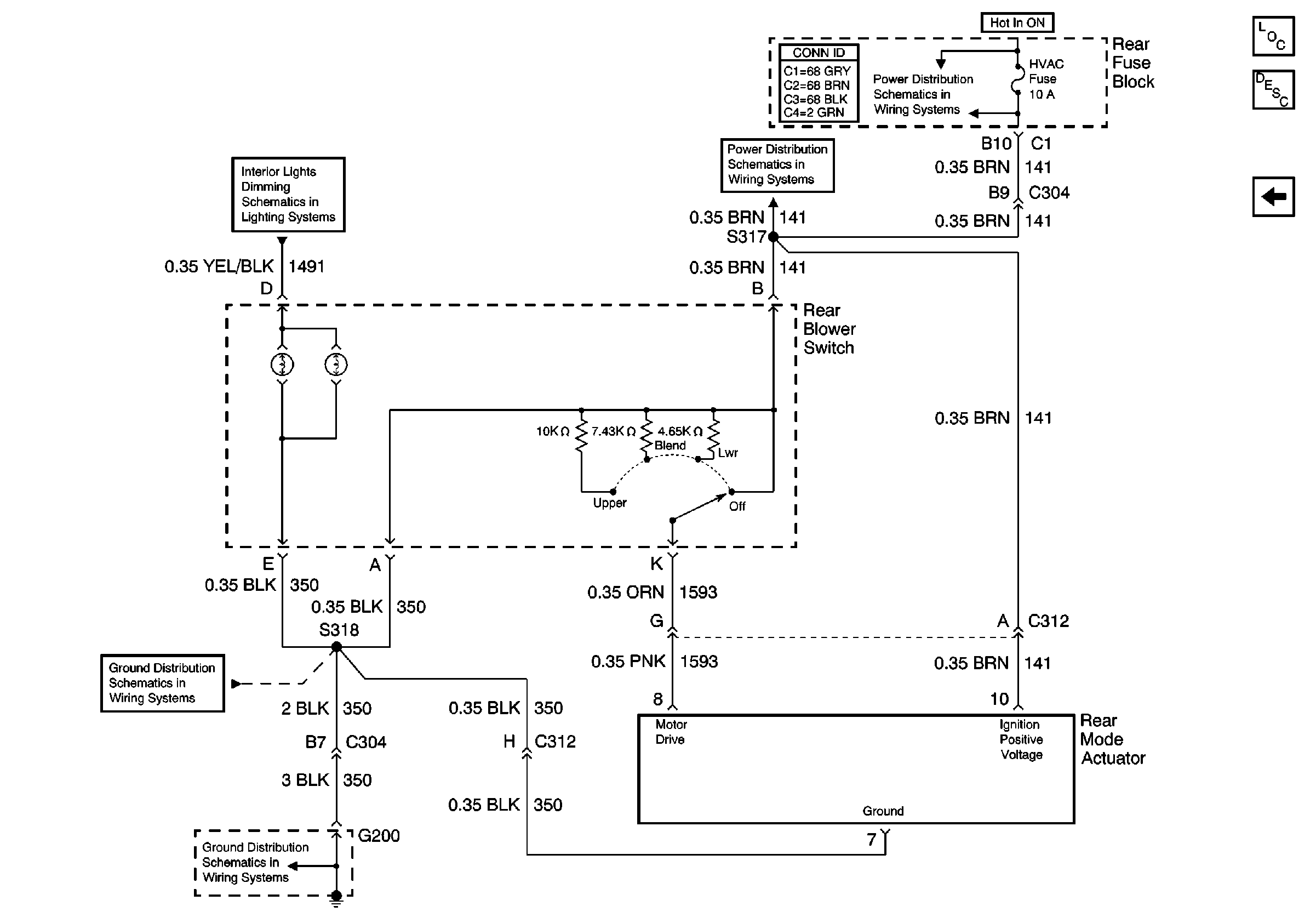
🢒 Rear Actuator
Rear Actuator
Rear Actuator
HVAC Components
HVAC Air Delivery/Temperature Control Circuit Description
Temperature Sensors
Ashtray Lamp, Steering Wheel Controls, Console Dimming
IGN 2 Relay and HVAC, ABS Fuses
G200 2 of 2
G200 2 of 2