GM Service Manual Online
For 1990-2009 cars only
Makes
🢒
Cadillac
🢒
2000
🢒
Seville
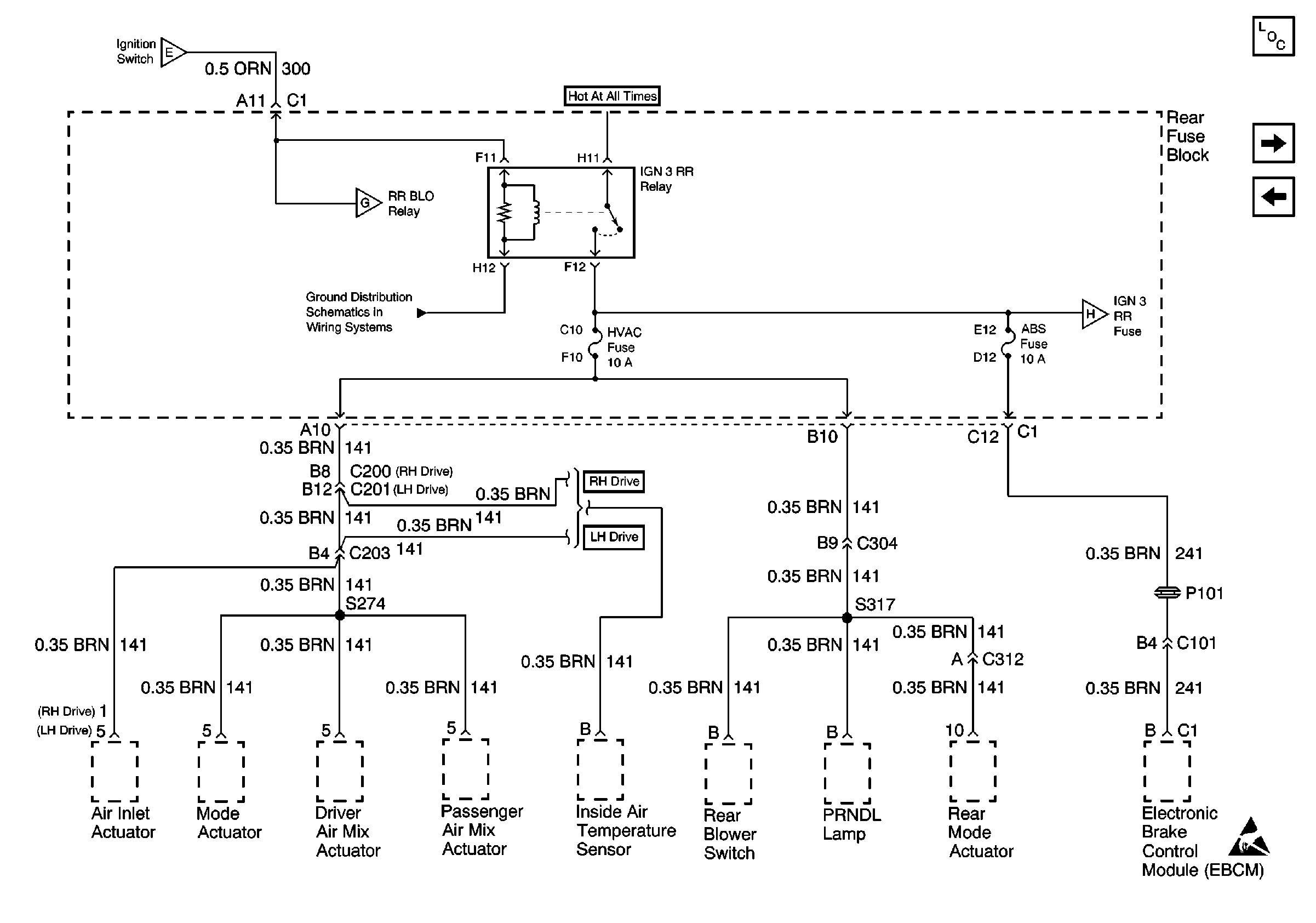
🢒 IGN 2 Relay and HVAC, ABS Fuses
IGN 2 Relay and HVAC, ABS Fuses
IGN 2 Relay and HVAC, ABS Fuses
Power and Grounding Components
IGN 3 RR Fuses
Start Circuit Breaker and ACC, WSW Fuses
Handling ESD Sensitive Parts Notice
Ignition Switch
RR Blo, RR Defog, PRK BRK, ELC Fuses
G301
IGN 3 RR Fuses