GM Service Manual Online
For 1990-2009 cars only
Makes
🢒
Cadillac
🢒
2000
🢒
Seville
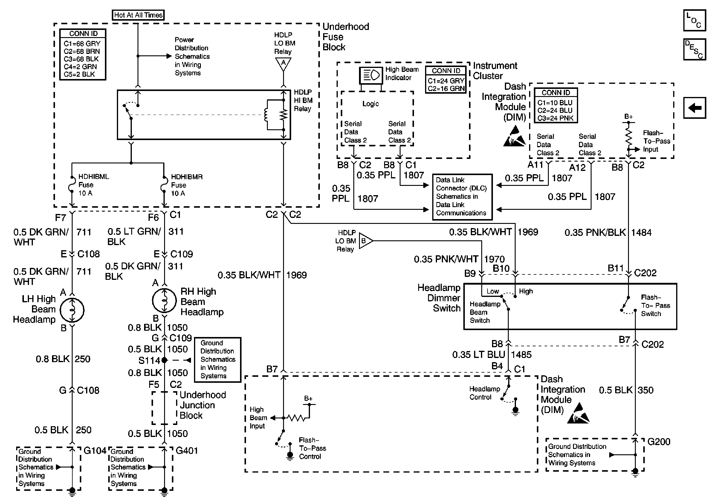
🢒 High Beam Headlamps, Headlamp Dimmer Switch
High Beam Headlamps, Headlamp Dimmer Switch
High Beam Headlamps, Headlamp Dimmer Switch
Lighting Systems Components
Headlights Circuit Description
Low Beam Headlamps
HDHI BML, HDHI BMR, HDLO BML, and HDLO BMR Fuses
Low Beam Headlamps
Low Beam Headlamps
Class 2 Serial Data Line (LH Drive)
Handling ESD Sensitive Parts Notice
Handling ESD Sensitive Parts Notice
G200 1 of 2
G401 3 of 3
G401 3 of 3
G104