GM Service Manual Online
For 1990-2009 cars only
Makes
🢒
Cadillac
🢒
2000
🢒
Seville
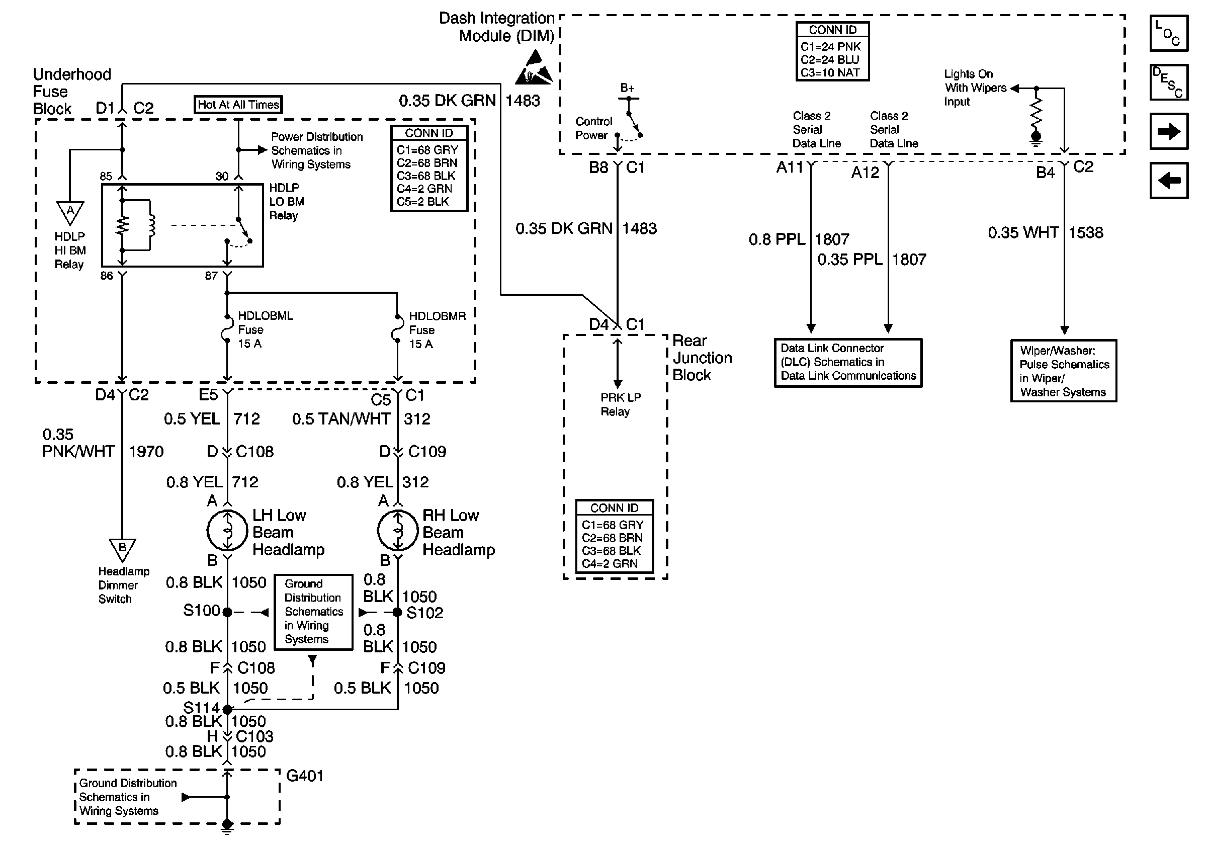
🢒 Low Beam Headlamps
Low Beam Headlamps
Low Beam Headlamps
Lighting Systems Components
Headlights Circuit Description
High Beam Headlamps, Headlamp Dimmer Switch
Headlamp Switch, Ambient Light Sensor
Handling ESD Sensitive Parts Notice
HDHI BML, HDHI BMR, HDLO BML, and HDLO BMR Fuses
Class 2 Serial Data Line (LH Drive)
Power, Ground, and Components
High Beam Headlamps, Headlamp Dimmer Switch
High Beam Headlamps, Headlamp Dimmer Switch
G401 3 of 3
G401 3 of 3