GM Service Manual Online
For 1990-2009 cars only
Makes
🢒
Cadillac
🢒
2000
🢒
Seville
🢒 Fog Lights Schematics
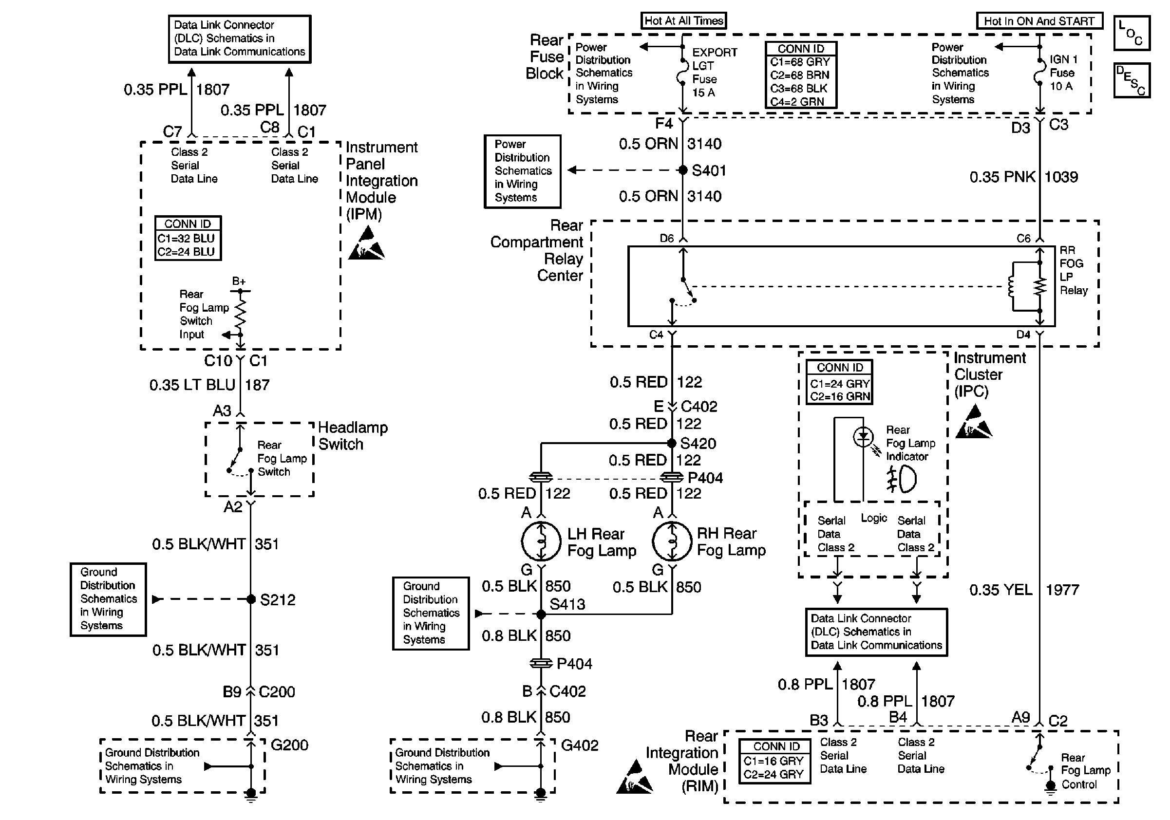
Fog Lights Schematics
Lighting Systems Components
Fog Lights Circuit Description
RAP and Export LGT Fuses
Handling ESD Sensitive Parts Notice
Class 2 Serial Data Line (LH Drive)
Fog Lights Schematics
Handling ESD Sensitive Parts Notice
Class 2 Serial Data Line (LH Drive)
Handling ESD Sensitive Parts Notice
G402 2 of 2
G402 2 of 2
G200 1 of 2
G200 1 of 2
IGN 1 Relay and SIR, Vent SOL, IGN 1 Fuses
RAP and Export LGT Fuses