GM Service Manual Online
For 1990-2009 cars only
Makes
🢒
Cadillac
🢒
2000
🢒
Seville
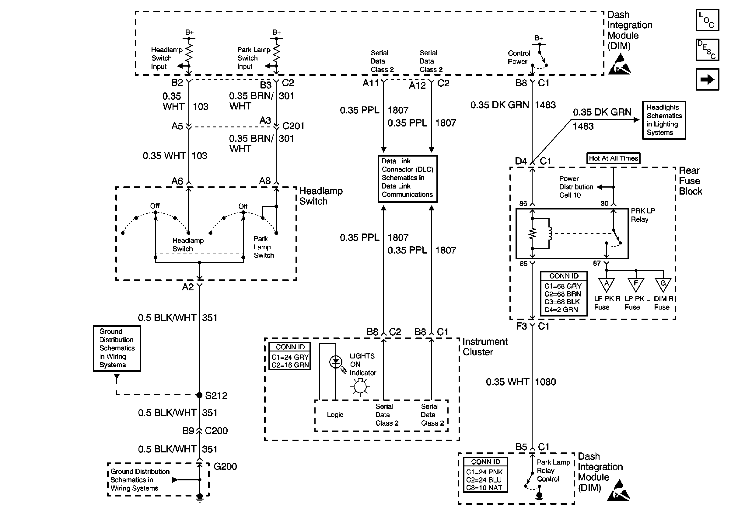
🢒 Headlamp Switch, PRK LP Relay
Headlamp Switch, PRK LP Relay
Headlamp Switch, PRK LP Relay
Lighting Systems Components
Exterior Lights Circuit Description
Hazard Switch Assembly
Handling ESD Sensitive Parts Notice
Low Beam Headlamps
Handling ESD Sensitive Parts Notice
Class 2 Serial Data Line (LH Drive)
G200 1 of 2
G200 1 of 2
RH Exterior Lamps
LH Exterior Lamps
License, Underhood, and Cornering Lamps